EasyManua.ls Logo

Panasonic TX-32LXD80F - Page 49

Panasonic TX-32LXD80F
60 pages
Print Icon
To Next Page IconTo Next Page
To Next Page IconTo Next Page
To Previous Page IconTo Previous Page
To Previous Page IconTo Previous Page
Loading...
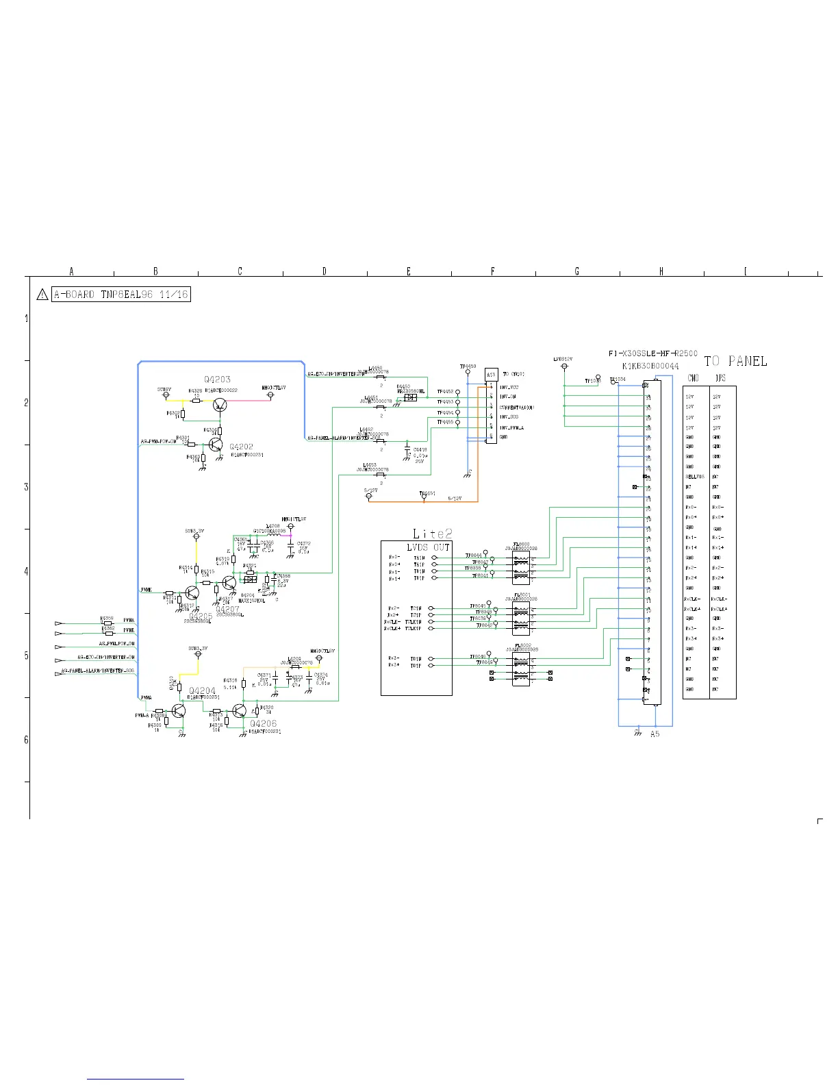
A-BOARD TNP8EAL96 11/16
I

Related product manuals