EasyManua.ls Logo

Panasonic TX-32PD30D - Page 10

Panasonic TX-32PD30D
56 pages
Print Icon
To Next Page IconTo Next Page
To Next Page IconTo Next Page
To Previous Page IconTo Previous Page
To Previous Page IconTo Previous Page
Loading...
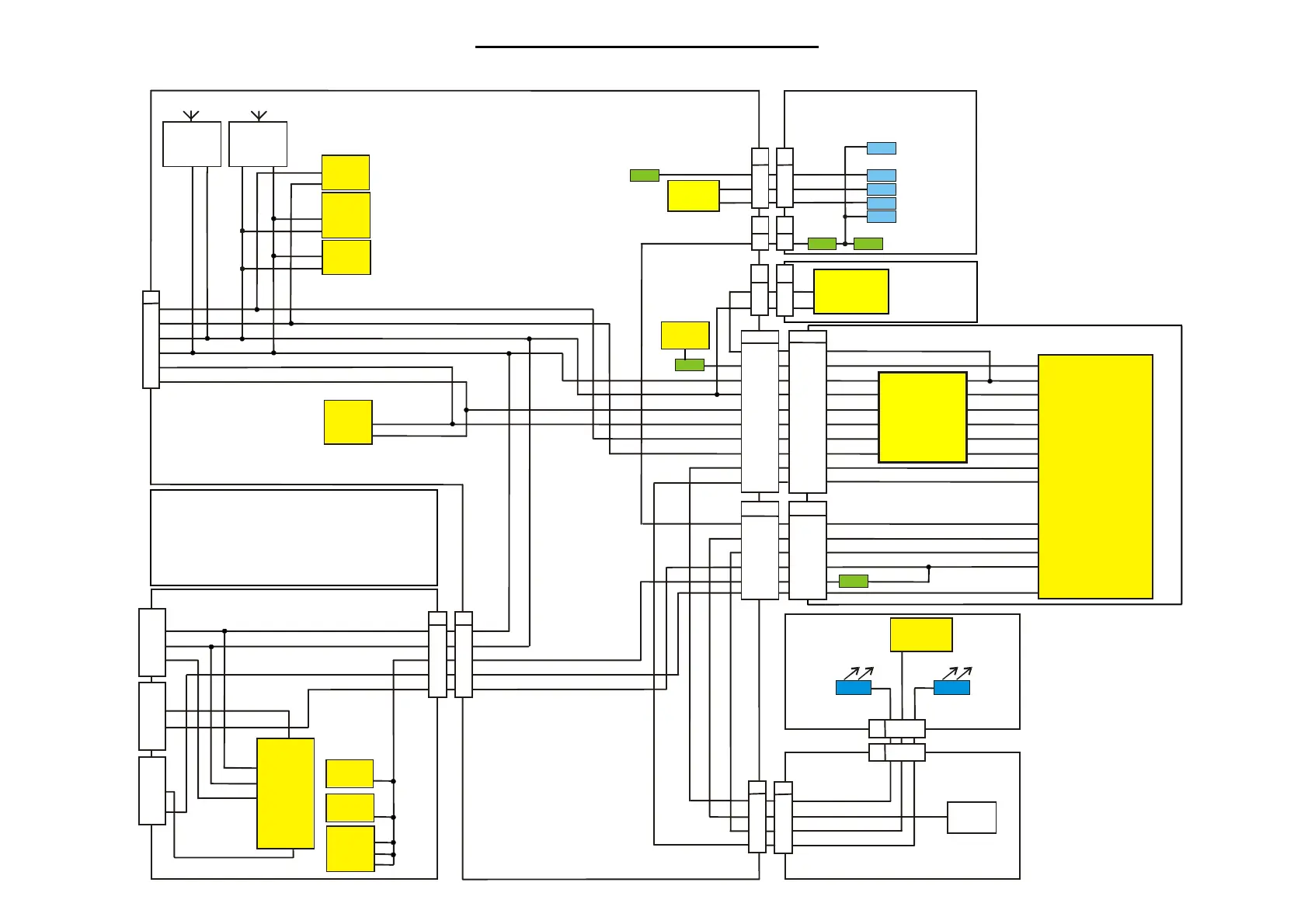
CONTROL BLOCK DIAGRAM
JIG
A - BOARD
A4
4
7
5
6
9
8
A1001
4
13
12
27
28
15
14
26
A1
7
D1
7
U1
4
13
12
27
28
15
14
26
A1002
9
20
22
8
U2
9
20
22
8
Q854 Q851
D1060
A11
13
15
20
H1
14
13
18
15
20
AV1
AV2
AV4
8
10
12
10
8
8
Q1003
6
5
IC1007
3
2
IC2002
3
2
IC1004
14
15
IC1003
SWITCH
MATRIX
RM1001
Rout
SDA2
SDA1
SDA1
SCL2
SCL1
SCL1
SDA0
SCL0
SDA
SLOW AV1
AV4 QLINK
SLOW AV4
AV2 QLINK
PROTECT
D - BOARD
U - BOARD
K - BOARD
G - BOARD
H - BOARD
DG - BOARD
A2
5
D2
D451
D772
D771
D776
D501
D852
V PROTECTION
Heater Supply
EW Protection
-VCC Vertical
+VCC Vertical
TNR001
Main
Tuner
TNR051
Sub
Tuner
SDA1
SCL1
SDA1 SCL1
SCL1
SCL
SDA1
K9 1 3
5
G8
13
5
G9
1
2
6
4
STBY LED
KEYSCAN
RMCN
TIMER LED
TIMER LED
D1051
STBY LED
A6
1
2
6
4
55
A10
13
17
13
17
DP1
IC2652
C2HBZE000003
6
5
DP - BOARD
ONLY USED ON 32” AND
36” DOMESTIC MODELS
ONLY
7
IC1007
34
33
27
13
IC3003
SDA
6
SCL
SLOW AV2
10
4
IC3007
4
IC3006
2
7
12
IC3402
18
14
QLINK SEL
2929
99
98
75
74
101
77
127
124
5
76
100
QLINK
RMCN
KEY SCAN
LED
PROTECT
SCL2
SDA2
SCL
0
SDA0
SCL1
SDA1
SERVICE
79
TIMER LED
IC1101
C2CBYF000028
IC1107
C0JBAZ001839
SCL2
SDA2
SCL
0
SDA0
SCL1
SDA1
13
18
17
14
16
15
7
2
3
6
4
5
9
5
7
8
7
8
IC4801
5
10
THIS IS AN EXCHANGE UNIT,
RETURN TO BASE ONLY
7
7
23
23
Q1113
AV4 QLINK
7
SDA0
SCL0
SDA2
SCL2
SDA1
SCL1
10

Related product manuals