EasyManua.ls Logo

Panasonic TX-32PD30D - Page 47

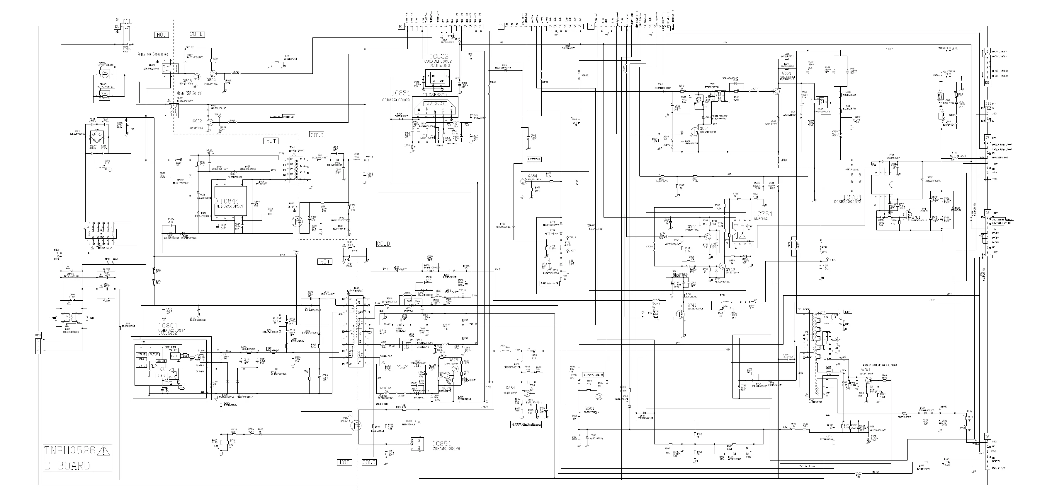
Panasonic TX-32PD30D
56 pages
Print Icon
To Next Page IconTo Next Page
To Next Page IconTo Next Page
To Previous Page IconTo Previous Page
To Previous Page IconTo Previous Page
Loading...
+
+
+
+
+
+
+
+
+
+
+
+
+
-
-
+
Drain
GND
OCP/FB
Source
Rg1
Rg2
=8.3V
DRV.REG
Vin
DRIVE
REG
T.S.D
O.V.PSTART
O.S.C
LATCH
P S
+
NP
+
+
+
+
F1
0.56M
5.6k
1G
3000p
2.7k
5.6k
NC
F2
DAF
CRT
SC
+
+
+
-+
+
+
+
+
+
+
+
NC
NC
NC
NC
NC
S1S2
S3
S5S4
S6
S7
P2
P1 P3
+
+
+
+
L.F
+
376V
141V
450V
12V
12V
220V
SB7.5V
6.5V
1340V
133V
4V
485V
-15.5V
30V
376V
15V
144V
144V
12V
12V
144V
144V
144V
144V
144V
30V
450Vo-p
C847
450V
10u
C761
250V
2.2u
C1
R808
1k
D884
MA2C165001VT
D832
B0JANE000006
C555
100V
8200p
D771
B0EAKM000058
C0DAAZH00009
IC831
1
V IN
2
V OUT
3
GND
4
VO S
5
ON/OFF
D581
MA2C165001VT
1/2W
R741
68
JSD81
TPD19
L761
C501
25V
2200u
H
C838
25V
1000u
JSD66
B0JBRK000005
D851
*
*
*
JSD76
L863
EXCELSA35T
**
C581
50V
4700p
CH
C1
H
L841
56u
D501
B0JAME000052
D587
MA2C165001VT
C0CACKH00002
IC832
4
*
3
*
2
*
1
*
C883
16V
470u
JSD53
C834
50V
0.01u
C565
250V
0.27u
* *
D858
MA2C165001VT
C
D773
MA2C165001VT
R763
10k
JSD62
R860
K5Y402Z00001
4A
C
D11
1
2
3
C
R583
2.2k
3W
R743
22
* *
2W
R841
56
* *
CH
TPD8
Q761
B1DEGG000010
G
D
S
C802
4700p
L745
120u
* *
R806
8.2M
1W
R752
47k
C553
2kV
680p
* *
C816
1kV
4700p
* *
D762
B0AAGR000002
Q581
2SC1473AEA
C884
16V
2200u
C801
4700p
R811
1.5k
TPD5
C1
D776
MA2C165001VT
D845
B0BA42500001
JSD15
CH
1/2W
R882
1k
2W
R502
27
C808
630V
0.082u
C815
2kV
680p
* *
C
C563
250V
0.82u
* *
L895
EXCELSA35T
L844
EXCELDR35V
L842
L571
EXCELDR35V
C
R753
1k
C843
50V
0.1u
D844
B0ZAZ0000045
C811
2kV
270p
* *
D843
B0AAMV000005
**
TPD31
C755
16V
470u
CF891
ERZV10V621P2
C
C771
500V
270p
CF892
ERZV10V391CS
R809
10k
C841
4700p
D6
1
2
3
4
5
6
R878
220
C845
50V
100p
H
TPD3
D852
RU2MLFA1
**
CH
R812
1.5k
L554
EXCELDR25V
L552
EXCELDR25V
* *
C868
2kV
820p
2W
R551
0.18
R593
220k
C864
16V
1000u
C
D571
B0HAKP000003
L848
EXCELSA35T
H
TPD35
C
D850
MAZ40300LF
D8
1
2
3
4
5
6
7
8
C
L845
EXCELDR35V
C812
35V
220u
R859
150k
JSD93
C583
50V
0.022u
C
Q804
2SC3311A0A
Q751
2SC3311A0A
Q854
2SC3311A0A
D814
B0HAGP000003
C855
50V
0.1u
C862
25V
4700u
TPD15
Q752
2SC3311A0A
C564
250V
0.27u
* *
C866
1kV
470p
JSD67
L576
EXCELSA35T
C880
160V
680u
****
C814
1000p
D857
B0HANR000014
* *
2W
R876
2.7
L854
EXCELSA35T
C809
400V
470u
****
TPD2
1W
R842
100k
TPD4
C
C1
CH
L553
EXCELDR25V
Q874
2SA684RTA
C1
R751
10k
R504
100k
R759
8.2k
R785
560k
JSD79
R765
22
L847
G0ZZ00001937
R584
10k
C854
1kV
560p
CH
7W
R801
2.7
****
R758
10k
L743
EXCELSA35T
C895
1500p
JSD92
3W
R555
330
C5HABZZ00014
IC801
1
2
*
3
*
4
5
B0HAPV000009
D855
* *
L839
1/2W
R877
10k
D847
B0EAEV000001
**
TPD25
D583
JSD11
D781
MA2C16700E
C753
50V
1800p
D551
B0HAMC000013
R757
10k
IC761
C0ZBZ0000373
1
2
3
45
6
7
8
R576
JSD51
C861
1kV
1000p
R879
1k
C
R754
1.5k
C551
2kV
1000p
* *
3W
R803
18k
* *
D840
B0AAMV000005
**
1/2W
R869
33k
3W
R867
15k
L741
ELEKE101KA
H
C791
1kV
820p
7W
R863
2.2
****
R818
22k
JSD78
TPD18
D803
MA2C165001VT
Q741
2SK2538000LB
G
D
S
CH
R563
5.6k
T501
ETH19Y187AY
1
*
2
3
*
4
*
6
*
R561
10k
D883
B0HAMC000013
R764
1.5k
C892
0.22u
**
C819
2kV
680p
L818
EXCELSA39V
**
L857
EXCELSA35T
**
C844
1kV
3900p
R575
C559
630V
0.01u
* *
TPD22
CH
D1
1
2
3
4
5
6
7
8
9
10
11
12
13
14
15
16
R589
47k
C
D859
MA2C165001VT
C858
16V
1000u
C562
250V
0.24u
* *
C851
100V
0.1u
D819
B0HAGP000003
L791
TALL13T103JB
C1
C572
1kV
330p
L559
EXCELDR35V
**
RL801
K6B1ADA00010
**
L557
EXCELDR35V
**
R582
2.2k
C762
50V
220p
CH
C
Q805
2SC13180WA
R820
5.6k
C1
TPD13
1/2W
R822
1.8k
CH
D752
MA2C165001VT
1/2W
R823
15k
C1
R771
10
3W
R804
18k
* *
R833
2.15k
1/2W
R816
0.15
C860
500V
470p
L838
R773
2.49k
TPD7
Q851
2SA10180QA
3W
R875
22
L846
G0ZZ00001937
L819
EXCELSA35T
C846
2kV
47p
C
C582
160V
0.47u
C
C867
50V
0.01u
TPD1
R587
15k
CH
C863
25V
2200u
R834
4.12k
1/2W
R810
0.15
TPD16
C837
16V
470u
Q802
2SC3311A0A
C827
1kV
560p
C853
50V
10u
C882
1kV
560p
Q875
2SA07200RA
1W
R503
560
Q781
2SC1473AEA
D813
TPD12
D584
MAZ43600HF
L575
EXCELSA35T
C897
1500p
C1
C886
50V
10u
D812
MAZ22400B0LS
C763
50V
220p
R819
680
D772
MAZ4104J0F
T551
ZTFM77501A
1
**
3
**
4
**
5
**
13
**
14
**
15
**
10
**
2
9
**
8
**
6
**
7
**
R855
820
JSD77
CH
C
CH
L856
EXCELSA35T
JSD52
R766
47k
CH
CH
RL802
K6B2ADA00005
**
**
3W
R815
100k
**
C552
2kV
680p
* *
C
CH
C560
1kV
1800p
R586
22k
C754
50V
1500p
R784
100k
C502
35V
100u
R868
2.5A
L860
33u
D807
MA2C165001VT
C571
250V
33u
R850
K5Y402Z00001
4A
H
L837
EXCELDR35V
C
R595
D809
MAZ20820A0LS
CH
CH
C835
16V
1000u
C503
50V
0.1u
B0EALT000002
D802
*
*
*
*
C556
2kV
3600p
* *
TPD34
3W
R744
4.7
* *
R562
T3A205016
R843
100
L574
110
D3
1
2
3
4
5
6
7
8
9
10
11
12
13
14
15
16
C
D815
B0EAEV000001
* *
D741
B0HALP000002
D1NL40-4070
R594
82k
C817
2kV
680p
* *
TPD9
C1
C803
4700p
C772
50V
10u
CH
C764
16V
470u
R856
56k
R590
10k
C557
2kV
3600p
* *
C836
10V
470u
T841
ETS24KC156AG
1S1
*
2NC
3NC
4S2
*
5 P1
*
6 NC
7 PT
8 NC
9 P2
*
L810
ETQR45T001A
1
**
2 NC
3 NC
4 NC
5 NC
6
**
7
**
8NC
9NC
10NC
11NC
12
**
L834
EXCELSA35T
C839
25V
1000u
L566
ELH5L7729
1
*
2
*
3
*
4
*
R762
3.3k
L883
180u
C752
35V
47u
C1
L843
R596
10k
IC841
MIP0254SPSCF
1
2
3
4 5
7
8
C751
50V
2200p
R783
27k
L573
EXCELDR35V
CH
R865
10k
Q501
B1CEML000001
G
D
S
C870
25V
330u
C
C742
1kV
270p
D791
B0HAKP000003
IC851
C0EAS0000026
GND
3
2
COLLECTOR
OUT
1
C
C1
TPD30
R505
68
C743
1kV
1800p
C
TPD17
C558
630V
0.01u
**
R756
2.2k
C829
50V
680p
D2
1
2
3
4
5
6
7
8
9
10
11
12
13
14
15
16
R857
3.3k
1/2W
R585
28k
C885
35V
47u
C
D502
MAZ40560LF
D5
1
2
L861
10u
C865
1kV
560p
JSD80
D821
B0HAGP000003
D20
**
1
**
3
D7
1
2
3
4
5
6
7
8
L882
G0ZZ00001937
T801
ETS49AH2X6AD
1
2
*
3
*
5
*
6
7
*
8
*
9
10
*
11 12
*
13
14
*
15
*
16
*
17
*
18
*
19
*
20
21
*
22
*
C
D582
MA2C16700E
C741
250V
0.82u
C
C1
C1
1/2W
R881
1.2k
R597
18k
H
D503
B0HALP000002
D1NL40-4070
L744
1.5m
* *
IC751
AN6914
1
2
3
4 5
6
7
8
L572
EXCELSA39V
R782
2.2M
L558
EXCELDR35V
**
C804
4700p
C574
160V
33u
D811
MAZ20820A0LS
R864
56k
L820
EXCELSA35T
D553
B0KZ00000001
**
**
**
L836
EXCELSA35T
L862
68u
* *
R760
1k
H
C869
25V
2200u
L577
EXCELSA35T
C554
100V
8200p
10u
100V
C745
R781
2.2M
D586
MA2B18200E
C
L812
EXCELSA39V
* *
D841
ON3171R
L568
ELH5L8114
4
*
5
*
6
*
C857
50V
470u
2W
R571
0.68
L815
EXCELSA39V
**
2SC5686000RK
Q551
**
**
**
D565
MA2C165001VT
D856
B0HAMC000013
* *
D885
MAZ40560HF
CH
R581
2.2k
TPD32
JSD82
C820
2kV
100p
L840
C810
50V
470p
C833
16V
470u
D554
RU3ANLFA1
R580
1.91k
D823
ON3171R
L814
EXCELSA39V
JSD94
CH
D761
MAZ41500MF
D9
1
2
3
4
5
6
D853
EU2YXV0
* *
L835
10u
TPD33
L893
G0B682H00001
1
**
2
**
3
**
4
**
TPD14
C792
16V
100u
R774
4.99k
TPD10
TPD6
R588
39k
C
R858
56
3W
D753
MA2C165001VT
CF805
59709T60B110
2
*
3
*
1
*
CF806
59709T60B110
2
*
3
*
1
*
TPD20
D860
B0JANE000009
* *
L858
EXCELSA35T
JSD96
D877
MA2C16700E
R851
8A
R852
10A
1.0MM
1.0MM
TUC8E6785-1
SND +15V
SND +15V
SND -15V
SND -15V
SND -15V
SND +15V
Relay for Degaussing
Main PSU Relay
STAND BY POWER ON
6.5V
6.5V
STBY 7.5V
STBY 7.5V
H-COIL(HOT)
H-COIL(COLD)
COLD
COLD
DF4
133V
144V
144V
Vx(for X-ray)
GND
220V
+B1
3.3V
3.3V
3.3V
H-GND
H-GND
220V
DD 3.3V
VPROTECT
GND
7.0V
30V
TUC8E6890
TUCJ5432
220V
NC
HEATER
HEATER GND
NC
+B
H-RASTER POS
-Vcc
+Vcc
144V
DG
JW
COLD
12V
12V
GND
V-VCC+
V-VCC+
V-VCC-
V-VCC-
GND
GND
GND
PROTECT
DEGAUSS
STANBY
IN
GND12V
6.5MM
6.5MM
GND
3/4W
COLD
-15.5V
15.5V
DF2
DF1
GND
Vcc
- +
- +
Inner pin correct
Screen stabilising circuit
GND
33.75kHz OTHER
28.125kHz OTHER
CURRENT PROTECTER
V-DAF DRIVE( )
H-DAF DRIVE( )
EW DRIVE( )
H-DAF DRIVE( )
V-DAF DRIVE( )
BT 30V( )
ABL SW( )
3.3V( )
AFC FBP( )
ACL( )
EHT-COMP.( )
H-DRIVE( )
X-RAY Protection SW
ABL
12V
H-COIL(COLD)
H-COIL(HOT)
4:3/16:9 ABL SW
JW
FBT
GND
NC
H-GND
NC
3
1
2
NC
PROTECTOR
GND
GND
GND
GND
TUNNER GND
GND
NC
HEATER
COLLECTOR
GND
ABL
+B2
GND
JW
JW
JW
TUC8E6807
SOUND 30V
SOUND 38V
SOUND GND
TUC8E6811
TUC8E6890
HOT
HOT
HOT
HOT
TNPH0526
D BOARD
!
*
#
=
M
M
=
&
S
m
=
M
=
S
M
=
M
M
S
-
=
*
-
+
&
S
*
=
=
M
=
=
*
=
*
<
&
S
=
=
=
=
+
M
S
M
=
-
*
+
=
=
+
M
+
+
=
=
*
S
M
S
S
*
+
M
S
<
S
M
*
=
=
S
S
<
NC
NC
NC
NC NC
NC
NC
NC
M
=
M
S
S
m
=
*
m
=
=
S
-
=
M
S
S
+
+
*

Related product manuals