EasyManua.ls Logo

Panasonic TX-32PD30D - Page 8

Panasonic TX-32PD30D
56 pages
Print Icon
To Next Page IconTo Next Page
To Next Page IconTo Next Page
To Previous Page IconTo Previous Page
To Previous Page IconTo Previous Page
Loading...
8
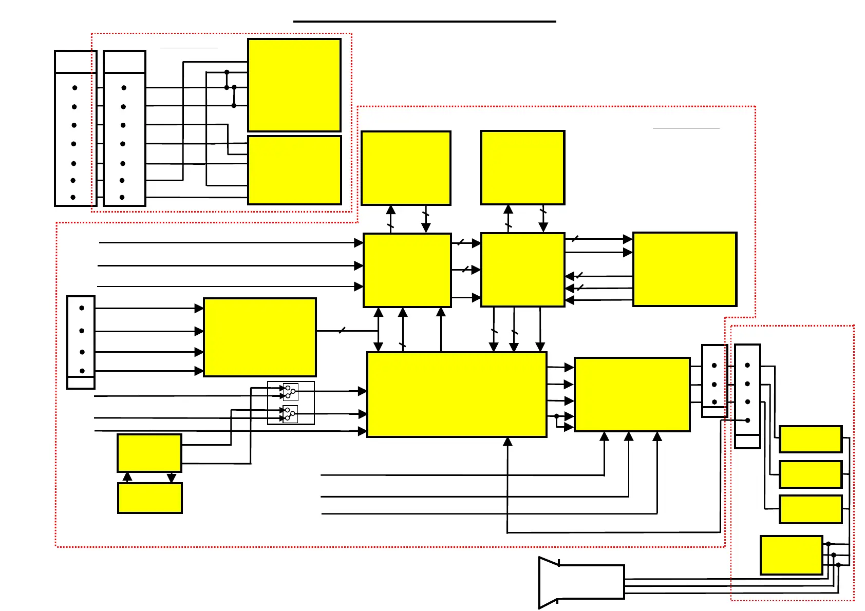
VIDEO BLOCK DIAGRAM (2 OF 2)
U2
7
8
12
18
19
23
24
A100
7
8
12
18
19
23
24
IC1109
TC4066BFN
VIDEO
SWITCH
IC1101
C2CBYF000028
UART
5
13
4
112
113
114
1
10
9
Q LIN
K
A
V2 Q
OSD
OSDR
OSDB
A
V4 Q LIN
K
RGB SELECT
IC1321
C3ABPJ000048
64Mbit SDRAM
2MB x 32Bit
FOR MAIN
-
SUB
IC1302
C1AB00001703
SUB PICTURE IC
GC2S+
FOR SUB
2D COMB FOR SUB
CHROMA DECODING
MAIN-SUB MIX
D-D CONVERSION
IC1308
C3ABPJ000017
64Mbit SDRAM
2MB x 32Bit
FOR V SCALAR
FOR P-NR
IC1350
C1AB00001827
FRAME
INTERPOLATOR
GC2V
FOR V SCALAR
FOR P-NR
32
32
32
32
IC1301
C1AB00001826
GLOBAL CORE & MAIN PICTURE
GC2M+
FOR MAIN
CHROMA DECODING
PICTURE IMPROVER
(AI , DSC , CTI , CRI , VPK)
DEFLECTION CIRCUIT CONTROL
RGB PROCESSOR
10
10
IC1851
C1AB00001788
RGB A/D CONVERTOR
8 BIT ANALOGUE/DIGITAL
CONVERTOR
44
110
41
108
IC1323
C1AB00001813
ENHANCED FRAME CONVERTOR
I/P , FF , 75Hz
CONVERSION (EFC)
(MOTION COMPENSATED)
10
EXT RED
EXT
EXT BLUE
FB
P
r
C/Pb
Y
/CVBS
103
89
101
DG91
1
3
5
7
DG69
DG67
DG65
SECONDARY
VIDEO
MAIN
VIDEO
IC1304
C1AB00001707
3D COMB
FILTER
GC2P
S
W
Y
/CVBS
C/Pb
P
r
C
Y
IC1331
C3ABPJ000048
64Mbit SDRAM
2M x 32Bit
U BOARD
DG11 & DG59
DG63
DG61
IC1309
AN15935A
RGB OUTPUT
AMPLIFIER
95
72
83
237
240
248
2R
2G
2B
CLP , BLK
OSD R
OSD G
OSD B
DG30
DG42
DG31
13
15
17
20
19
205
204
5
4
3
OSD R
OSD G
OSD B
11
9
7
DG90
2
6
4
R
G
B
2
6
4
L1
IC3801
TDA6120Q.N2
R CRT DRIVE
IC3802
TDA6120Q.N2
G CRT DRIVE
IC3803
TDA6120Q.N2
B CRT DRIVE
8
252
V
M
2
2
2
12
12
12
JK3804
K3B10CA0003
7
RED
GREEN
BLUE
R
G
B
R
G
B
L BOARD
CRT
32” W76LXK085X01
36” W86LXK085X01
Y
U
V
(
FOR
H , V , CL
K
(
FOR
2Y 2U
V
2H , 2
V
Y
U
V
8
H , V , CL
K
8
U
V
MAIN-SUB-
MI
X
10
10
H , V , CL
K
Y
U
V
8
2Y
2U
V
2H , 2V , CL
K
8
DG BOARD

Related product manuals