EasyManua.ls Logo

Panasonic tx-lr32c10 - Important Safety Precautions; General Servicing Guidelines; Touch-Current Measurement Procedure

Panasonic tx-lr32c10
121 pages
Print Icon
To Next Page IconTo Next Page
To Next Page IconTo Next Page
To Previous Page IconTo Previous Page
To Previous Page IconTo Previous Page
Loading...
TX-LR32C10
4
1 Safety Precautions
1.1. General Guidelines
1. When servicing, observe the original lead dress. If a short circuit is found, replace all parts which have been overheated or
damaged by the short circuit.
2. After servicing, see to it that all the protective devices such as insulation barriers, insulation papers shields are properly
installed.
3. After servicing, make the following leakage current checks to prevent the customer from being exposed to shock hazards.
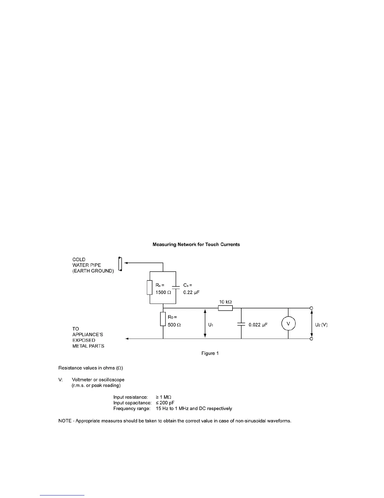
1.2. Touch-Current Check
1. Plug the AC cord directly into the AC outlet. Do not use an isolation transformer for this check.
2. Connect a measuring network for touch currents between each exposed metallic part on the set and a good earth ground
such as a water pipe as shown in Figure 1.
3. Use the Leakage Current Tester (Simpson 228 or equivalent) to measure the potential across the measuring network.
4. Check each exposed metallic part and measure the voltage at each point.
5. The potential at any point (touch current) expressed as voltage U
1
and U
2
, do not exceed the following values:
For AC: U
1
= 35 V (peak) and U
2
= 0.35 V (peak);
For DC: U
1
= 1.0 V,
NOTE :
The limit value of U
2
= 0.35 V (peak) for AC and U
1
= 1.0 V for DC correspond to the values 0.7 mA (peak) AC and 2.0 mA
DC.
The limit value U
1
= 35 V (peak) for AC correspond to the value 70 mA (peak) AC for frequencies greater than 100 kHz.
6. Should a measurement be out of the limits specified, there is a possibility of a shock hazard, and the equipment should be
repaired and rechecked before it is returned to the customer.

Table of Contents

Related product manuals