EasyManua.ls Logo

Panasonic tx-lr32c10 - Page 55

Panasonic tx-lr32c10
121 pages
Print Icon
To Next Page IconTo Next Page
To Next Page IconTo Next Page
To Previous Page IconTo Previous Page
To Previous Page IconTo Previous Page
Loading...
TX-LR32C10
55
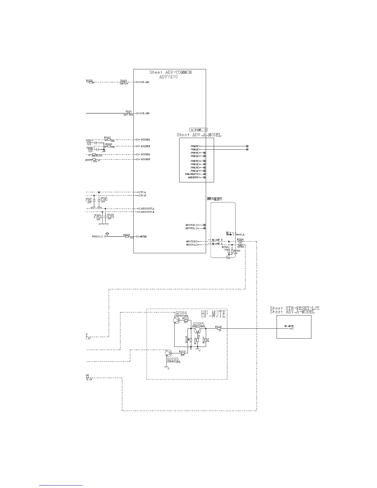
11.2.26. A Board - Sheet : 006 (4 / 4)
<1C>
<2C>
<3C>
<4C>
<5C>

Table of Contents

Related product manuals