EasyManua.ls Logo

Panasonic TX-P42S20L - Page 33

Panasonic TX-P42S20L
128 pages
Print Icon
To Next Page IconTo Next Page
To Next Page IconTo Next Page
To Previous Page IconTo Previous Page
To Previous Page IconTo Previous Page
Loading...
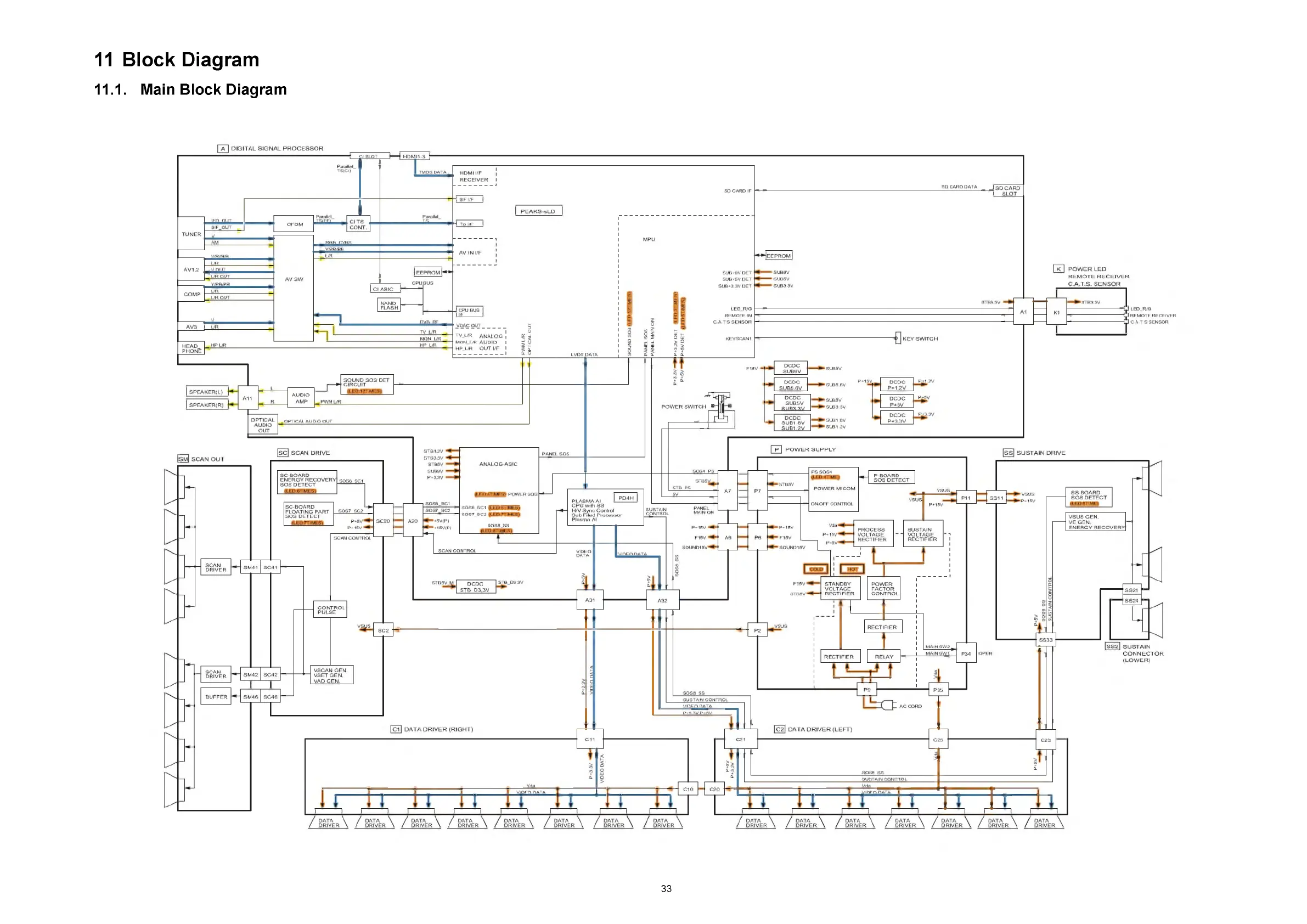
11 Block Diagram
11.1. Main Block Diagram
33

Related product manuals