EasyManua.ls Logo

Panasonic TX-P42S20L - Page 77

Panasonic TX-P42S20L
128 pages
Print Icon
To Next Page IconTo Next Page
To Next Page IconTo Next Page
To Previous Page IconTo Previous Page
To Previous Page IconTo Previous Page
Loading...
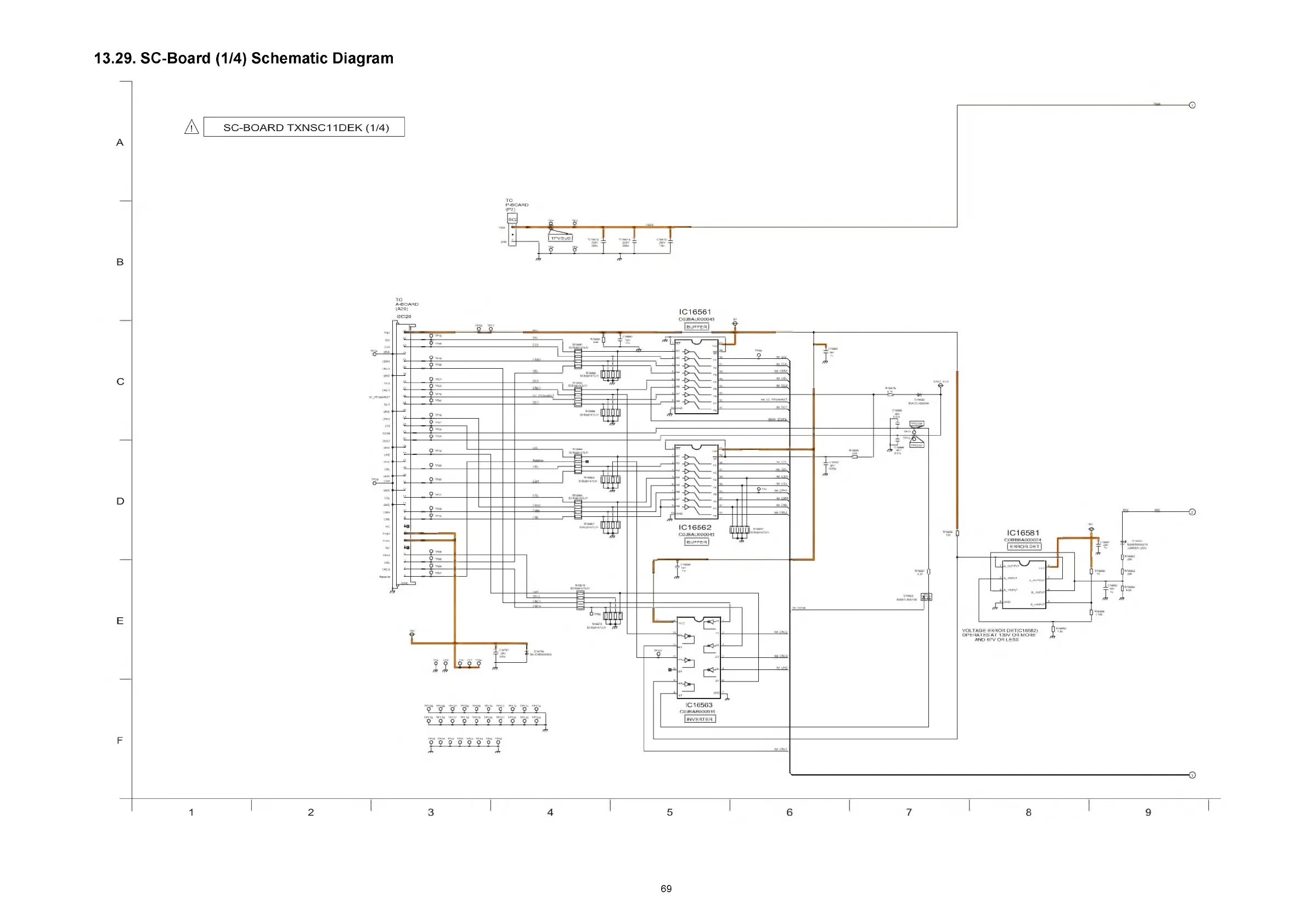
13.29. SC-Board (1/4) Schematic Diagram
A
B
C
D
E
A
SC -BO AR D TXN SC 11D EK (1/4)
TO
A-BOARD
(A20)
TO
P-BOARD
(P2)
-©
IC16561
F
1 2 5
69

Related product manuals