EasyManua.ls Logo

Panasonic TX-P50VT65B - Block (2;4) Diagram

Panasonic TX-P50VT65B
44 pages
Print Icon
To Next Page IconTo Next Page
To Next Page IconTo Next Page
To Previous Page IconTo Previous Page
To Previous Page IconTo Previous Page
Loading...
37
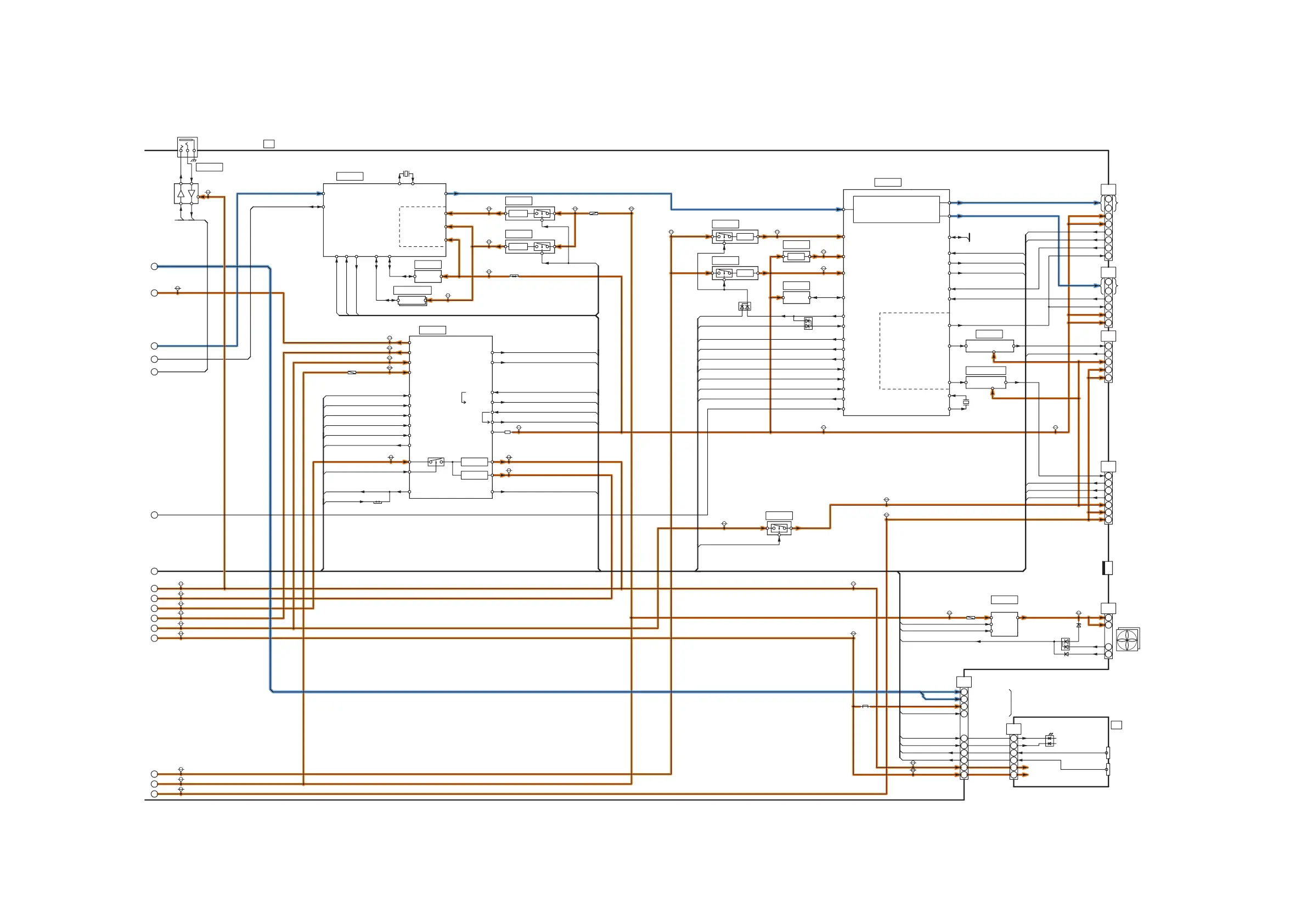
11.3. Block (2/4) Diagram
(LED:6TIMES)
(LED:8TIMES)
(LED:11 TIMES)
(LED:7TIMES)
(LED:9TIMES)
(LED:6TIMES)
G
R
P
S
SUB5V
DCDCGCX
PA8702
STB1.1V
STB1.1V
F15V
STB3.3V
SUB5V
STB5V
VDDSD18V33V
D8752
GCX1.5V
D8756
P3.3V
D8753
SUB3.3V
P15V
P3.3V
D2802
STB3.3V
F15V
P3.3V
D9802
P15V
STB3.3V
P2.5V
X9300
VJ9700
SUB5V
DCDC15V
PA2001
VJ5000
STB5V
D9807
GCX1.5V
P+3.3V
F15V
STB3.3V
X9500
F15V
DCDC15V
FAN_VCC
L8606
STB3.3V
VDDSD18V33V
SUB3.3V
SUB9V
SUB3.3V
P5V
GCX3.3V
PA5017
P1.2V
GCX1.1V
SUB9V
POWER LED
3
FFC_OFF_DET
VBUS1
SS33
C31
4
A1
STB5V_SWON
REMOTE
RECEIVER
1
GCX1.1V
GLASS_RF
5
FAN A,B
LVDS DATA
1
PANEL_VCC_ON
6
TXD
GCX_SOS
LVDS DATA
P_S1
STMSBO0
KEYSCAN
A20
KEY3
XO
BLUETOOTH
STB3.3V
DRVRST
A32
54
DDR3
FLASH I/F
INIT_DONE
LOSD_VIN
RF_LR
D_UHZ
LVDS RX
SUB3.3V
DISPEN
P_XRST
SOS7_SC2
1
R_LED_ON
SOS_DCC
P3.3V
LOGO_ON
SW_OFF_DET
DCDCEN
IC9500
4
DRVRST
DRIVER
C.A.T.S. SENSOR
IC9402
P3.3V
1.1V
REMOTE_IN
LVDS DATA
PLASMA AI
CPG
H/V Sync Control
Sub Filed Processor
P5V
SUSTAIN CONTROL
SOS8_SS
STMSBI0
SOS6_SC1
3.3V_DET1
IC9304
SYSTEM_BUS
20MHz
SI/SO
A33
40
13
BLUETOOTH_DN
GCX_SOS
6
2.5V
STB1.1V
IC9804
BT_USB_DN
P5V
BT_USB_DP
D_UHZ
1
JK3103
P1.2V
SD_VCC
55
PANEL_SOS
DRVRST_
OUT
DCDCEN
6
G_LED_ON
PD6H_XRST_SYS
RF_LR
11
BLUETOOTH_DP
POWER LED
DATA DRIVER CONTROL
RS-232C
UHZ
IIC0
IIC1
STM_IIC
SBI0/SBO0
SUSTAIN CONTROL
DRVRST
4
FLASH I/F
INIT_DONE
4
P15V_DET
DCDCEN
A31
RM2800
POWER_DET
+3.3V
XRSTSYS
PDP_DRVRST
DTV_RST
OFF_FLAG
SOS_DCC
FFC_OFF_DET
SOS_DCC
P3.3V
4
C.A.T.S
SOS7_SC2
54
29
3.3V_DET1
PANEL_SOS
+2.5V
DATA DRIVER CONTROL
IC9700
KEYSCAN
SUSTAIN DATA
BUFFER
SCAN CONTROL
8
P15V DET
16
2
VIDEO DATA
GCX1.5V
C.A.T.S
SYSTEM_BUS
P_S1
K10
IC9300
STB3.3V
FOR
FACTORY
USE
SUB9V
1.5V
IC9501,2
MAIN_FAN_ON
K
REMOTE RECEIVER
5
SI/SO
IC9803
X0
FAN CONTROL
1
RS-232C
IC9600
P_S0
A
SOS8_SS
VIDEO DATA
1.2V
2
IC9503
REMOTE_IN
1
3.3V
6
SC_UHZ
SOS6_SC1
C21
P3.3V
STBRST
10
9
5
KEY3
SCAN CONTROL
LVDS DATA
LOSD_VIN
+1.2V
SPI
FLASH
VIDEO DATA
IC8702
55
IC3851
G_XRST
DDR3 I/F
X1
R_LED_ON
SOS8_SS
P_S0
FFC_OFF_DET
+1.1V
3
SPI
FLASH
3.3V_DET2
P3.3V
RS232C
DRVRST_
IN
SC20
C.A.T.S SENSOR
DATA DRIVER CONTROL
POWER_DET
SUB5V
3
P5V
FAN_SOS
3.3V
P15V
ANALOG-ASIC
SCAN DATA
BUFFER
7
5
P15V
7
10
SOS7_SC2
LOGO_ON
4
3
G_XRST
DTV15V
20MHz
7
IIC0
FFC_OFF_DET
12
DISCHARGE CONTROL
DISPEN
RXD
9
1
P15V
UHZ
POWER
GCX
UHZ
SOS6
XI
XRSTSTM
12
VIDEO DATA
PD6H
5
9
DCDC_CTL
G_LED_ON
6
2
FAN_MAX
2
P15V
MAIN AV INPUT,PROCESSING
USB_DP/DN
SC_UHZ
1
BUFF_EN
IC9005
3.3V_DET2
IC9504
A8A
SOS8_SS
RF_LR
IC5000
30
SOS_DCC
SOS6_SC1
SN2800
3
CN0100
IC9400,01
LVDS TX
+1.5V
SOS7
SYSTEM_BUS
11
14
16
15
(LED:6TIMES)
(LED:8TIMES)
(LED:11 TIMES)
(LED:7TIMES)
(LED:9TIMES)
(LED:6TIMES)

Related product manuals