EasyManua.ls Logo

Panasonic TX-PF42S30 - Page 44

Panasonic TX-PF42S30
112 pages
Print Icon
To Next Page IconTo Next Page
To Next Page IconTo Next Page
To Previous Page IconTo Previous Page
To Previous Page IconTo Previous Page
Loading...
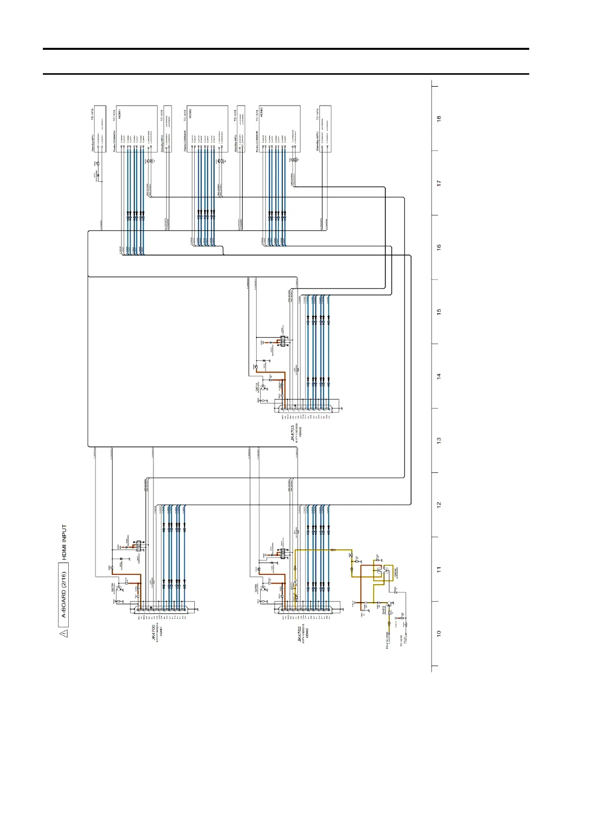
Model No. : TX-P42S30E/J, PF42S30 A-Board (2/16)
S-4