EasyManua.ls Logo

Panasonic TX-PR42G10 - Page 32

Panasonic TX-PR42G10
140 pages
Print Icon
To Next Page IconTo Next Page
To Next Page IconTo Next Page
To Previous Page IconTo Previous Page
To Previous Page IconTo Previous Page
Loading...
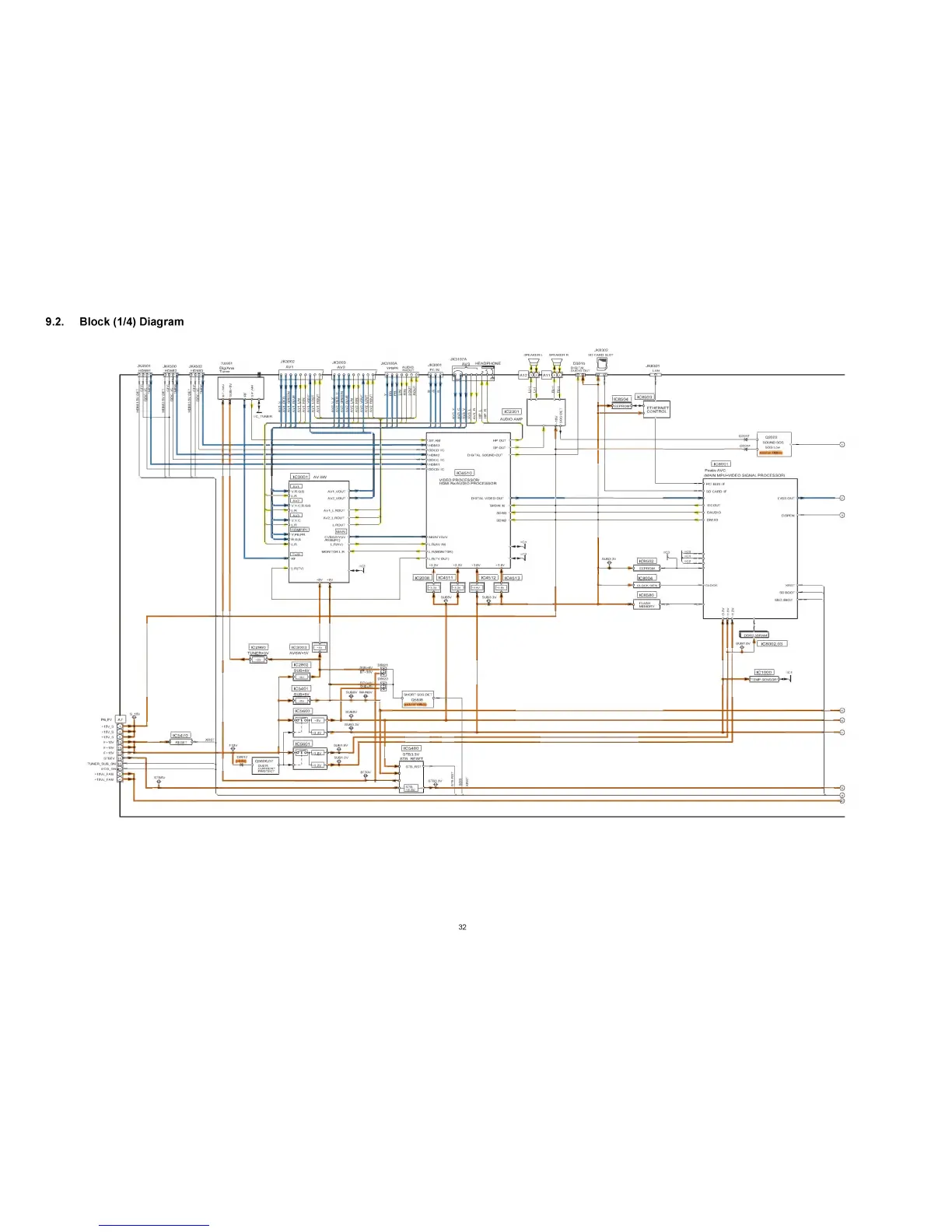
9.2. Block (1/4) Diagram
JK8302
SPE AKER L S PEAKER R SD CARD SLOT
32

Table of Contents

Related product manuals