EasyManua.ls Logo

Panasonic TX-PR42G10 - C2-Board

Panasonic TX-PR42G10
140 pages
Print Icon
To Next Page IconTo Next Page
To Next Page IconTo Next Page
To Previous Page IconTo Previous Page
To Previous Page IconTo Previous Page
Loading...
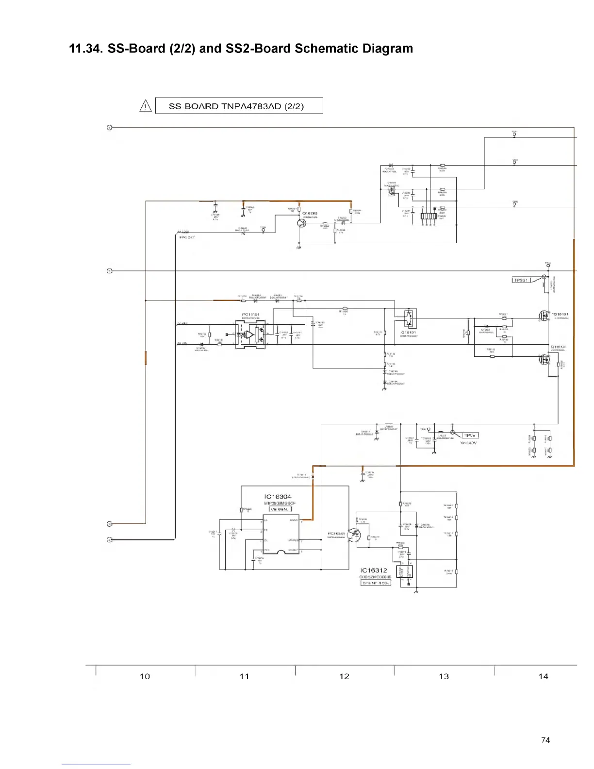
11.34. SS-Board (2/2) and SS2-Board Schematic Diagram
A
S S -B O A R D T N P A 47 83A D (2/2)
10 11 12 13 14
74

Table of Contents

Related product manuals