EasyManua.ls Logo

Panasonic TX-PR42UT30 - Block (4;4) Diagram

Panasonic TX-PR42UT30
114 pages
Print Icon
To Next Page IconTo Next Page
To Next Page IconTo Next Page
To Previous Page IconTo Previous Page
To Previous Page IconTo Previous Page
Loading...
37
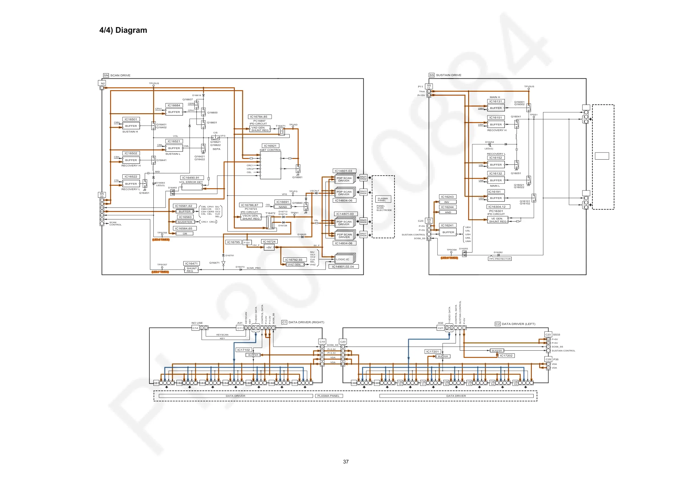
10.5. Block (4/4) Diagram
(LED:6 TIMES)
(LED:7 TIMES)
(LED:8 TIMES)
SN21
SN22
SN23
SN24
SN25
SN26
SN27
SN28
Q16441
Q16451
D16493
TPSOS7
D16583
TPSN1
D16282
D16254
TPVAD
TPSOS6
D16728
TPSOS8
D16618
D16791
TPVSUS
D16255
TPVSUS
TPSS1
TPVFG
D16473
D16825
OR
IC16471
IC16564,65
SCAN DRIVE
SEPA
PDP SCAN
Q16660
DRIVER
Q16661
PC16723
IGBT CONTROL
T16471
SHUNT
REG
IC16921
CRC2
6
CRC1
DRIVER
CEL
LOGIC IC
PANEL
SUSTAIN
ELECTRODE
P+15V
5V_F
SUSTAIN DRIVE
CPH1
VHIZ GEN.
IC16244
C23
CML
SOS7
PLASMA
PANEL
BUFFER
Vsus
OC1
SUSTAIN CONTROL
Q16402
SOS8_SS
PDP SCAN
SS
33
Vsus
2
UML
4
PLASMA
PANEL
SCAN CONTROL
VOL
20
D16713
IC16241
1
SS
IC16563
PANEL
SCAN
ELECTRODE
T16472
P+15V
P11
DRIVER
LED(G)
RECOVERY L
RECOVERY H
P+5V
DRIVER
CLK
P2
VFG
MAIN H
SS
11
SS
61
OC1
CLK
VFG
Q16601
MAIN L
SEL
A20
1
CSH
USH
35
1
CEL
CPH1
SN
20
BUFFER
UML
Q16600
20
IC16684
UMH
IPD CIRCUIT
BUFFER
IC16304,12
21
CPH1
BUFFER
CERS
PC16301
CMH
BUFFER
IC14801-03
IC16561,62
OC2
VE GEN.
Vfo
IC14901,02,04
IPD CIRCUIT
SUSTAIN H
UMH
Q16051
IC14601-03
SCAN
CONTROL
CSL
IC16786,87
FPC PROTECTOR
BUFFER
CMH
USL
PDP SCAN
BUFFER
LED(G)
INVERTER
IC14804-06
IC16152
Q16422
SN2
IC16501
Q16041
USH
BUFFER
IC16784,85
CERS
CML
18
IC16151
IC16502
IC16243
IC14604-06
P+15V
CRC2
BUFFER
Q16607
IC16691
IC16131
INV
AND
SHUNT REG
CSH
IPD CIRCUIT
Q16001
Q16002
VSCN-F
VSCN GEN.
UEH
Q16021
Q16022
IC16724
D16714
OC2
PC16897
2
IC16132
SIU
+5V
NAND
UEH
USL
SHUNT REG
IC16191
IC16792,93
13
UHZ
CIS
BUFFER
SIU
RECOVERY H
P+5V
CSL
SN
VAD GEN.
SHUNT REG
MID
RECOVERY L
CRC1
CML
IC16522
VHIZ
SOS6
IC16521
Q16101
Q16102
CEL
BUFFER
BUFFER
7
SUSTAIN L
Q16401
CIS
Q16421
Q16621
Q16471
Q16622
PDP SCAN
IC16490,91
SCNR_PRO
VOL ERROR DET
SEL
SS
66
1
2
13
1
P+5V
C20
BUFFER
1
VDA
IC17201
C23
20
SUSTAIN CONTROL
16
CB9
2
C25
CB7
54 1
C21
18
DATA DRIVER
SOS8_SS
P+5V
VDA
PLASMA PANEL
BUFFER
2
P+5V
VIDEO DATA
CB2
3
P+3.3V
CB3
1
SOS8_SS
CB4
CB
13
CB5
19
P+3.3V
15
SOS8_SS
5
C10
CB
10
SUSTAIN CONTROL
KEY
P+3.3V
VDA
DATA DRIVER
16
55
SS33
CB
11
CB
14
CB1
6
C11
1
A31NO USE
IC17102
CB6
DATA DRIVER (RIGHT)
P35
20
IC17202
54
A32
C1
51 42
CONTROL DATA
1
P+3.3V
P+5V
CB8
CB
12
VIDEO DATA
C2
4
VDA
CONTROL DATA
DATA DRIVER (LEFT)
19
CB
15
BUFFER
F15V
IC16795
15V_F
52
C14
23
KEYSCAN
KEY
KEYSCAN
(LED:6 TIMES)
(LED:7 TIMES)
(LED:8 TIMES)

Related product manuals