EasyManua.ls Logo

Panasonic WH-SXC09D3E5

Panasonic WH-SXC09D3E5
132 pages
To Next Page IconTo Next Page
To Next Page IconTo Next Page
To Previous Page IconTo Previous Page
To Previous Page IconTo Previous Page
Loading...
106
Aquarea air / water heat pump – design handbook 07 / 2014
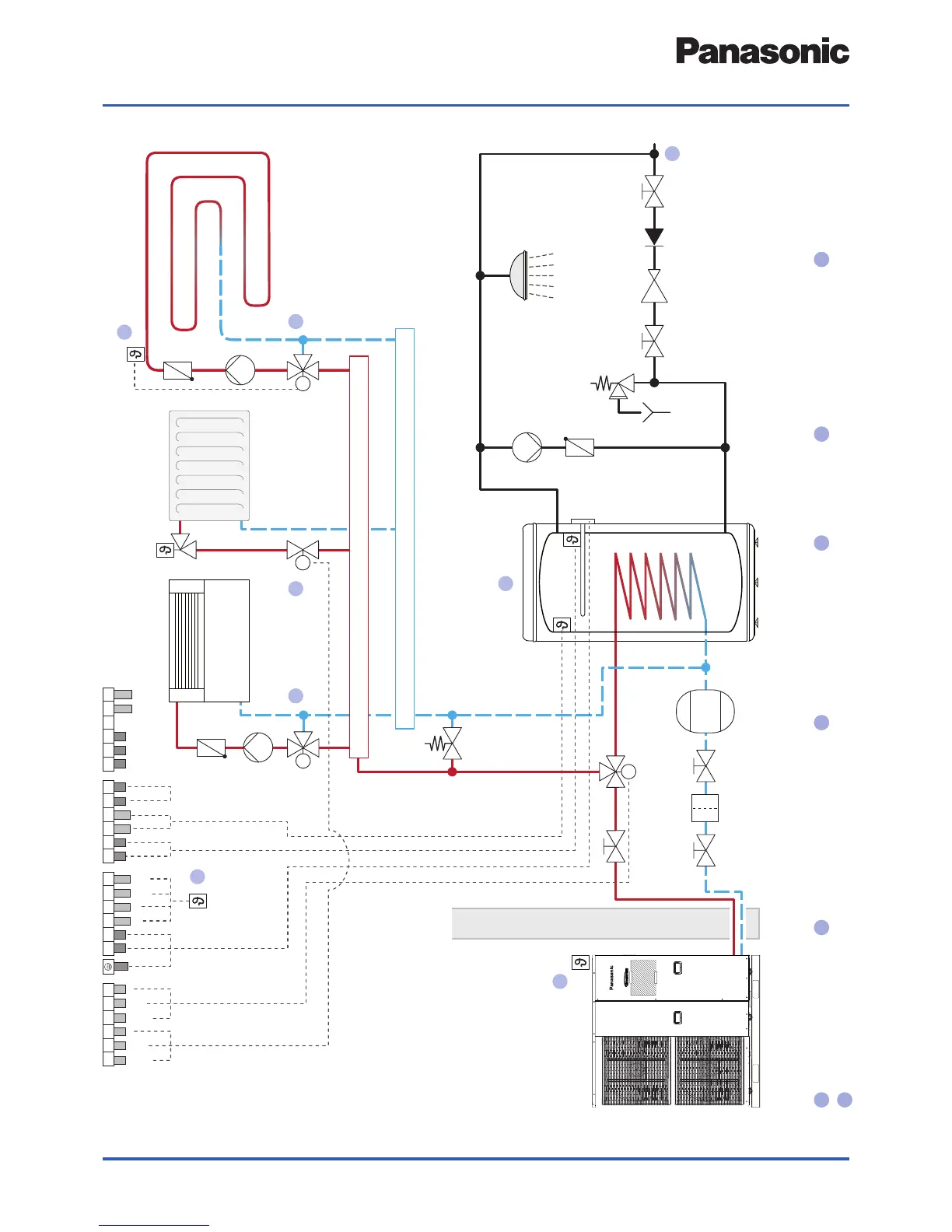
Example 2
Direct connection of heating circuits with bypass valve
Radiators can be switched off for cooling mode via 2-way directional valves
(image shows heating mode)
M
M
M
M
CLOSE
OPEN
N
1 2 3 4 5 6
7 8
9 10 11 12
13 14
15 16
17 18
19 20
21
22 23
CLOSE
OPEN
CLOSE
OPEN
N
COOL
HEAT
N
L
N
1
2
3
4
5
4 6
7
min.
50
l
1
Cold water connection
2
Room thermostat
3
Outside temperature sensor
(integrated in the outdoor unit)
4
Control for heating circuit
mixer (building side)
5
Hot water
tank
6
2-way directional valve
(open in the heating mode)
7
Dew point sensor
(building side)
Schematic illustration – relevant standards and
guidelines must be observed!
Vessel for increasing the total water volume - to be used
when the total volume is lower than the minimum volume.

Table of Contents

Other manuals for Panasonic WH-SXC09D3E5

Related product manuals