EasyManua.ls Logo

Panasonic WH-SXC09D3E5

Panasonic WH-SXC09D3E5
132 pages
To Next Page IconTo Next Page
To Next Page IconTo Next Page
To Previous Page IconTo Previous Page
To Previous Page IconTo Previous Page
Loading...
107
Aquarea air / water heat pump – design handbook 07 / 2014
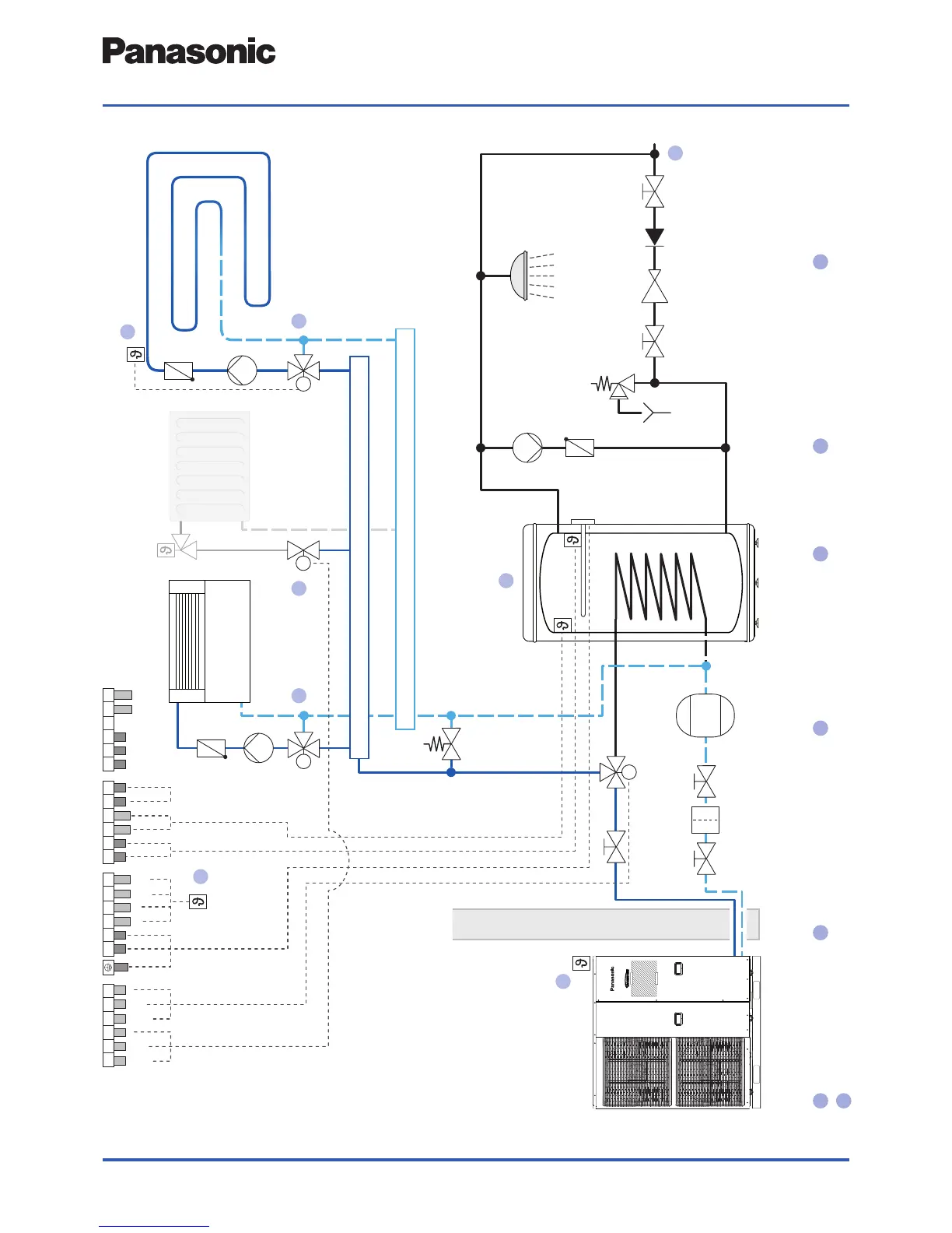
Example 3
Direct connection of heating circuits with bypass valve
Radiators can be switched off for cooling mode via 2-way directional valves
(image shows cooling mode)
CLOSE
OPEN
N
1 2 3 4 5 6
7 8
9 10 11 12
13 14
15 16
17 18
19 20
21
22 23
CLOSE
OPEN
CLOSE
OPEN
N
COOL
HEAT
N
L
N
M
M
M
M
1
2
3
4
5
4 6
7
min.
50
l
Schematic illustration – relevant standards and
guidelines must be observed!
5
Hot water
tank
1
Cold water connection
2
Room thermostat
3
Outside temperature sensor
(integrated in the outdoor unit)
4
Control for heating cir-
cuit mixer (building side)
6
2-way directional valve
(closed in the cooling mode)
7
Dew point sensor
(building side)
Vessel for increasing the total water volume - to be used
when the total volume is lower than the minimum volume.

Table of Contents

Other manuals for Panasonic WH-SXC09D3E5

Related product manuals