EasyManua.ls Logo

Panasonic WH-SXC09D3E5

Panasonic WH-SXC09D3E5
132 pages
To Next Page IconTo Next Page
To Next Page IconTo Next Page
To Previous Page IconTo Previous Page
To Previous Page IconTo Previous Page
Loading...
108
Aquarea air / water heat pump – design handbook 07 / 2014
Example 4
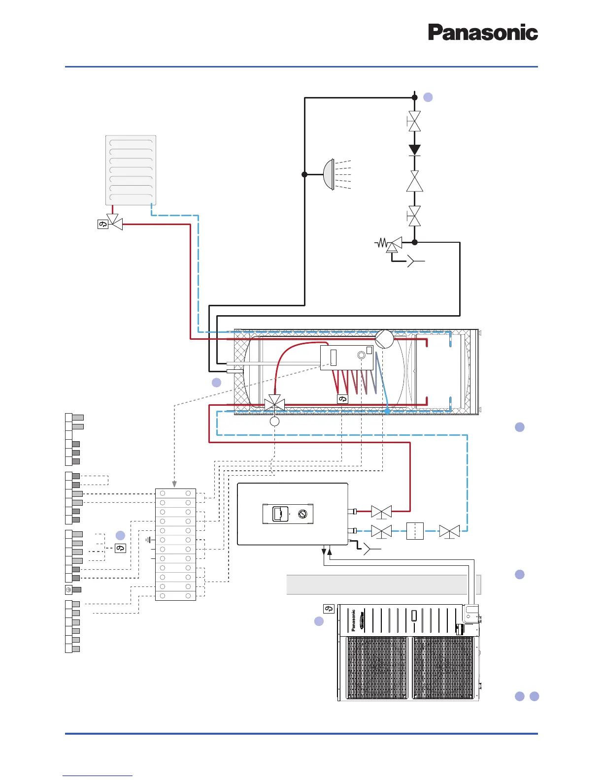
Aquarea tank – Hot water tank and buffer tank in a single unit
Compact hot water heating and hydraulic decoupling, minimum volume,
buffer and heating circuit pump integrated into a single tank unit
L N
CLOSE
OPEN
N
1 2 3 4 5 6
7 8
9 10 11 12
13 14
15 16
17 18
19 20
21
22 23
CLOSE
OPEN
CLOSE
OPEN
N
COOL
HEAT
N
L
N
1
2
3
4
12
11
10
9
8
7
6
5
4
3
2
1
M
Schematic illustration – relevant standards and
guidelines must be observed!
1
Cold water connection
2
Room thermostat
3
Outside temperature sensor
(integrated in the outdoor unit)
4
Aquarea tank

Table of Contents

Other manuals for Panasonic WH-SXC09D3E5

Related product manuals