EasyManua.ls Logo

Panasonic WR-201E - Residence; School

Panasonic WR-201E
41 pages
Print Icon
To Next Page IconTo Next Page
To Next Page IconTo Next Page
To Previous Page IconTo Previous Page
To Previous Page IconTo Previous Page
Loading...
CONCEPTSYSTEM EXAMPLESCONNECTIONSPRODUCTSBLOCK DIAGRAMS
11
2
SYSTEM EXAMPLES
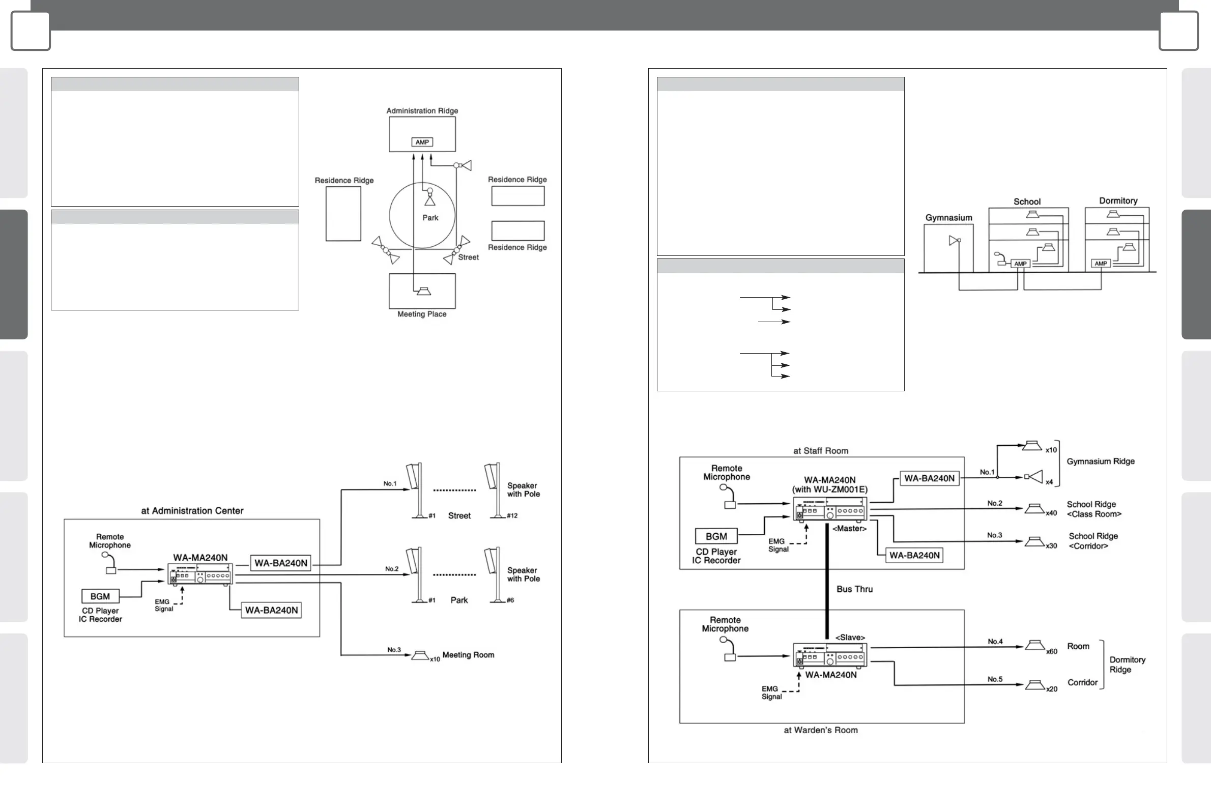
SCHOOL
CONCEPT SYSTEM EXAMPLES CONNECTIONS PRODUCTS BLOCK DIAGRAMS
10
2
SYSTEM EXAMPLES
RESIDENCE
Residence Outline
System Diagram
School Outline
System Diagram
FEATURES
KEY POINT
• Pages can be directed to individual zones.
• Broadcasts background music
• Chimes can be broadcast at regular intervals.
• In an emergency, an emergency message is broadcast to all
zones.
• WA-BA240N supplementary amplifier can be added for areas
where amplifier capacity is insufficient.
• Remote-controlled Microphone Connection
Allows remote microphones to be used for individual, group, all-
at-once emergency, and simultaneous 2-channel broadcasts.
• Additional Amplifier Connection
When additional capacity is needed.
• Other Features
A chime is built into the main amplifier unit. The optional Sound
Message Unit supports configuration of systems for regular
broadcasts or simple emergency announcements.
FEATURES
KEY POINT
• Cascade Connection
Normal: Transmits individually to specific amplifiers.
Emergency: All-zone announcement.
• Remote-controlled Microphone Connection
Allows remote microphones to be used for individual, group, all-
at-once emergency, and simultaneous 2-channel broadcasts.
• Additional Amplifier Connection
Supports additional amplifiers when changes in layout require
additional capacity.
• Other Features
A chime is built into the master amplifier unit. The optional
Sound Message Unit supports configuration of systems for
regular broadcasts or simple emergency announcements.
• Normal usage (transmit to individual amplifiers).
• Emergency usage (all-zone announcement to whole facility).
Gymuasium Ridge
School Ridge
Dormitory Ridge
Staff Room
Warden’s Room
Gymuasium Ridge
School Ridge
Dormitory Ridge
Staff Room

Related product manuals