EasyManua.ls Logo

ParaBody 425 - Page 8

ParaBody 425
30 pages
Print Icon
To Next Page IconTo Next Page
To Next Page IconTo Next Page
To Previous Page IconTo Previous Page
To Previous Page IconTo Previous Page
Loading...
3/8 X 3",
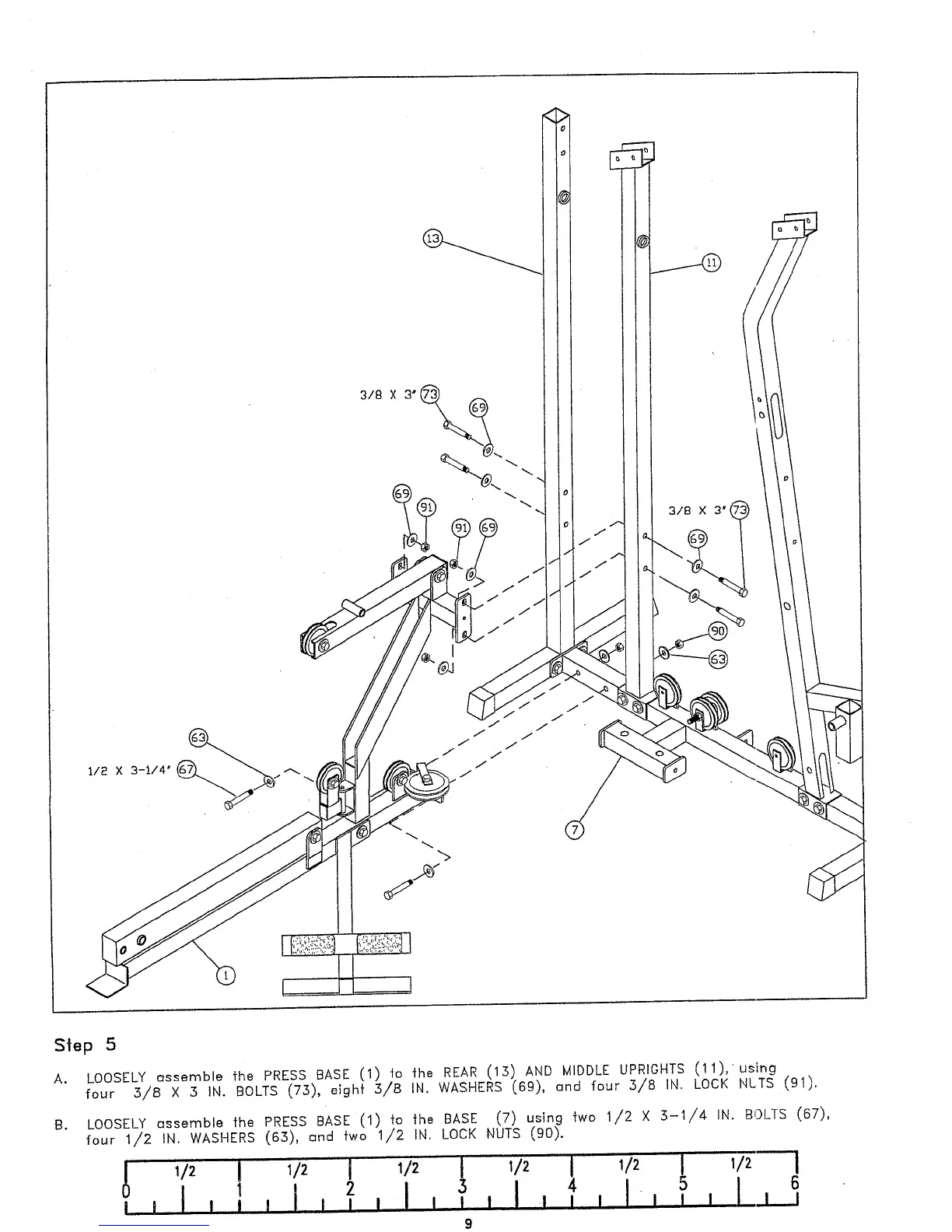
Step 5
A. LOOSELY assemble fhe PRESS BASE (1) to the REAR (15) AND MIDDLE UPRIOHTS (11),using
four 5/8 X 5 IN. BOLTS (75), eight 5/B IN. WASHERS (69), and four 5/8 IN. LOCK NLTS (91).
B.
LOOSELY assemble fhe PRESS BASE (1) to the BASE (7) using two 1/2 X 5-1/4 IN. BOLTS (67),
four 1/2 IN. WASHERS (65), ~nd two 1/2 IN. LOCK NUTS (90).
3
4
5
6
9

Related product manuals