EasyManua.ls Logo

Payne PH3G----A - Page 12

Payne PH3G----A
36 pages
Print Icon
To Next Page IconTo Next Page
To Next Page IconTo Next Page
To Previous Page IconTo Previous Page
To Previous Page IconTo Previous Page
Loading...
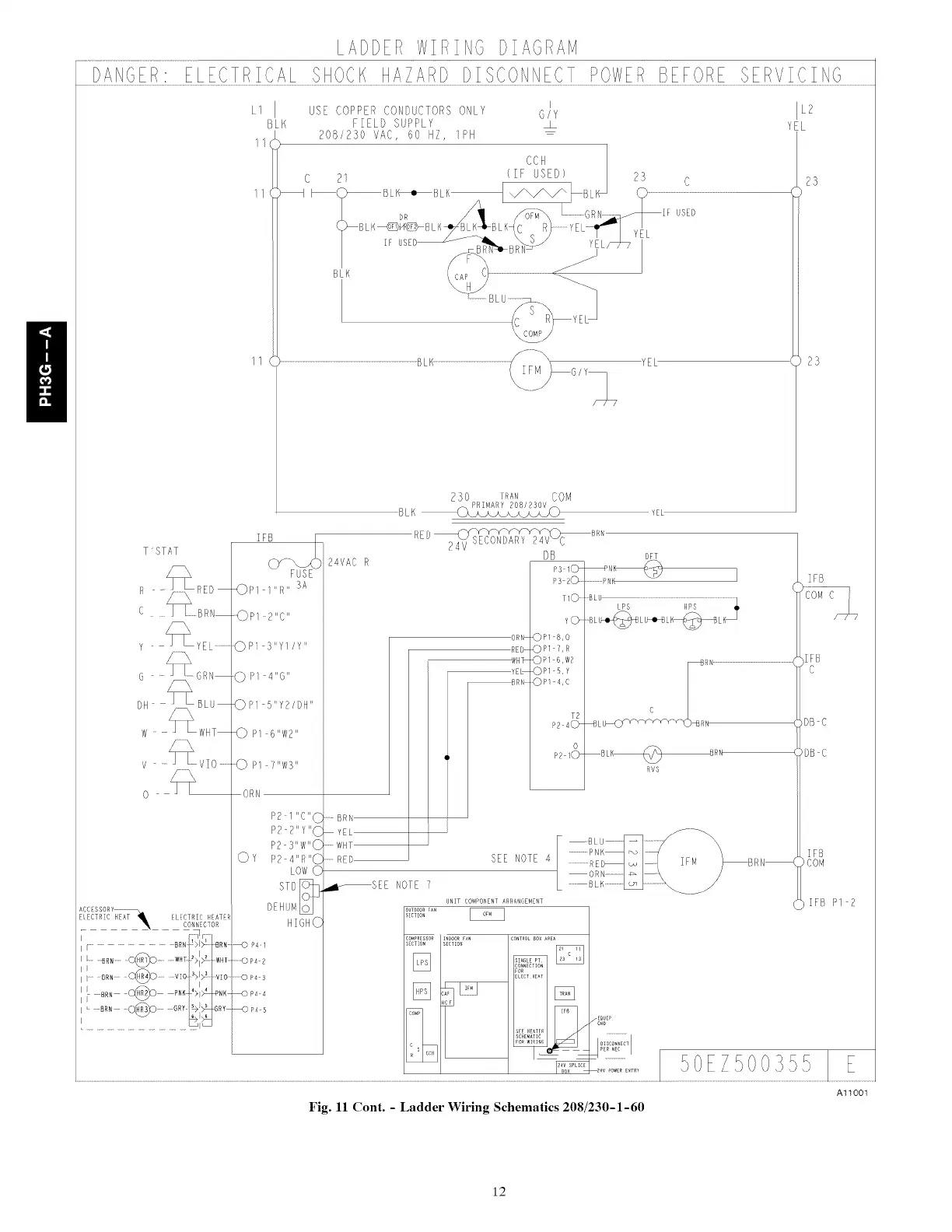
LADDER WIRING DIAGRAM
DANGER ELECTRICAL SHOCK HAZARD DISCONNECT POWER BEFORE SERVICING
L1
11
11
I
USE COPPERCONDUCTORSONLY G/Y
LK FIELD SUPPLY _ YE
208/230 VAC, 60 HZ, 1PH
C 21
BLK
YEL
230 TRAN COM
BLK YEL
L2
23
25
T 'STAY
Z_RE D
.....
Y
....._6RN
W
V
o
RED
OP1 ] IINII 3A
OP _lie II
OP 3Hy1/yII
{} } 4II(} II
0>1 5"Y2//}H"
0 P 611W2 II
0 _ [ IlW3 II
ORN
OY
p2 111Cll 0
P2 2llfll 0
P2 3 IlWllO
i)2 411 _ll 0
LOW0
STD
24VAC R
.... BRN
YEL
......WHT
RED
ORN
REb_
WH_
YE_
8R
DB
Ps lO-
Ps 20
T/O ....
y_
OP1 8,0
OP1 7,R
OP/ 6,w_
OP1 s,Y
OP 4,c
T2
P2 40
0
P2 ©'_
......... PHK
DFT
RVS
SEE NOTE 4 IFM
/
I_SEE NOTE 7 /
IFB
IFB
c
DB C
)DB C
UNIT COMPONENT ARRA_6EME_T IFB P1 2
AC{ SSORY \_ DEHUM ) T_OOR FA_
ELECTRIC bEAT LECTRIC ATER HT_H#_ _ECTION
_ CON_,EDTOR N 2_ N \J
_1 I :Ou_PRESBOJt [NgC#)_ F#N CONTROL SO£ AREA
II ........................................ P41 ECTIO ........ _
_1_
I 4 IF<
.....oR,_ /, RY<_s
A11001
Fig. 11 Cont. - Ladder Wiring Schematics 208/230-1-60
12