EasyManua.ls Logo

Payne PH3G----A - Page 13

Payne PH3G----A
36 pages
Print Icon
To Next Page IconTo Next Page
To Next Page IconTo Next Page
To Previous Page IconTo Previous Page
To Previous Page IconTo Previous Page
Loading...
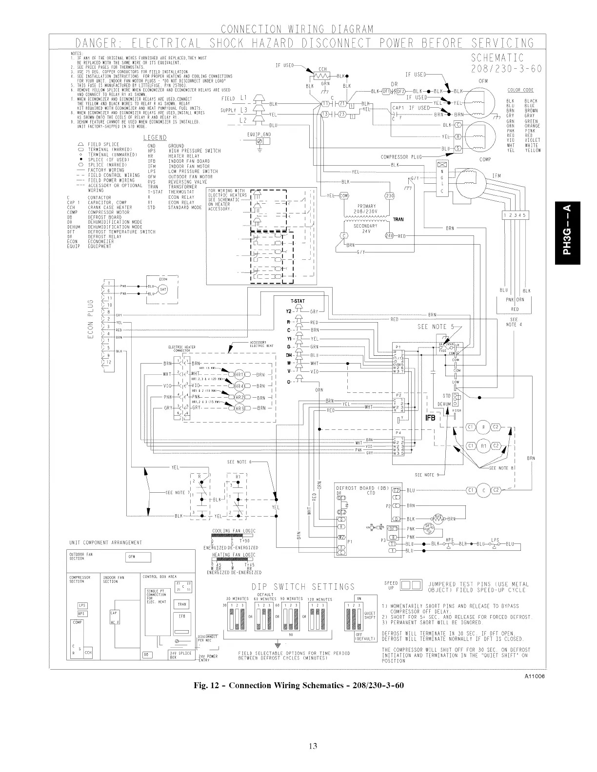
CONNECTION WIRING DIAGt{AM
DANOER ELECTRICAL SHOCK HAZARD DISCONNECT POWERBEFORE SERVICINO
NOTES:
, _RANYOETHEORIGINALW_RESENRN_SHEUNRfRfTLACEU,THfYNNST SCHEHATIC
RE HENLACEDWITH THE SAMEWIRE OH ITS EQUIVALENT IF USED
SEE TRICE PAGES FOR THERMOSTATS CCH
S2USEISDEGCOTTENCO@UNORSFORF[ELDINSTALLAT[ON _ ...... 208/230 3 @0
4
SEE INSTALLATIONINSTRUCTIONS FOR PROTER HEATING AND COOLING CONNECTIONS _VV_BLKO Ir UOLU
FORYOURUNN INDOORFANMOTORPLUGS lifo NOTDISCONNECTUNDERLOA_" _ _ _n _. OFM
_ THIS FUSE[S NAHNEACTUREDBY LITTELFNSE,N N 2DT0 OR B LK _"_ B LH u_ EDI_B LL%
ANQRENOVEcoNNEcTYELLOWToSPLICERELAYWIRER1AsWHENsHowNECONOMIZERAND ECONOWlZERRELAYSARE USED I /_....... 1 / ........BLK_F ......BLUus BLK BLK_ COLOR CODE
7 WHEN ECONONHER AND ECONOWIIERRELAYS ARE USED,CONNECT FIELD L _ \ c I/ _ / x 8LK
THE YELLOWAND BLACK WIRES TO RELAY R AS SHOWN RELAY LSLR \,_F_/d _d UL_ _ vEL_'_II YEL _ .... _ } .... _K
KIT REQUIREDWITHECO@NHERAND HEATPUMTIDUALFUEL UNITS SuppLy I# _ " ' LJ rMEL] ...................\I CAP_ IF JSED _ \ / _ _b£_M
N WHEN ECONOMIZERAND ECONOMIZERRELAYS ARE USED,INSTALLWIRES _ _ LyE L $_ /,IS\ I _I MWWh_"O _RN \\_d /Z_ ........
ASSHORNONTOTHE COILS OF RELAYR ANDRELAYR1 L2 _ _ _ I _' F _ b "_Y_7 GRY GRAY
DEHUN FEATURECANNOTBE USED WHEN ECONOMIZERIS INSTALLED GRN GREEN
9 UNIT FACTORYSHIPPEDIN STONODE _BLH_ [ ..................1_ BLK__ ORN ORANGE
PNH PINK
...... E@DIP GNU I _ RED RED
LLbL_U VIO VIOLET
_FIELDSPLICE GND GROUND _I _.,K_. / WHT WHITE
TERMINAL {MARKED) HPS HIGH PRESSURE SWITCH _ _KU YEL YELLOW
o TERMINAL {UNMARKED) HR HEATER RELAY __
COMPRESSOR PLUG--
COMPRESSOR
SECTION
COMP
Ru_
R
INDOOR FAN
SECTION
CONTROLBOX AREA
SINGLEPT _
CON_ENION
FOR
ELEC HEAT _
ENERGIZED DE ENERGIZED
DIP SWITCH SETTINGS
DEFAULT
30 MINUTES 60 _[NUTES 9Q MINUTES 120 MINUTES
o_ OR O_
+
FIELD SELECTABLE OPTIO S FOR TIME PERIOD
BETWEEN DEFROST CYCLES (MINUTES)
EST I,S OSE
uY _
OBJECT) FIELD SPEED UP CYCLE
I) MOMENTARILY SHORT PINS AND RELEASE TO BYPASS
COMPRESSOR OFF DELAY
2) SHORT FOR S+ SEC AND RELEASE FOR FORCED DEFROST
5) PERMANENT SHORT WILL BE IGNORED
DEFROST WILL TERMINATE IN 30 SEC IF OFT OPEN
DEFROST WILL TERMINATE NORMALLY IF DFT IS CLOSED
THE COMPRESSOR WILL SHUT OFF FOR 30 SEC ON DEFROST
INITIATION AND TERMINATION IN THE "OUST SHIFT" ON
POSITION
Al1006
Fig. 12 - Connection Wiring Schematics - 208/230-3-60
13