EasyManua.ls Logo

Payne PH3G----A - Page 14

Payne PH3G----A
36 pages
Print Icon
To Next Page IconTo Next Page
To Next Page IconTo Next Page
To Previous Page IconTo Previous Page
To Previous Page IconTo Previous Page
Loading...
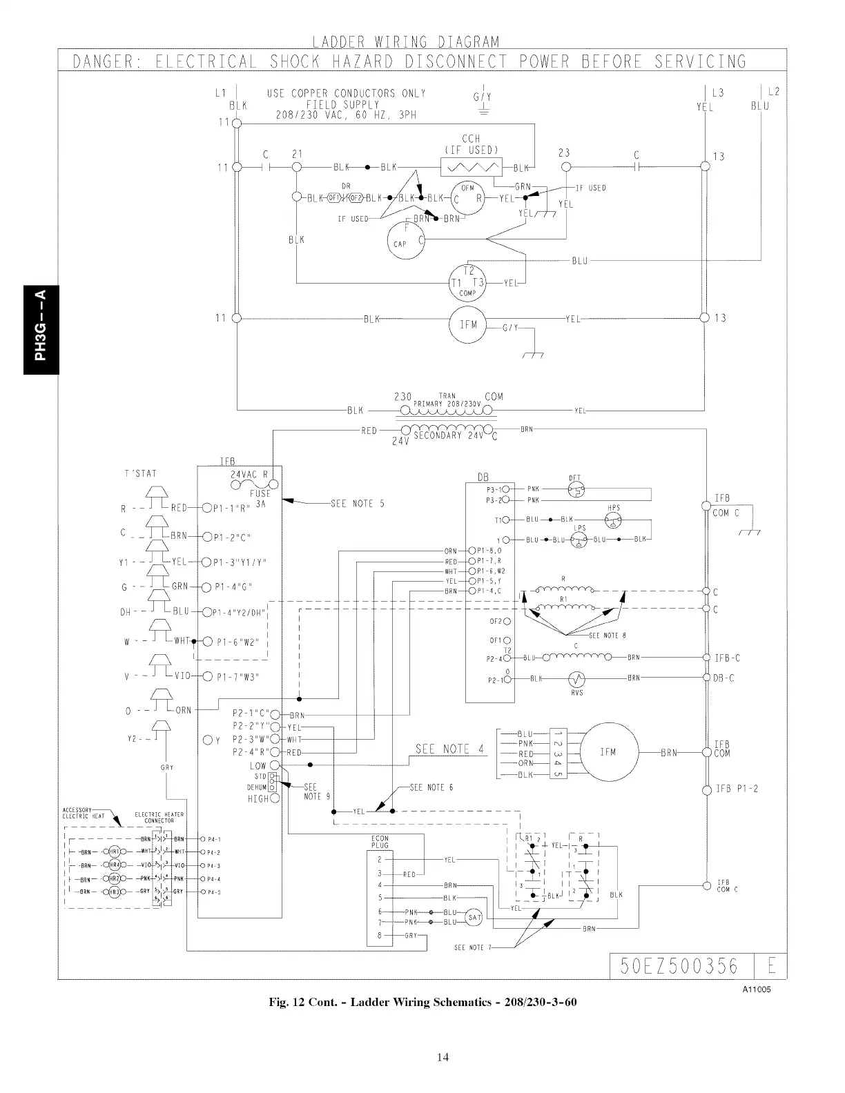
LADDER WIRING DIAGRAM
DANGER ELECTRICAL SHOCK HAZARD DISCONNECT POWER BEFORE SERVICING
L1
11
BLK
I
USE COPPER CONDUCTORSONLY G/Y
FIELD SUPPLY
208/230 VAC, 60 HZ, 3PH
C 21
_(
CCH
(IF USED; 25 C
DR If USED
BLK
IF
YEL
230 TRAN COM
BLK _P_
IL5
YEL
YEL
BLU
'(EL
13
YEL
T'STAT
R - _RED
C _ -_BRN--
_ z_yE L
YI ........_GRN
W _
v
0 -
GRY
ACCESSORYHEAT _
EL CTRIC ELECTRIC HEATER
CONNECTOR
,_ ONNgI_N,
I 2 z
- aaN........ HNR 1015# IVIO
RRN-- -_3_0-- -GRY r}]> s !GRY
FUSE
_P1 I IIR II 5A
_[_)m 2"C"
OP 3"YI/Y"
P1 4II6 II
_}}P1 4"Y2/DH"
D1 6IIW2II
_[) P1 7IIWS''
.............................i
P2 1 IlCll O
P2 2IIyII O
O Y P2 SIIWI'O
P2 4II R II O
LOWO
OP4 3
OEHU_
HIGHO
"q_'_--SEE NOTE 5
r ........
F
F
--BRN
{E_
VHT
_ED
LSEE
NOTE
ORN
RED
WHT
YEL
SEE NOTE4
f
DB
PSG
PS20 ....
TC_
y()-
OP_ 8,0
()P1 7,R
OP1 6,W2
OP1 5,Y
OF20
omO
T2
_240
0
P2 iO
I
..................... I
DFT
P,K
..............PNK
HPS
R
I_ _w¸Y__Y_6"
C
RVS
IFB
)C
)C
IFB C
DB C
IFB
_COM
If8 P1 2
IFB
COM C
L2
BL
Fig. 12 Cont. - Ladder Wiring Schematics - 208/230-3-60
50EZ500356
A11005
14