EasyManua.ls Logo

Payne PH3G----A - Page 15

Payne PH3G----A
36 pages
Print Icon
To Next Page IconTo Next Page
To Next Page IconTo Next Page
To Previous Page IconTo Previous Page
To Previous Page IconTo Previous Page
Loading...
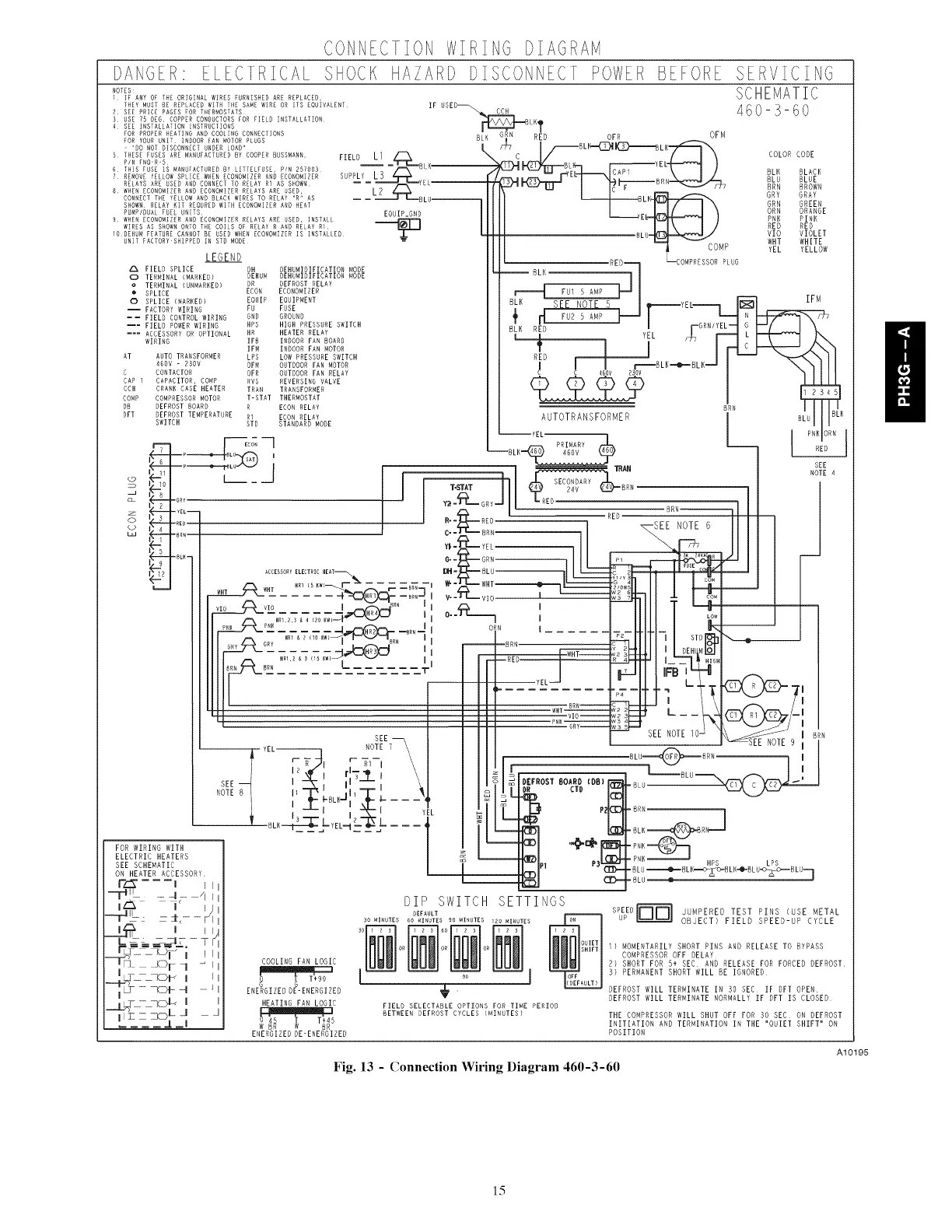
CONNECTION W_RING D_AGRAM
DANGER ELECTRICAL SHOCK HAZARD D_SCONNBCT POWERBEFORE SERVICING
NOTES: SCHEMATIC
1 IF ANY OP THE ORIGINAl WIRES FDRNISHEH ARE REP{ACED,
THEY MUST BE REPLACEDWIT THE SANE WIRE OR ITS EQUIVALENT IF USED_ N P A "_ P
2 SEE PRICE PAGES OR THERMOSATS CCH - -
F T _ CCH q-OU ,_ OU
3 USE 75 DEG COPPER CONDUCTORS FOR FIELD INSTALLATION
F_4 SEE INSTALLATION INSTRDDIIONS BIK I'
FOR PROPERHEATING AND COOLING CONNECTIONS _'_ GRN PM _rm OFM
FOR YOURUNIT INDOOR FAN MOTORPLUGS _LK ,,L_ BLH ""
'DO ROT DISCONNECT UNDER LOAD" I T_ I f-------- "='(Z_L,_
S TNESE FUSES ARE MANUFACTURED BY COOPER BUSSMANN, FIELD LI /'-X _ C l/ [ l _ COLOR CODE
PIN FNQ R-S Ji =_B[ K= --- _ _I_ K--,B _YEb I
G rHlS fUSE!S MAN_AClUREDHY i IE_USL P/NHSlOOS _ "_ '_S",-_ ICAPI ' ' ' °'N °'ACE
7 REMOVE YELLOWSPICE WHENECONOMIZERAND ECONOMIZER SUPRLY L3 _ "/j_s_j. -- _ rYEL-J'_'_P "_r \ I / _,L. _,L._
RELAYS ARE USED ANDCONNECT TO RELAY RI AS SHOWN -- -- I'="J_YEL ,_i.3_"_ _ I _-)L-_"--BIIN'--_.J_T'_I, _LU _LX_,N'
8 WHENECONOMIZERANDECONOMIZERRELAYSAREUSED, L2 S I if- -- _ I l_'r __ _ '" k':" ;m_7"
CONNECTTHE YELLOWAND BLACK WIRES TO RELAY "R" AS I - _BLU-- / I I _BLR_ bKY MKA,
SHOWN RELAY Nil REQUREDWIIN ECONOMIZERAND NEAF | I I I -- I_I / I X GRN GREEN
PUMP/HUA FUEL UNITS EQUIP GHD /11 I I--I/ I \ ORN ORANGE
9 WHEN ECONOMIZERANDECONOW{ZERRELAYS ARE {SED. INSTALL .... Z - / II _-"'-'YEL"'_._"""_"'_ ] PNK PINK
WIRES AS SNOWN ONTO TUE COILS Of RELAY R AND RELAY R1 _ I I I I I \ I / RED RED
lO DEll N FEATURECANNOT BE USED WUER ECONOMIZERIS INSTALLED ,,L _BL i_J VIO VIOLET
UNIT FACIORY_SH]PPEH IN STD MODE _ I I I _ v WHT WHITE
LEGEND III # COM_ YELYELLOW
-- II _RED'='_ L_DOMRNESSONPLUG
Z2, FIELD SPLICE OH DEHUMIDIFICATION MODE _ _LK .
0 TERMINAL (MARRED} DENUM DEHUMIDIFICATION MODE
DRDEFROSTRELAY '--
o TERMINAL {UNMARKED)
SPLICE ECON ECONOMIZER
O SPLICE (MARRED) EQUIP EQUIPMENT l BLK _ J --ym _ IFM
-- FACTORY WIRING ru rUSE ,_ cu
--FIELDDORTROLWIRIRGGNDGNOHND 1 r----
--- FIELD POWER WIRING HPS HIGH PRESSURE SWITCH I B[K R[_ I I--DRN/YELJl G l-'-J/ I
--- ACCESSORY OR OPTIONAL HR HEATER RELAY I _ '_' YEL _ _ L }"-'--_-"'_'_ I"-_
WIRING IFH INDOOR FAN BOARD //!
IFMIRDOORFARMOTOR I__ i ' l_4D_--k----J_"
AT AUTO TRANSFORMER LPS LOW PRESSURE SWITCH ] RE] ,_ J ] _ ""_-.-_'<_ ]
4DOV- RHOV OFM OUTDOORFANMOTOR J "i _ l l r ---"HLK'_BLD'_ I \ "h I I
C CONTACTON OFR OUTDOOR FAR RELAY C C 46or 2SRV
CAP CAPACITOH, DOWP RUB REVERSING VALVE __
DDH CRANK CASE HEATER TRAN TRANSFORMER
ROMP COMPRESSOR MOTOR T-STAT THERMOSTAT
DB DEFROST BOARD R EEOR RELAY -- HRN
OFT DEFROSTTEMPERATURE RI ECON RELAY I _ H'HN HILlII
SWITEN STHSTANHARHMODE L--.--__MAR,.-L IN_RF
--_LR_ _
-- --P_LL_J SEE
I1 ]ll "
T-STAT BRN
F-H
0 R- - RED-- - RED
_ c-- HRN---
w _ : y|._Z_.--yIL--. II
_ 2.'j" rx _____ .:_--WNT _--,l_---
.... v..R_v,oi
v,o___3-L...... A_ ,'
I ORN I.... IT.TGT ,-"""-i _, / ",,.____
GUY PRY i -- _" BRN -
- ,_-:==_=k_ ,,, ]Z_RED
........ "_ ____..'_ T= _= "r
rP''- III YEL-J
HOTE_ il'T _1 .I,T. _/ I_ItL"_ _'_ IN "_N
FOR WIRING WITH -NL ...... ------L._ _l,l ,_I_ i:ii _ R
ELECTRIC HEATERS HRS ERR
SEE SCHEMATIC .8 Lg =.=.=._ BL H_O_.>.B LH.4_..BL .<>.__c.j NLU_ION HEATER ACCESSORY
-BLU
--M_ /I II
], _,, DIP SWITCH SETTINGS r_
DEFAULT SPEED _ JUMPERED TEST PINS (USE METAL
---F___ :1 z _<-- -- F/I I
30 MINUTES _0 MINUTES 90 MINUTES ZO MINUTES U" OBJECT) FIELD SPEED-UP CYCLE
EI_--T_-i I I I ...... COMPRESSOR orr DELAY
--'--F_L - _F _ _ I I COOLING rAN LOGIC R) SHORT FOR S* DEC AND RELEASE FOR FORCED DEFROST
____ _CD_ I II _ [_ _ _o " " "[ H) PERMANENT SHORT WILL BE IGNORED
i i T- -- _J- -4 ] I ENERGIZED DE-ENERGIZED _V " DEFROST WILL TERNIHATE IN 30 DEC IF OFT OPEN
DEFROST WILL TERMINATE NORMALLY IF OFT IS CLOSED
-- _<_ I I HEATING FAN LOGIC FIELO SELECTABLE OPTIONS FOR TIME PERIOD
--u _ _-_L J ......] E]I_II_I_I_I BETWEEN DEFROST CYCLES (MINUTES)
......... _ _5 _ T_45 THE COMPRESSOR WILL SHHT OFF FOR SO SEC ON DEFROST
----..k _I W BR W BR INITIATION AND TERMINATION IN THE "QUIET SHIFT" ON
EHERGIZED DE-ENERGIZED POSITION
A10195
Fig. 13 - Connection Wiring Diagram 460-3-60
15