EasyManua.ls Logo

PB EC Series - Page 11

Default Icon
36 pages
Print Icon
To Next Page IconTo Next Page
To Next Page IconTo Next Page
To Previous Page IconTo Previous Page
To Previous Page IconTo Previous Page
Loading...
9
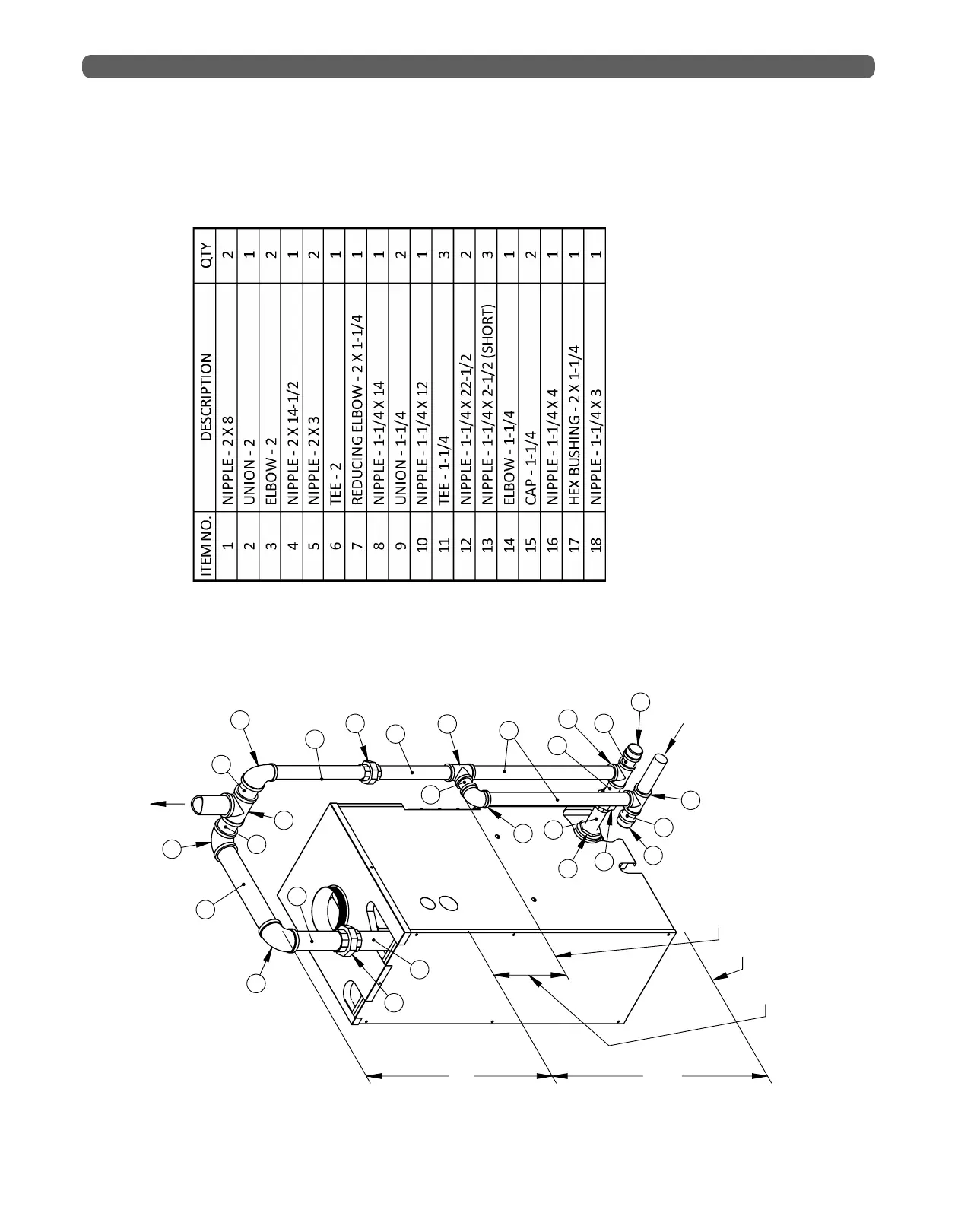
PIPING & CONTROLS
Figure 3.1: Steam; Near Boiler Piping - EC(T)-e-03
COLD WATER
INLET
STEAM
SUPPLY
2
4
5
5
3
3
6
7
8
9
10
12
13
18
11
14
11
11
9
16
13
15
13
15
32 1/4"
N.W.L.
24"
FLOOR LINE
NORMAL
WATER LINE
2" TO 4" BELOW NORMAL WATER LEVEL
TOP OF ELBOW
1
1
17
NEAR BOILER PIPING - SINGLE SUPPLY: MODEL EC/ECT-03
EC8053 R1
BOTTOM OF HEADER