EasyManua.ls Logo

PB EC Series - Page 20

Default Icon
36 pages
Print Icon
To Next Page IconTo Next Page
To Next Page IconTo Next Page
To Previous Page IconTo Previous Page
To Previous Page IconTo Previous Page
Loading...
18
ELECTRICAL
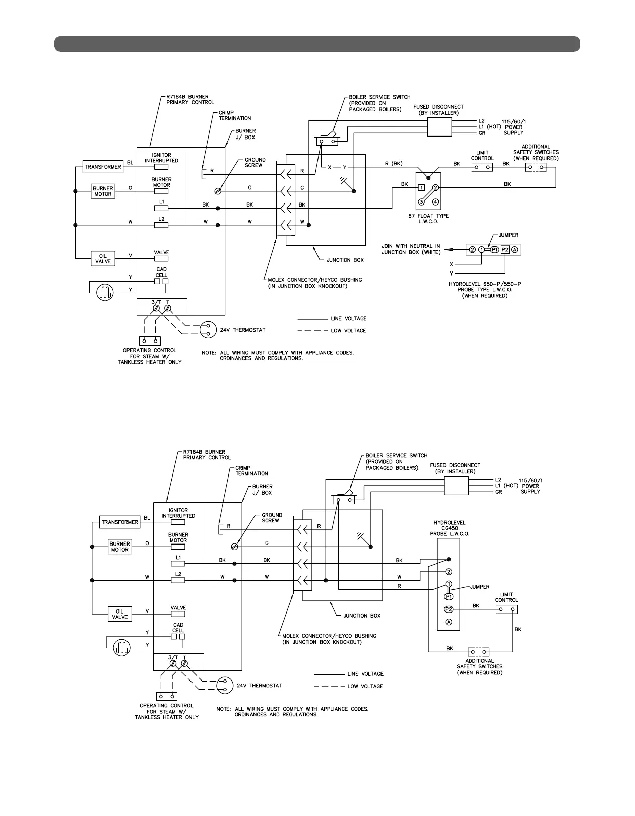
Figure 4.3: Steam Boiler with Probe Low Water Cut-Off
Figure 4.2: Steam Boiler with Float Low Water Cut-Off