EasyManua.ls Logo

Peak 209 - Load Testing; Operation Instructions; Lifting a Vehicle

Peak 209
40 pages
Print Icon
To Next Page IconTo Next Page
To Next Page IconTo Next Page
To Previous Page IconTo Previous Page
To Previous Page IconTo Previous Page
Loading...
Товариство з обмеженою відповідальністю "АЛДІТОП"
Продажа 050-660-22-31
Сервис 050-415-60-94
27
4. Test with load
After finishing the above adjustment, test running the lift with load. Run the lift in
low position for several times first, make sure the lift can rise and lower
synchronously, the Safety Device can lock and release synchronously. And then test
run the lift to the top completely. If there is anything improper, repeat the above
adjustment.
NOTE: It may be vibrated when lifting at start, please lifting it with load for several
times, the air would be bled and the vibration would be disappeared
automatically.
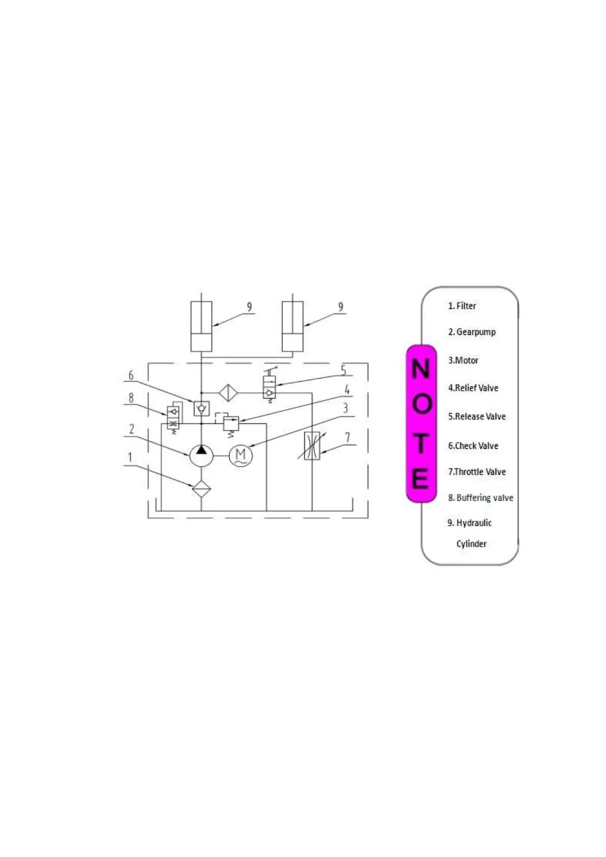
Fig. 50 Hydraulic System
VI. OPERATION INSTRUCTIONS
Please read the safety tips carefully before operating the lift
To lift vehicle
1. Keep clean of site near the lift;
2. Position lift arms to the lowest position;
3. To shortest lift arms;
4. Open lift arms;
5. Position vehicle between columns;

Related product manuals