EasyManua.ls Logo

Peavey S-24

Peavey S-24
32 pages
To Next Page IconTo Next Page
To Next Page IconTo Next Page
To Previous Page IconTo Previous Page
To Previous Page IconTo Previous Page
Loading...
28
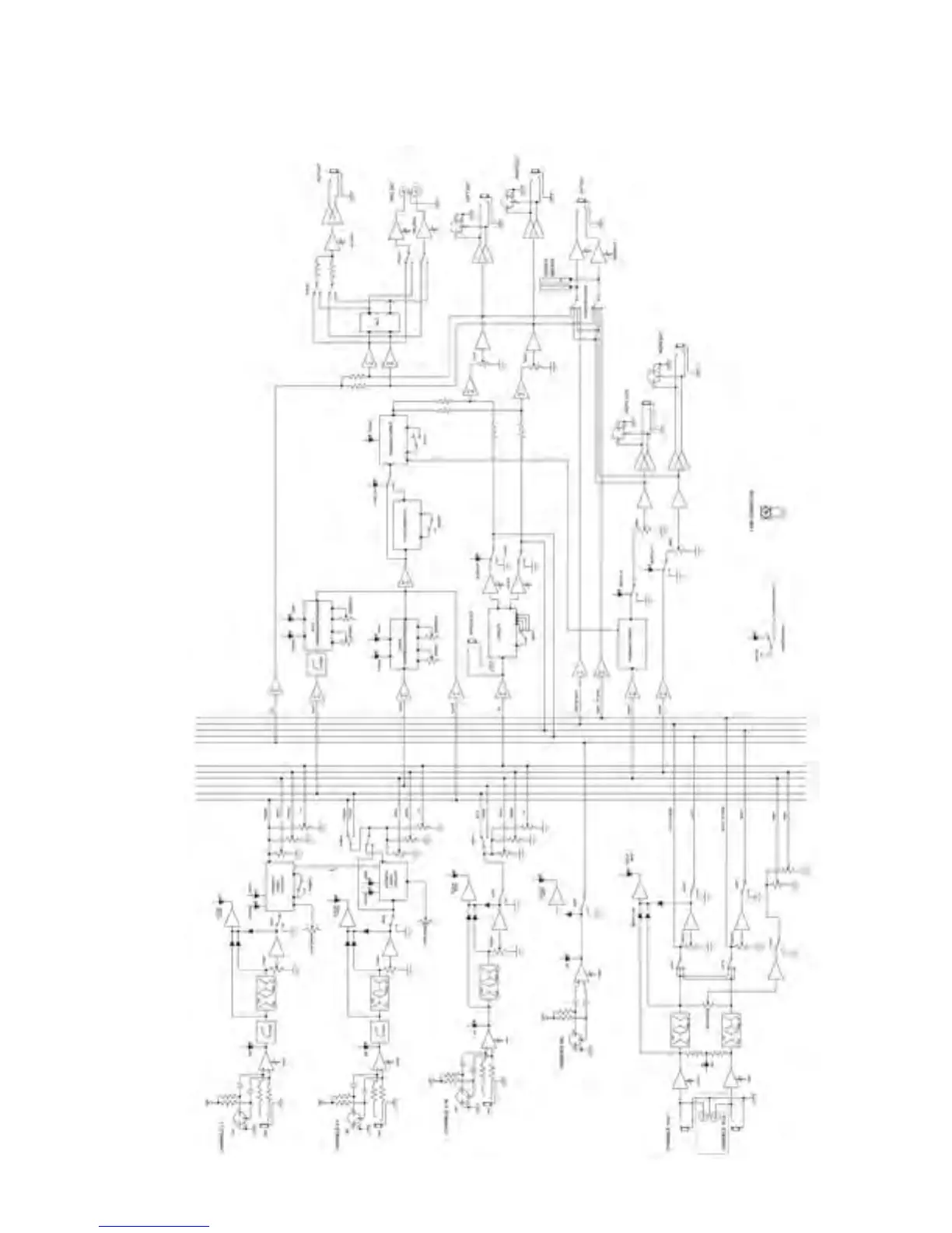
S-24
Block Diagram

Related product manuals