EasyManua.ls Logo

PEERLESS PureFire PF-210 - C. Zone Circulator Wiring; D. Internal Wiring

Default Icon
92 pages
Print Icon
To Next Page IconTo Next Page
To Next Page IconTo Next Page
To Previous Page IconTo Previous Page
To Previous Page IconTo Previous Page
Loading...
34
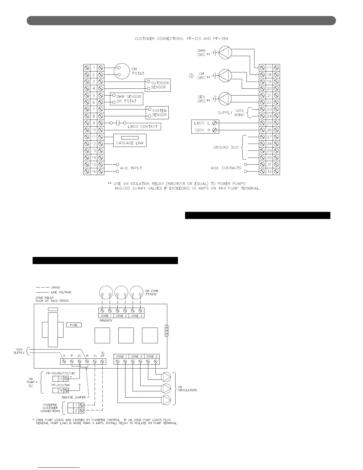
ELECTRICAL CONNECTIONS
Figure 7.3: Customer Connections – PF-210 & PF-399
f. Terminals 27 through 30 are a ground bus for any
line voltage ground connections.
g. Terminals 31 & 32 are not yet active.
5. Note that the service switch does not disconnect
power to the convenience outlet.
C. ZONE CIRCULATOR WIRING
Wiring for a typical circulator zone relay is shown in
Figure 7.4.
D. INTERNAL WIRING
Figure 7.5 shows the complete boiler wiring schematic for
PF-50, PF-80, PF-110 and PF-140 boilers. Figure 7.6
shows the schematic for the PF-210 and PF-399 boilers.
The following is a list of internal wiring components.
1. User Interface: The user interface is attached to the
front of the electrical junction box and is accessible by
removing the tinted lens on the front of the boiler.
This interface allows users and installers to
communicate with the control.
2. Supply Sensor/Limit Switch: This component, located
on the left header is a thermistor that provides
temperature information to the control. Also
incorporated into this component is a high
temperature limit switch that will prevent the boiler
from operating if the supply water temperature is
above 195°F (91°C). Be sure to use only a P
UREFIRE
®
supply thermister for this boiler.
3. Return Sensor: This thermistor is also located on the
left header toward the rear of the boiler. It provides
return temperature information to the control. Be sure
to use only a P
UREFIRE
®
return thermistor for this
boiler.
4. Flue Sensor: This thermistor provides flue
temperature information to the control. It is located in
the back of the electrical junction box behind the user
interface.
5. Condensate Drain Float Switch: This switch is
mounted in the condensate collector below the heat
exchanger in the rear of the cabinet.
6. Service Switch: The service switch interrupts the
power to the P
UREFIRE
®
boiler to allow service to be
performed.
Figure 7.4: Typical Zone Circulator Relay Wiring

Table of Contents

Related product manuals