EasyManua.ls Logo

PEERLESS PureFire PF-210 - Page 53

Default Icon
92 pages
Print Icon
To Next Page IconTo Next Page
To Next Page IconTo Next Page
To Previous Page IconTo Previous Page
To Previous Page IconTo Previous Page
Loading...
51
BOILER CONTROL: INTERNAL WIRING & OPERATION
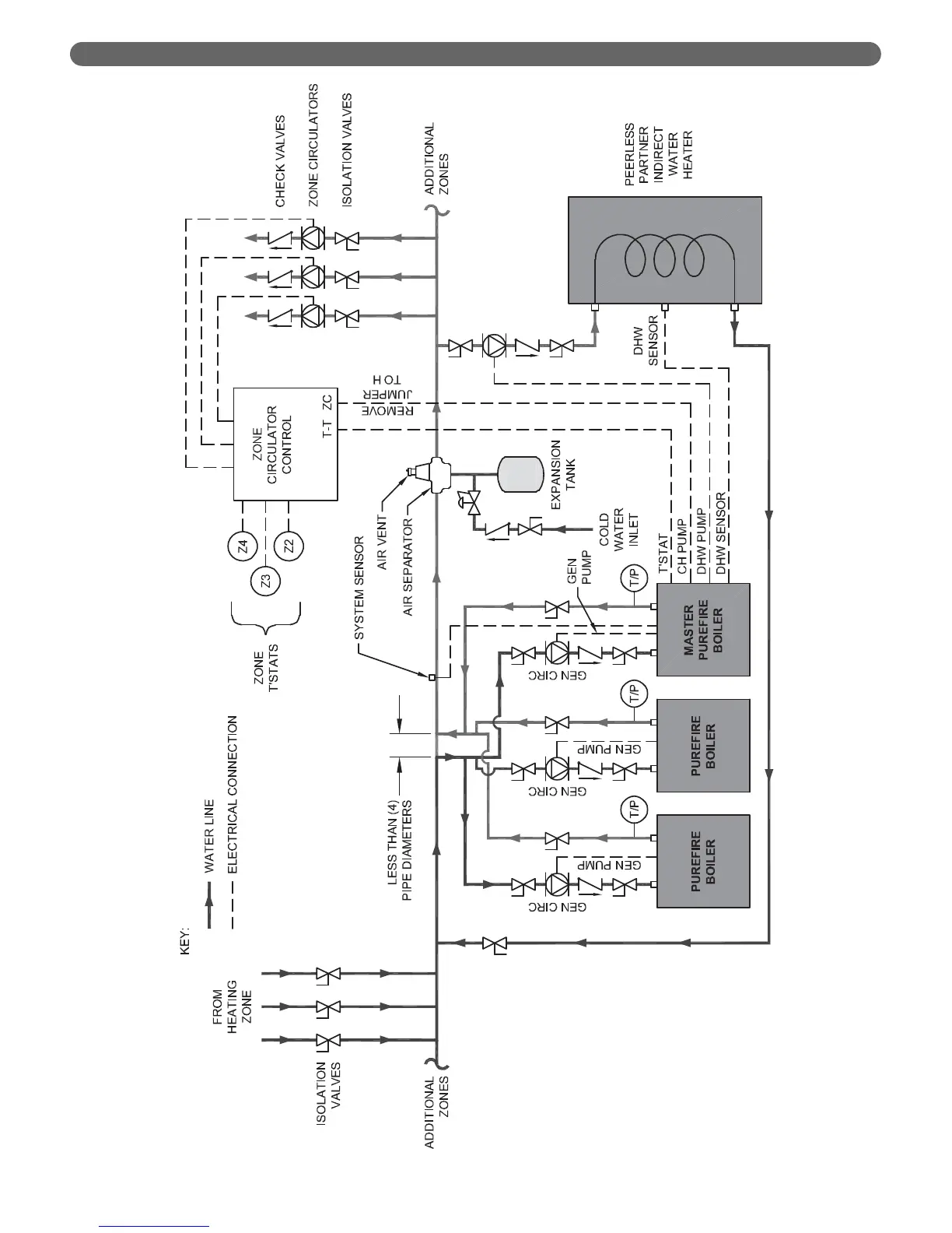
Figure 8.5: Multiple Boiler (Cascade) Piping / Electrical Connections for Systems with Zone Circulators

Table of Contents

Related product manuals