EasyManua.ls Logo

PENSOTTI DK2-3 - Page 11

PENSOTTI DK2-3
29 pages
Print Icon
To Next Page IconTo Next Page
To Next Page IconTo Next Page
To Previous Page IconTo Previous Page
To Previous Page IconTo Previous Page
Loading...
9-1-2009
10
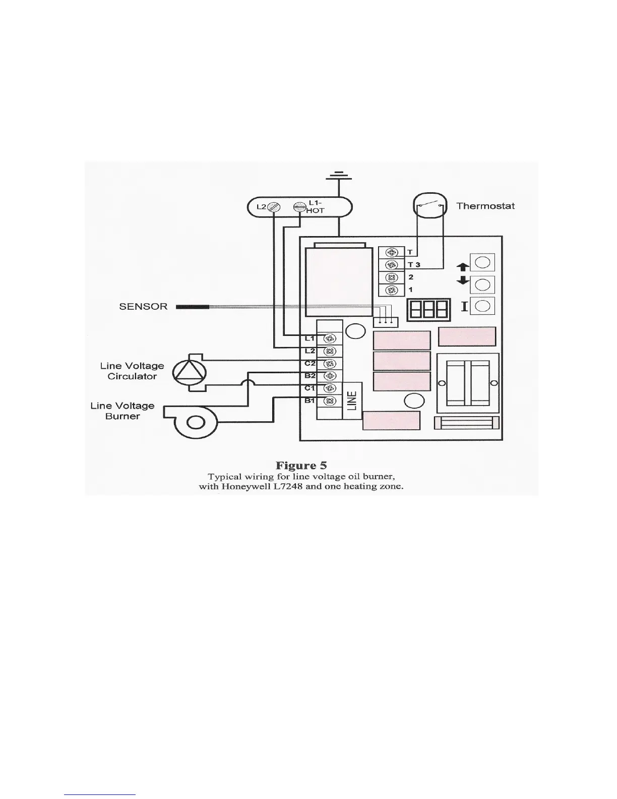
The Quatech boiler should be equipped with a burner that includes a 15 second pre-purge control.
This will insure smooth quiet starts and optimum operating performance. The use of a post purge is
recommended with mechanical draft systems.
Figure 5, figure 6, figure 7, and figure 8, show wiring diagrams for use of the
Honeywell L7248 and the Carlin 90000B high limit controller along with installation
for a powerventer application and the wiring of a priority indirect with a Taco SR503
or equivalent.

Related product manuals