EasyManua.ls Logo

Pentair JUNG PUMPEN BASICLOGO AD 46 ExM - Page 68

Pentair JUNG PUMPEN BASICLOGO AD 46 ExM
80 pages
Go to English
To Next Page IconTo Next Page
To Next Page IconTo Next Page
To Previous Page IconTo Previous Page
To Previous Page IconTo Previous Page
Loading...
68
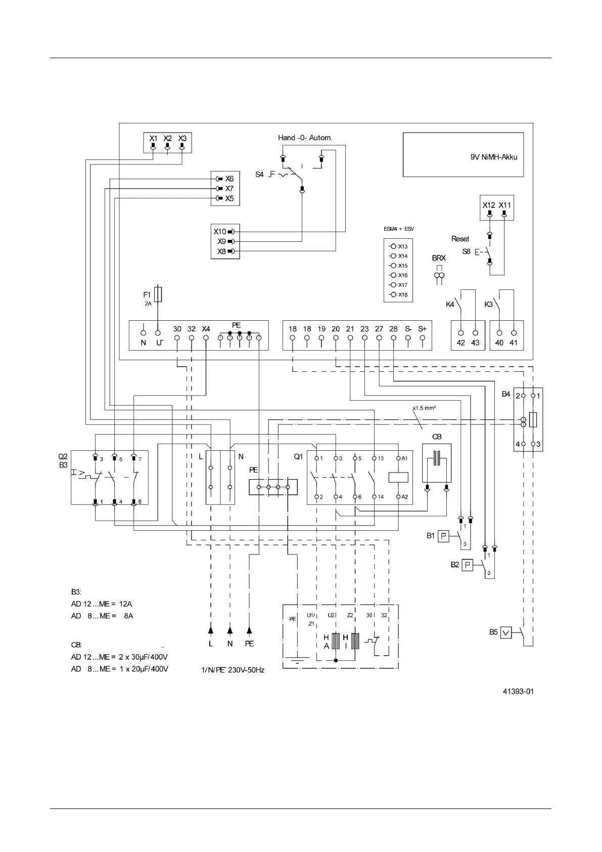
AD ... XME / AD ... ExME, TLS

Related product manuals