EasyManua.ls Logo

Perkins 1106C-E70TA - Engine Governor

Perkins 1106C-E70TA
31 pages
Print Icon
To Next Page IconTo Next Page
To Next Page IconTo Next Page
To Previous Page IconTo Previous Page
To Previous Page IconTo Previous Page
Loading...
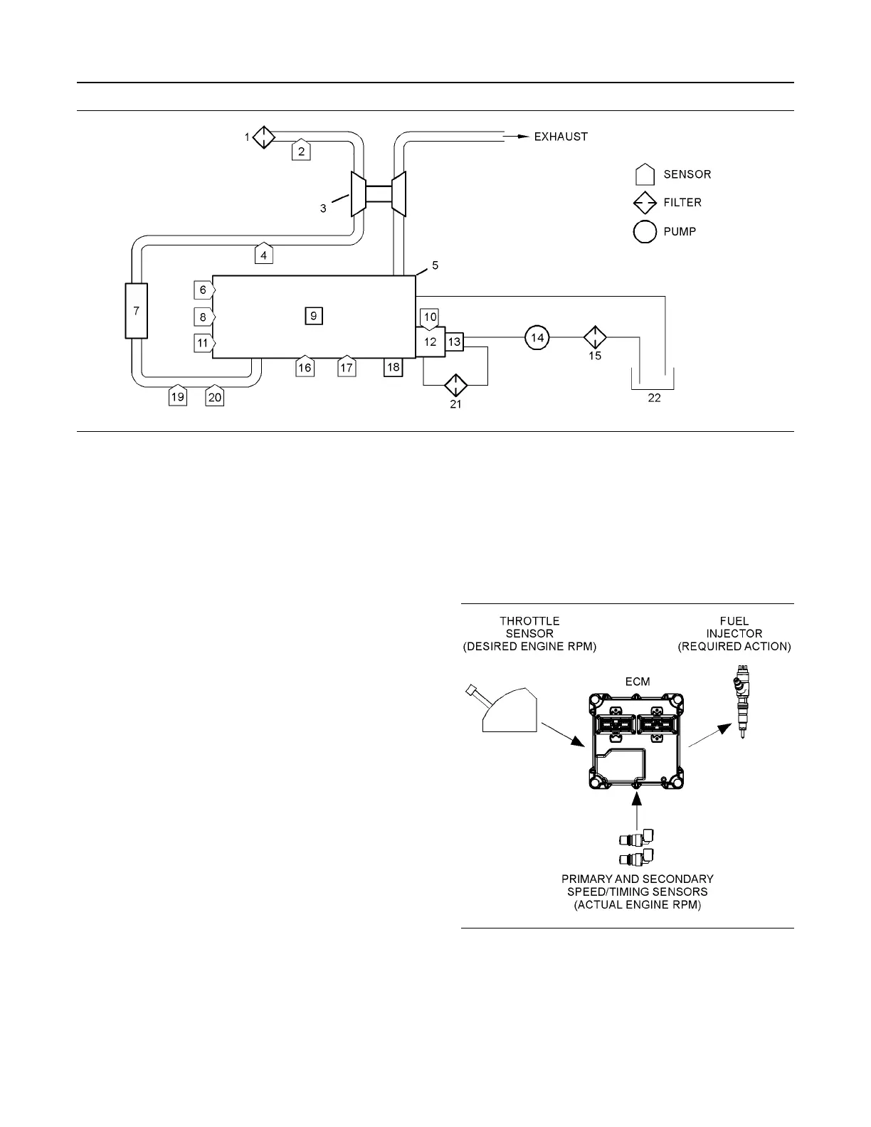
Illustration 3 g03337489
Block diagram for the engine
(1) Air cleaner
(2) Air inlet temperature sensor
(3) Turbocharger
(4) Wastegate regulator
(5) Engine
(6) Coolant temperature sensor
(7) Air-to-air aftercooler
(8) Primary speed/timing sensor
(9) Fuel injectors
(10) HP fuel pump solenoid
(11) Secondary speed/timing sensor
(12) High-pressure fuel pump
(13) Fuel transfer pump
(14) Priming pump
(15) Primary fuel filter
(16) Fuel rail pressure sensor
(17) Oil pressure sensor
(18) ECM
(19) Intake manifold pressure sensor
(20) Intake manifold air temperature sensor
(21) Secondary fuel filter
(22) Fuel tank
System Operation
Engine Governor
The ECM governs the engine. The ECM determines
the timing, the injection pressure, and the amount of
fuel that is delivered to each cylinder. These factors
are based on the actual conditions and on the desired
conditions at any given time during starting and
operation.
The governor uses the throttle position sensor to
determine the desired engine speed. The governor
compares the desired engine speed to the actual
engine speed. The actual engine speed is determined
through interpretation of the signals that are received
by the ECM from the engine speed/timing sensors. If
the desired engine speed is greater than the actual
engine speed, the governor injects more fuel in order
to increase engine speed.
Illustration 4 g03337919
Typical example
The desired engine speed is typically determined by
one of the following conditions:
The position of the throttle
The desired engine speed in Power Take-Off
(PTO)
UENR0678
7
Electronic Troubleshooting
Find manuals at http://best-manuals.com/search?&s=PER-1106

Other manuals for Perkins 1106C-E70TA

Related product manuals