EasyManua.ls Logo

Pfaff 900/56 - Page 9

Pfaff 900/56
28 pages
Print Icon
To Next Page IconTo Next Page
To Next Page IconTo Next Page
To Previous Page IconTo Previous Page
To Previous Page IconTo Previous Page
Loading...
9
Adjustment
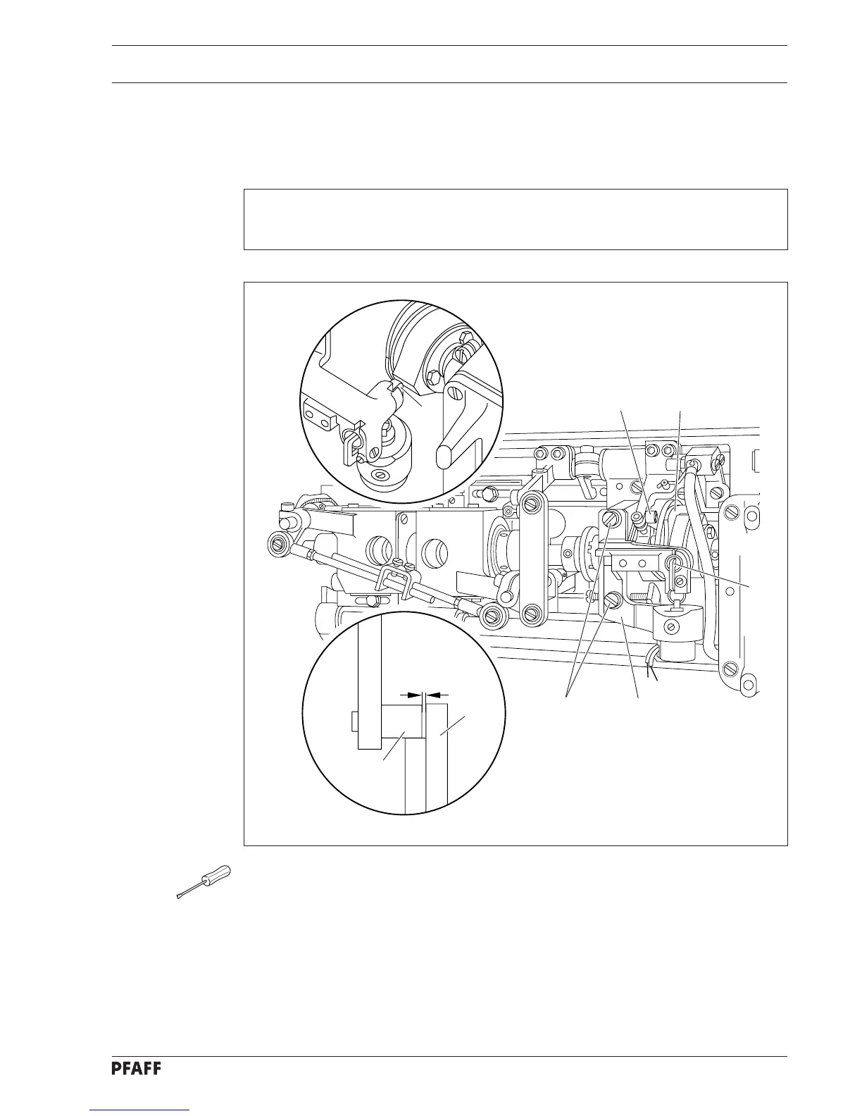
4.02 Solenoid bracket on -900/61
Turn balance wheel in feeding direction until needle bar is positioned 10 mm before b.d.c.
Operate engaging lever 1.
Continue turning balance wheel until control pin 2 is positioned opposite return motion
cam 3.
Loosen screws 4.
Adjust position of solenoid bracket 5 according to the requirement.
In this position, tighten screws 4.
Check this adjustment according to the requirement.
Turn balance wheel opposite feeding direction until control pin 6 is retained.
3
2
4
6
2
3
5
0.5 mm
1
Requirement
With engaging lever 1 operated, and control pin 2 positioned beside return motion cam 3,
there must be a clearance of 0.5 mm between control pin 2 and return motion cam 3.

Related product manuals