EasyManua.ls Logo

Philips 150S6FB/27 - Page 34

Philips 150S6FB/27
91 pages
Print Icon
To Next Page IconTo Next Page
To Next Page IconTo Next Page
To Previous Page IconTo Previous Page
To Previous Page IconTo Previous Page
Loading...
34
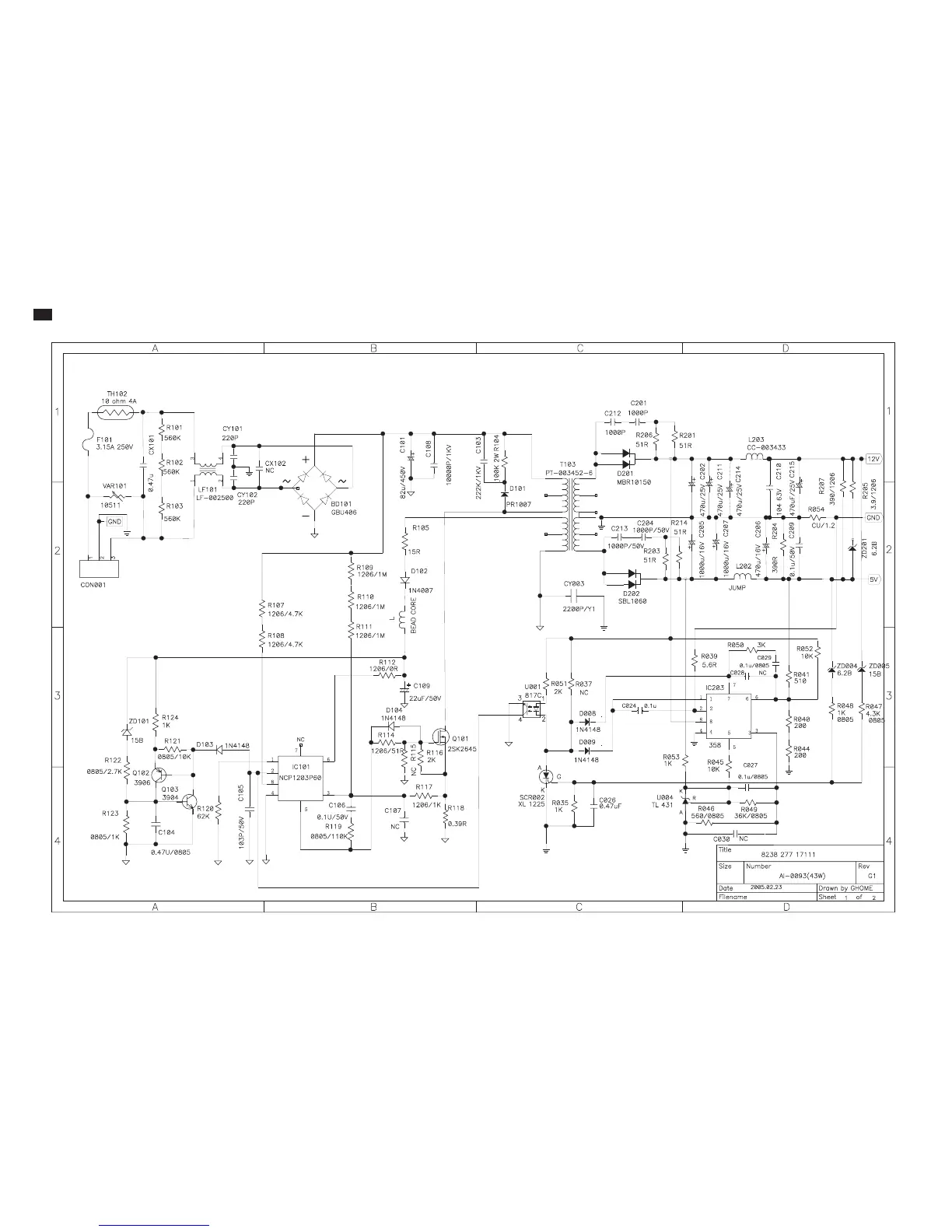
Power Schematic Diagram (170S6/190S6) - Lien Chang