EasyManua.ls Logo

Philips 150S6FB/27 - Page 36

Philips 150S6FB/27
91 pages
Print Icon
To Next Page IconTo Next Page
To Next Page IconTo Next Page
To Previous Page IconTo Previous Page
To Previous Page IconTo Previous Page
Loading...
36
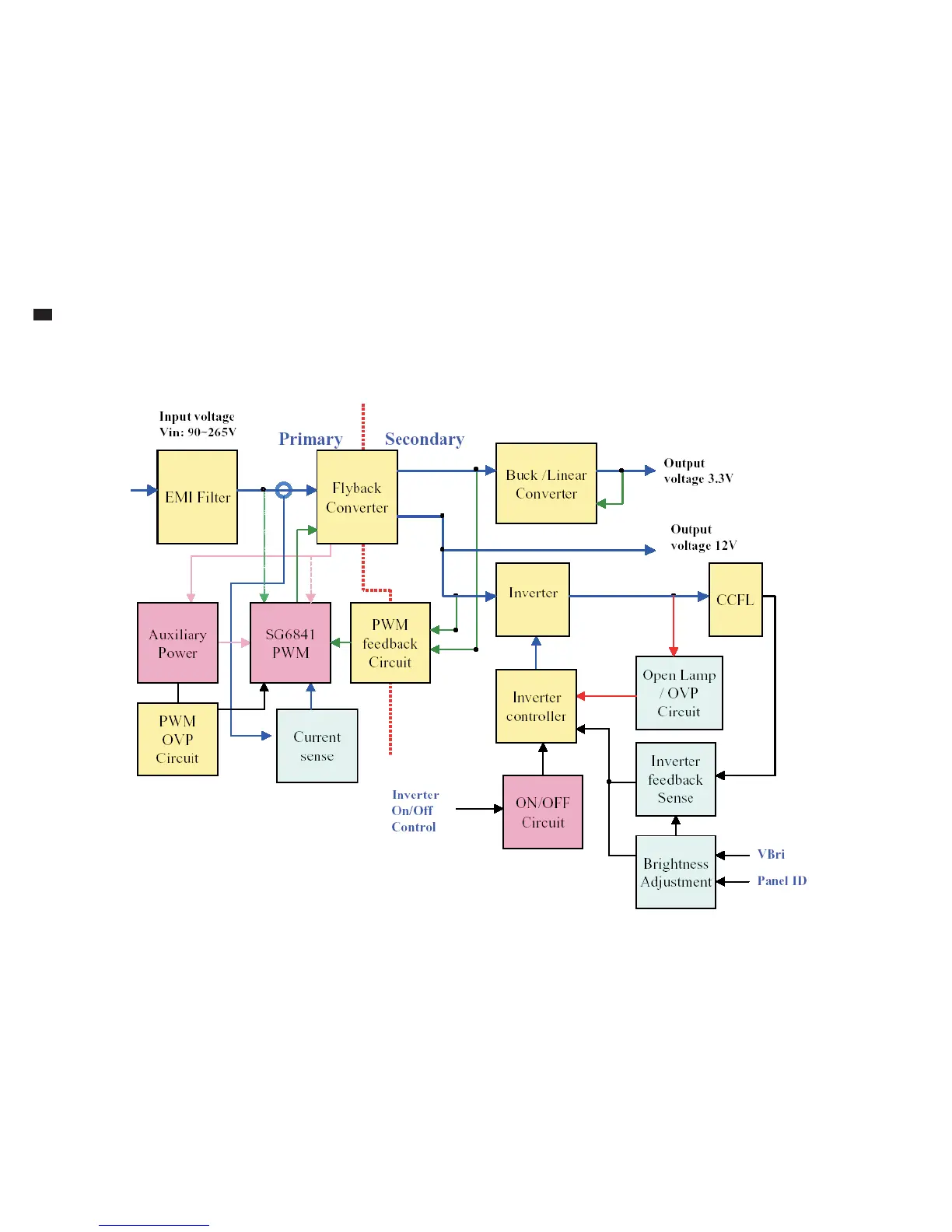
Power Board Block Diagram(150S6) - Foxconn
150S6 LIPS Block Diagram_
150S6 LIPS Block Diagram_
Foxconn
Foxconn