EasyManua.ls Logo

Philips 22HFL3330D/10 - 3330 D;10 SSB: TMDS251 HDMI Switch [SB13]

Philips 22HFL3330D/10
78 pages
Print Icon
To Next Page IconTo Next Page
To Next Page IconTo Next Page
To Previous Page IconTo Previous Page
To Previous Page IconTo Previous Page
Loading...
30TPM1.3HE LA 7.
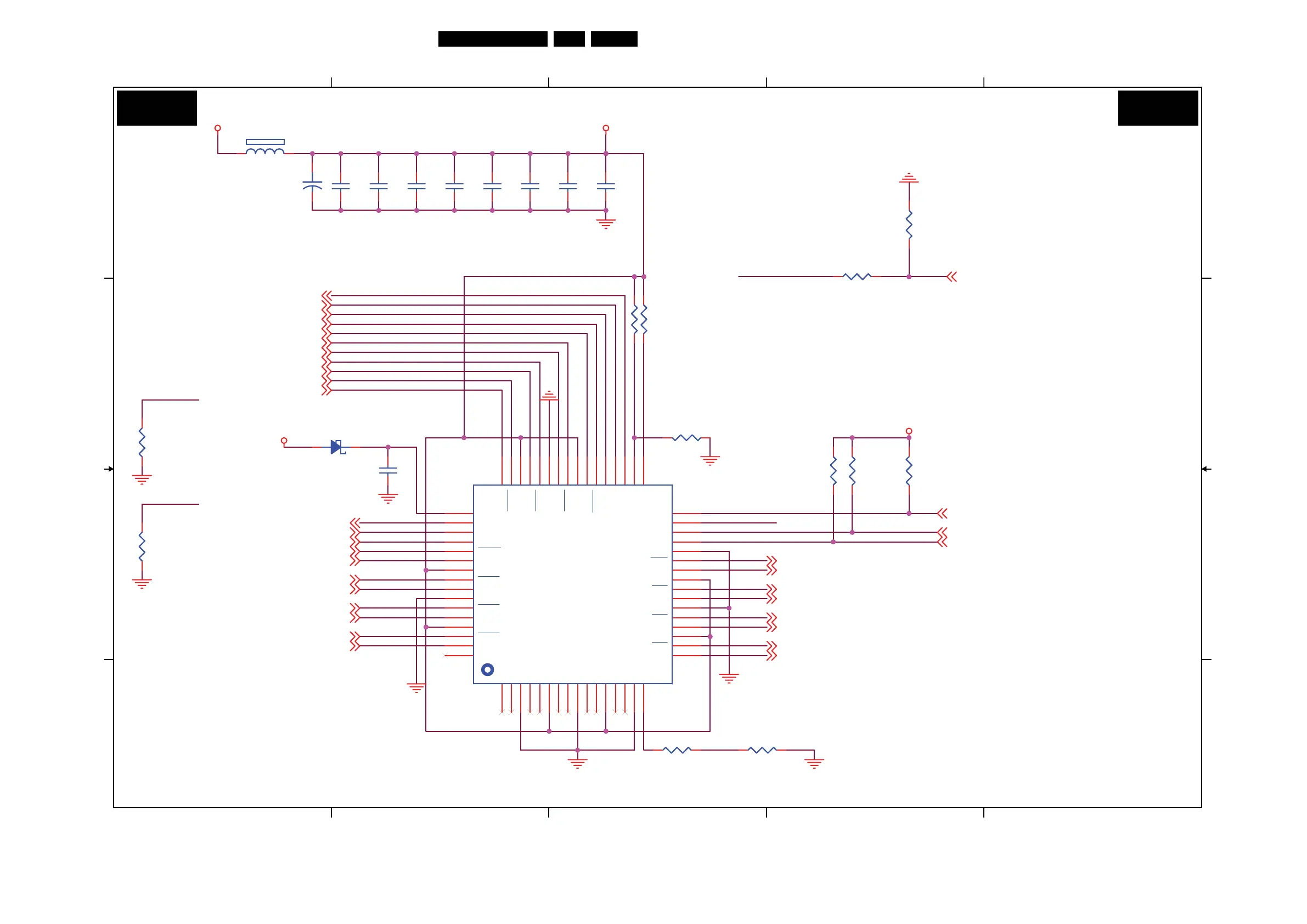
Circuit Diagrams and PWB Layouts
3330D/10 SSB: TMDS251 HDMI Switch
1
1
2
2
3
3
4
4
5
5
A
A
B B
C C
D D
HPD_SINK
RR1XC-
HPD_SINK
RR0XC-
RR1XC-
RR0XC-
HDMI_3V3
HDMI_3V3
DV33
+5V
HPDIN SB12,18
RX0_CB SB06
HDMI_SEL SB12,18
OSCL1 SB07
RX0_1B SB06
RX0_1 SB06
RX0_2 SB06
OSDA1 SB07
RX0_0 SB06
RX0_C SB06
RX0_0B SB06
RX0_2B SB06
HPD1SB12
RR1XC+SB12
RR1XC-SB12
DSDA_1SB12
DSCL_1SB12
RR1X0+SB12
RR1X0-SB12
RR1X1-SB12
RR1X1+SB12
RR1X2-SB12
RR1X2+SB12
RR0XC-SB12
HPD0SB12
DSDA_0SB12
DSCL_0SB12
RR0XC+SB12
RR0X0-
SB12
RR0X0+SB12
RR0X1-SB12
RR0X1+SB12
RR0X2-SB12
RR0X2+SB12
C521 B2
C522 A1
C523 A1
C524 A2
C525 A2
C526 A2
C527 A2
C528 A2
C529 A2
C530 A3
D511 B1
L501 A1
R502 B4
R504 B3
R509 A4
R511 B3
R512 B3
R532 B4
R533 B4
R534 A4
R535 D3
R536 D3
R551 B1
R552 C1
U502 C2
C523
0.1UF16V
C523
0.1UF16V
C525
0.1UF16V
C525
0.1UF16V
C530
0.1UF16V
C530
0.1UF16V
C524
0.1UF16V
C524
0.1UF16V
R532
4.7K OHM 1/10W
R532
4.7K OHM 1/10W
L501 120 OHML501 120 OHM
R551
NC/1K OHM 1/16W
R551
NC/1K OHM 1/16W
1
2
D511
SCS140V
D511
SCS140V
R533
4.7K OHM 1/10W
R533
4.7K OHM 1/10W
R504 NCR504 NC
C528
0.1UF16V
C528
0.1UF16V
R502
2.2K OHM 1/10W
R502
2.2K OHM 1/10W
R511 2.2K OHM 1/10WR511 2.2K OHM 1/10W
C526
0.1UF16V
C526
0.1UF16V
+
C522
10UF16V
+
C522
10UF16V
NC
1
NC
2
GND
3
NC
4
NC
5
Vcc
6
NC
7
NC
8
GND
9
NC
10
NC
11
Vcc
12
NC
13
NC
14
GND
15
VSADJ
16
TX2
17
TX2
18
Vcc
19
TX1
20
TX1
21
GND
22
TX0
23
TX0
24
Vcc
25
TXC
26
TXC
27
GND
28
SCL_SINK
29
SDA_SINK
30
HPD_SINK
31
S1
32
S2
33
EQ
34
HPD1
35
SDA1
36
SCL1
37
RX1C
38
RX1C
39
Vcc
40
RX10
41
RX10
42
GND
43
RX11
44
RX11
45
Vcc
46
RX12
47
RX12
48
VDD
49
HPD2
50
SDA2
51
SCL2
52
RX2C
53
RX2C
54
Vcc
55
RX20
56
RX20
57
GND
58
RX21
59
RX21
60
Vcc
61
RX22
62
RX22
63
NC
64
U502
TMDS251PAGR
U502
TMDS251PAGR
C529
0.1UF16V
C529
0.1UF16V
C527
0.1UF16V
C527
0.1UF16V
R535
3.6K OHM 1/10W
R535
3.6K OHM 1/10W
R536
120 OHM 1/10W
R536
120 OHM 1/10W
R534
4.7K OHM 1/10W
R534
4.7K OHM 1/10W
R512 2.2K OHM 1/10WR512 2.2K OHM 1/10W
C521
0.1UF16V
C521
0.1UF16V
R552
NC/1K OHM 1/16W
R552
NC/1K OHM 1/16W
R509
NC
R509
NC
TMDS251 HDMI 2:1 SWITCH
SB13 SB13
I_18120_038.eps
270608

Table of Contents

Related product manuals