EasyManua.ls Logo

Philips 22HFL3330D/10 - 3330 D;10 SSB: EU Tuner Interface [SB16]

Philips 22HFL3330D/10
78 pages
Print Icon
To Next Page IconTo Next Page
To Next Page IconTo Next Page
To Previous Page IconTo Previous Page
To Previous Page IconTo Previous Page
Loading...
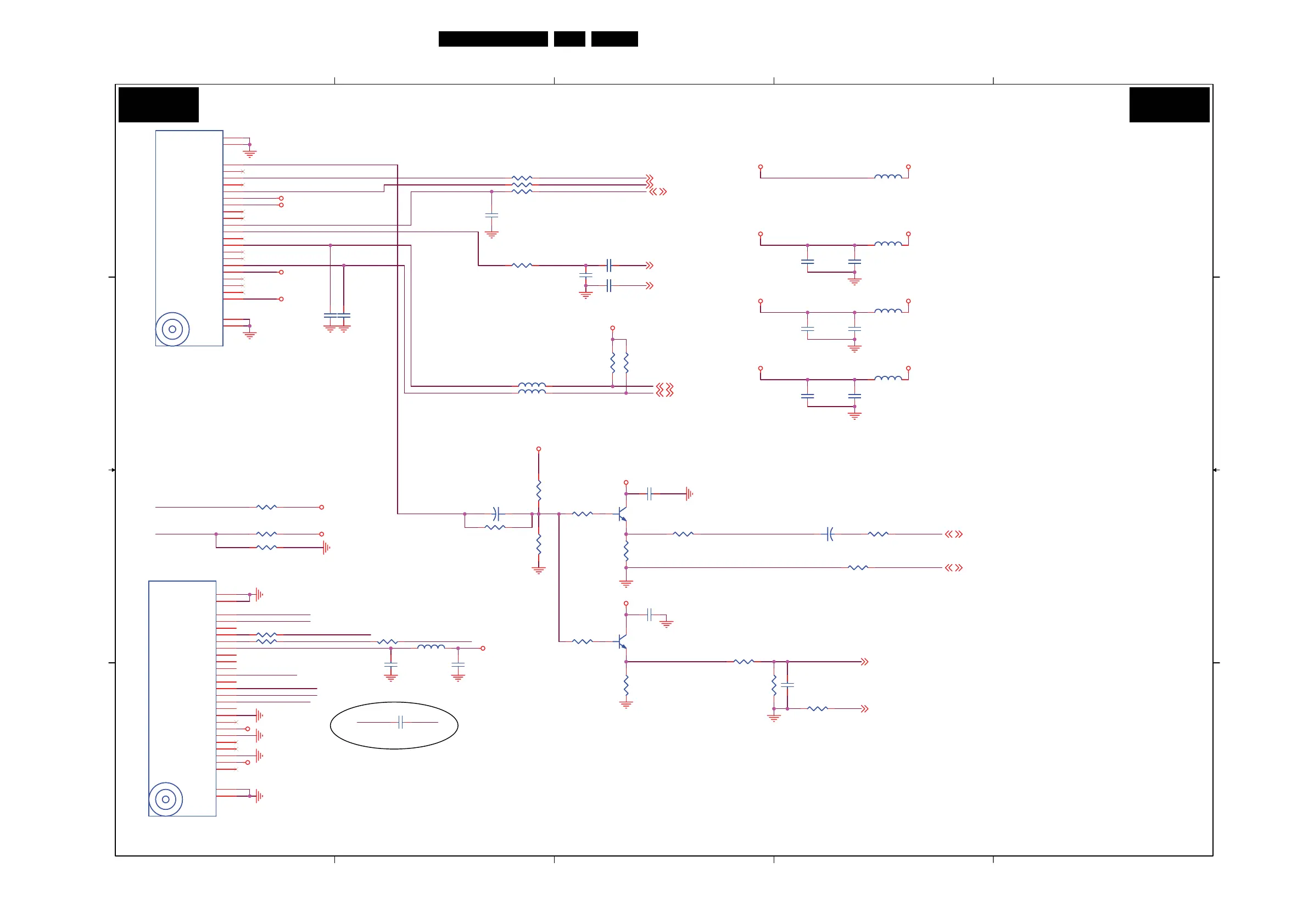
Circuit Diagrams and PWB Layouts
33TPM1.3HE LA 7.
3330D/10 SSB: EU Tuner Interface
1
1
2
2
3
3
4
4
5
5
A
A
B
B
C
C
D D
TUNER_CVBS
SCL
AVCVBS0
DIF2DIF2
SIF
IF_AGC_OUT
IF_AGC_OUT
SDA
SDA
SCL
TUNER_CVBS
AS_IF
TUNER_CVBS
AS_TUNER
AS_IF
DIF1
DIF1
IF_AGC_OUT
SCL
AS_TUNER
SDA
DIF1 SIF_2
SIF_2
SIF_2
DIF1
DIF2
+5V_TUNER
+5V_TUNER
V4
+5V_TUNER
V1
+5V_TUNER
V2
V1
+5V_TUNER
+5V_TUNER
+5V_TUNER
+5V_TUNERV3
V4
V3
V2
V2
+5V_TUNER
V2
V1
+5V_TUNER
FAT_IN- SB17
CVBS0 SB03
TUNER_SCL1 SB17
IF_AGC SB17
TUNER_SDA1 SB17
GND_TUNER SB03
MPX0P SB06
FAT_IN+ SB17
MPX0N SB06
SCT1_AVO_GND SB04
SCT1_AV_OUT SB04
15pF/NC
0 OHM/NC
Close to Tuner
1/3 River
C770 A2
C773 B1
C774 B1
C775 A3
C776 A3
C777 A3
C778 C3
C779 C2
C780 C4
C781 C3
C783 C3
C785 A4
C786 A4
C787 B4
C788 B4
C789 B4
C790 B4
C791 C2
C792 C2
C797 D2
L701 B2
L704 C2
L705 B2
L707 A4
L708 A4
L709 B4
L710 B4
Q707 C3
Q708 C3
R701 A2
R729 C1
R730 C1
R731 C1
R732 C1
R758 A2
R759 B3
R760 B3
R761 A2
R762 A2
R765 B2
R766 C3
R767 C2
R768 C4
R769 C2
R770 C3
R771 C4
R772 C3
R773 C3
R775 C3
R776 C3
R777 D4
R77
8 C3
R791 C1
R792 C2
TU701 A1
TU702 C1
L708
BEAD
L708
BEAD
R759
4.7K OHM 1/10W
R759
4.7K OHM 1/10W
R761 100 OHM 1/10WR761 100 OHM 1/10W
R777
0 OHM 1/10W
R777
0 OHM 1/10W
R791 NC/330 OHM 1/10WR791 NC/330 OHM 1/10W
L710
BEAD
L710
BEAD
C781 0.1UF16VC781 0.1UF16V
R701
0 OHM 1/10W
R701
0 OHM 1/10W
R730NCR730NC
+
C779 22uF
+
C779 22uF
C787
10uF/10V
C787
10uF/10V
C788
0.1UF16V
C788
0.1UF16V
C783
47pF
C783
47pF
R731 0 OHM 1/10WR731 0 OHM 1/10W
C786
0.1UF16V
C786
0.1UF16V
R768
0 OHM 1/10W
R768
0 OHM 1/10W
C790
0.1UF16V
C790
0.1UF16V
C778 0.1UF16VC778 0.1UF16V
C797
NC/3.3pF
C797
NC/3.3pF
C774
NC
C774
NC
R732 NC/330 OHM 1/10WR732 NC/330 OHM 1/10W
C791
NC
C791
NC
C792
NC
C792
NC
R771
0 OHM 1/10W
R771
0 OHM 1/10W
R769
10K OHM 1/10W
R769
10K OHM 1/10W
Q708
MMBT3904
Q708
MMBT3904
C773
NC
C773
NC
R760
4.7K OHM 1/10W
R760
4.7K OHM 1/10W
R775
75 OHM 1/4W
R775
75 OHM 1/4W
C776
NC
C776
NC
TH1
TH1
TH2
TH2
RF_IO
1
AntPwr
2
GND
3
NC
4
RF_AGC
5
GND
6
+5V_TUN
7
VT
8
GND
9
NC
10
AS_TUNER
11
SCL
12
SDA
13
IF_AGC
15
TH3
TH3
TH4
TH4
DIF1
16
DIF2
17
NC
18
+5V IF
19
SIF1
20
SIF2
21
NC
22
CVBS
24
AS_IF
23
NC
14
TU702
NC/NXP FQD1116ME
TU702
NC/NXP FQD1116ME
R765
3.3K OHM 1/10W
R765
3.3K OHM 1/10W
Q707
MMBT3904
Q707
MMBT3904
+
C780
470UF10V
+
C780
470UF10V
C777 0.01uFC777 0.01uF
R773
75 OHM 1/10W
R773
75 OHM 1/10W
R766
10 OHM 1/10W
R766
10 OHM 1/10W
L705 2.2uHL705 2.2uH
L704
NC
L704
NC
R776
NC
R776
NC
R762 4.7K OHM 1/10WR762 4.7K OHM 1/10W
L701 2.2uHL701 2.2uH
TH1
22
TH2
23
+B active ANT
1
BB
5
NC
3
BT Monitor
4
AGC Monitor
2
SIF OUT
11
AUDIO OUT
10
NC
8
SCL
6
SDA
9
NC
7
VB
16
NC
13
NC
14
+B
15
TH3
24
TH4
25
AFT OUT
20
VIDEO OUT
21
IFD OUT 1
17
IFT OUT 2
19
IF AGC
12
NC
18
TU701
TUNER
TU701
TUNER
L707
NC
L707
NC
R778
0 OHM 1/10W
R778
0 OHM 1/10W
C789
10uF/10V
C789
10uF/10V
R770
75 OHM 1/4W
R770
75 OHM 1/4W
C775 0.01uFC775 0.01uF
R772
10 OHM 1/10W
R772
10 OHM 1/10W
R792 NC/0 OHM 1/10WR792 NC/0 OHM 1/10W
C770
0.01uF
C770
0.01uF
C785
10uF/10V
C785
10uF/10V
L709
BEAD
L709
BEAD
R758 100 OHM 1/10WR758 100 OHM 1/10W
R729 NCR729 NC
R767 NCR767 NC
EU TUNER INTERFACE
SB16 SB16
I_18120_041.eps
270608

Table of Contents

Related product manuals