EasyManua.ls Logo

Philips 22HFL3330D/10 - 3340 D;10 SSB: HDMI Input Interface; [Sb12]

Philips 22HFL3330D/10
78 pages
Print Icon
To Next Page IconTo Next Page
To Next Page IconTo Next Page
To Previous Page IconTo Previous Page
To Previous Page IconTo Previous Page
Loading...
50TPM1.3HE LA 7.
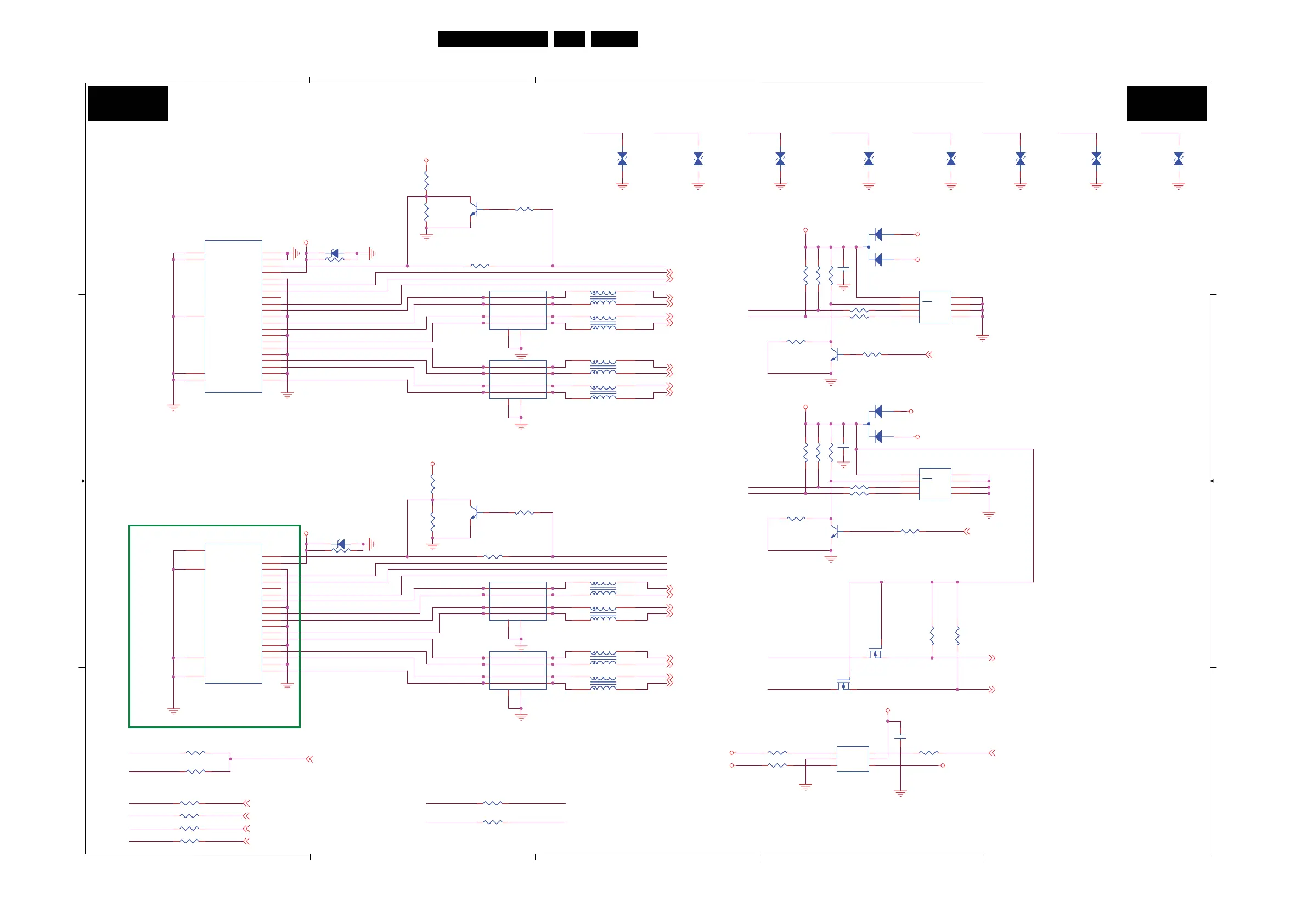
Circuit Diagrams and PWB Layouts
3340D/10 SSB: HDMI Input Interface
1
1
2
2
3
3
4
4
5
5
A
A
B B
C C
D
D
DSDA_0
DSCL_0
DSCL_0
CEC_A
HPD0_OUT CEC_ADSCL_0DSDA_0
CEC_B
CEC_A
HPD1_OUT
HDMI1_SDA
HDMI1_SCL
HDMI1_SDA
HDMI1_SCL
DSCL_1
DSDA_1
HDMI1_SDA
DSDA_0
HDMI1_SCL
HPD1_OUTDSCL_1 CEC_BDSDA_1
HDMI1_SCL
HDMI1_SDA
CEC_B
HPD1_OUT
HPD0_OUT
HPD1_OUT
HPD0_OUT
HPD0_OUT
+5V_HDMI0
+5V_HDMI0
+5V_HDMI1
+5VSB
+5VSB
+5V
HDMI_5V+5V_HDMI0
+5V_HDMI1
+5V_HDMI1
+5V_HDMI1
HDMI_PLUGPWR1
HDMI_PLUGPWR0
+5V_HDMI0
RR0X2+ SB13
RR0XC- SB13
RR0XC+ SB13
DSDA_0 SB13
RR0X0- SB13
RR0X0+ SB13
DSCL_0 SB13
RR0X1- SB13
RR0X1+ SB13
HDMIED_WP S B01,SB18
HDMI_SEL SB13,SB18
CEC SB07,SB11
HPD1 SB13
RR0X2- SB13
DSDA_1 SB13
DSCL_1 SB13
HDMIED_WP SB01,SB18
RR1X1- SB13
RR1XC+ SB13
RR1X2+ SB13
RR1X0- S
B13
RR1X1+ SB13
RR1XC- SB13
RR1X0+ SB13
RR1X2- SB13
HPDIN2 SB18
HPD0 SB13
HPDIN SB13,SB18
PORT 0
Track TMDS traces straight under RClamp0524P.
as possible to HDMI connector.
LAYOUT: Place chokes and ESD clamps as close
100ohm differential impedance for TMDS traces.
PCB LAYOUT: PCB
footprint for HDMI
connector should
support
connectors from
JAE, Molex, and
Acon
PORT 1
Acer
?
88T 340 19 H
CN501 A1
CN502 C1
C531 A4
C532 B4
C533 D4
D501 A4
D502 A3
D503 A3
D504 A3
D505 A4
D506 A4
D507 A5
D508 A5
D509 A5
D510 B4
L502 A3
L503 B3
L504 B3
L505 B3
L506 C3
L507 C3
L508 C3
L509 C3
Q502 C4
Q503 C4
Q505 B4
Q506 C4
Q507 A2
Q508 C2
R501 D4
R503 C4
R505 C4
R507 D3
R508 D3
R510 C4
R513 A4
R514 A4
R515 A4
R516 A2
R517 D1
R519 D1
R520 C2
R521 B4
R522 B4
R523 B4
R524 B4
R525 B4
R526 B4
R527 B4
R528 B4
R529 D1
R530 D1
R537 D2
R538 D2
R5
39 B4
R540 C4
R541 A2
R542 A2
R543 D1
R544 A2
R545 A2
R546 B2
R547 C2
R548 D1
R549 C2
R550 C2
U501 A4
U503 A2
U504 B2
U505 C2
U506 C2
U507 B4
U508 D4
ZD501 A2
ZD502 C2
C5310.1UF16V C5310.1UF16V
R547
NC
R547
NC
R519 NCR519 NC
1
2
4
3
L506 90 ohmL506 90 ohm
R510 10K OHM 1/10WR510 10K OHM 1/10W
R530
0 OHM 1/10W
R530
0 OHM 1/10W
R541
1K OHM 1/10W
R541
1K OHM 1/10W
1 2
D505
VPORT0603100KV05
D505
VPORT0603100KV05
R545
NC
R545
NC
1
2
4
3
L509 90 ohmL509 90 ohm
1 2
VPORT0603100KV05
D509
R527 100 OHM 1/10WR527 100 OHM 1/10W
1
2
4
3
L503 90 ohmL503 90 ohm
Q507
MMBT3904
Q507
MMBT3904
R546
1K OHM 1/10W
R546
1K OHM 1/10W
R538
0 OHM 1/10W
R538
0 OHM 1/10W
1 2
D502
VPORT0603100KV05
D502
VPORT0603100KV05
1
2
4
3
L505 90 ohmL505 90 ohm
1 2
D504
VPORT0603100KV05
D504
VPORT0603100KV05
R517 NCR517 NC
R52347K OHM 1/10W R52347K OHM 1/10W
R51447K OHM 1/10W R51447K OHM 1/10W
R550
NC
R550
NC
R52447K OHM 1/10W R52447K OHM 1/10W
R516
100K OHM 1/10W
R516
100K OHM 1/10W
SHELL1
20
SHELL2
21
D2+
1
D2 Shield
2
D2-
3
D1+
4
D1 Shield
5
D1-
6
D0+
7
D0 Shield
8
D0-
9
CK+
10
CK Shield
11
CK-
12
CE Remote
13
NC
14
DDC CLK
15
DDC DATA
16
GND
17
+5V
18
HP DET
19
SHELL4
23
SHELL3
22
SHELL5
24
SHELL6
25
SHELL7
26
CN501
HDMI
CN501
HDMI
R543 0 OHM 1/10WR543 0 OHM 1/10W
R507 100K OHM 1/10WR507 100K OHM 1/10W
R501 1K OHM 1/10WR501 1K OHM 1/10W
R548 0 OHM 1/10WR548 0 OHM 1/10W
R522 100 OHM 1/10WR522 100 OHM 1/10W
3
1
2
D510
BAT54C
D510
BAT54C
1 2
D503
VPORT0603100KV05
D503
VPORT0603100KV05
1
2
4
3
L508 90 ohmL508 90 ohm
R529
0 OHM 1/10W
R529
0 OHM 1/10W
E0
1
E1
2
E2
3
VSS
4
SDA
5
SCL
6
WC
7
VCC
8
U501
M24C02-WDW6P
U501
M24C02-WDW6P
C5330.1UF16V C5330.1UF16V
R505
NC
R505
NC
Q508
MMBT3904
Q508
MMBT3904
R537
0 OHM 1/10W
R537
0 OHM 1/10W
1 2
D508
VPORT0603100KV05
D508
VPORT0603100KV05
R5254.7K OHM 1/10W R5254.7K OHM 1/10W
IN1
1
IN2
2
GND
3
IN3
4
IN4
5
OUT4
6
OUT3
7
GND
8
OUT2
9
OUT1
10
U506 RClamp0524P.TCTU506 RClamp0524P.TCT
R540
NC/0 OHM 1/10W
R540
NC/0 OHM 1/10W
1
2
4
3
L502 90 ohmL502 90 ohm
IN1
1
IN2
2
GND
3
IN3
4
IN4
5
OUT4
6
OUT3
7
GND
8
OUT2
9
OUT1
10
U503 RClamp0524P.TCTU503 RClamp0524P.TCT
1 2
D506
VPORT0603100KV05
D506
VPORT0603100KV05
R526 100 OHM 1/10WR526 100 OHM 1/10W
R508 100K OHM 1/10WR508 100K OHM 1/10W
R503
NC
R503
NC
R51347K OHM 1/10W R51347K OHM 1/10W
Q505
MMBT3904
Q505
MMBT3904
1 2
D507
VPORT0603100KV05
D507
VPORT0603100KV05
ZD501 UDZSNP5.6BZD501 UDZSNP5.6B
R520
100K OHM 1/10W
R520
100K OHM 1/10W
R521 100 OHM 1/10WR521 100 OHM 1/10W
1
2
4
3
L507 90 ohmL507 90 ohm
Q506
MMBT3904
Q506
MMBT3904
1
2
4
3
L504 90 ohmL504 90 ohm
R539
NC/0 OHM 1/10W
R539
NC/0 OHM 1/10W
IN1
1
IN2
2
GND
3
IN3
4
IN4
5
OUT4
6
OUT3
7
GND
8
OUT2
9
OUT1
10
U504 RClamp0524P.TCTU504 RClamp0524P.TCT
C5320.1UF16V C5320.1UF16V
Q502
NC/2N7002 SOT-23
Q502
NC/2N7002 SOT-23
E0
1
E1
2
E2
3
VSS
4
SDA
5
SCL
6
WC
7
VCC
8
U507
M24C02-WDW6P
U507
M24C02-WDW6P
Q503
NC/2N7002 SOT-23
Q503
NC/2N7002 SOT-23
R528
10K OHM 1/10W
R528
10K OHM 1/10W
IN1
1
IN2
2
GND
3
IN3
4
IN4
5
OUT4
6
OUT3
7
GND
8
OUT2
9
OUT1
10
U505 RClamp0524P.TCTU505 RClamp0524P.TCT
R544 4.7K OHM 1/10WR544 4.7K OHM 1/10W
NO
1
GND
2
NC
3
COM
4
V+
5
IN
6
U508
TS5A3157DCKRE4
U508
TS5A3157DCKRE4
R542
NC
R542
NC
R5154.7K OHM 1/10W R5154.7K OHM 1/10W
SHELL1
20
SHELL2
21
D2+
1
D2 Shield
2
D2-
3
D1+
4
D1 Shield
5
D1-
6
D0+
7
D0 Shield
8
D0-
9
CK+
10
CK Shield
11
CK-
12
CE Remote
13
NC
14
DDC CLK
15
DDC DATA
16
GND
17
+5V
18
HP DET
19
SHELL4
23
SHELL3
22
CN502
HDMI
CN502
HDMI
ZD502 UDZSNP5.6BZD502 UDZSNP5.6B
R549 4.7K OHM 1/10WR549 4.7K OHM 1/10W
3
1
2
D501
BAT54C
D501
BAT54C
HDMI INPUT INTERFACE
SB12 SB12
I_18121_012.eps
051108

Table of Contents

Related product manuals