EasyManua.ls Logo

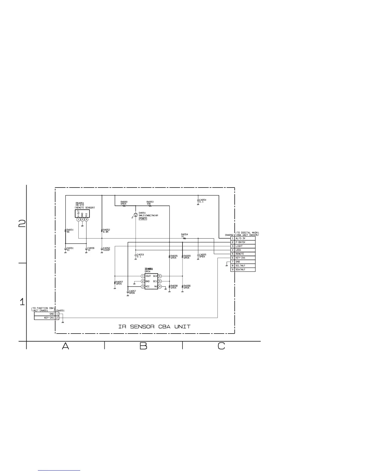
Philips 32” LCD TV - IR Sensor Schematic Diagram

Philips 32” LCD TV
59 pages
Print Icon
To Next Page IconTo Next Page
To Next Page IconTo Next Page
To Previous Page IconTo Previous Page
To Previous Page IconTo Previous Page
Loading...
10-13
1000P
C4052
OPEN
C4055
10
C4056
10
C4051
R4051
56
R4052
6.8K
0.1
C4054
1
2
34
5
6
IC4051
OPEN
IOUT
GND
VCC NU
GC1
GC2
R4057
OPEN
OPEN
C4057
R4055
OPEN
R4058
OPEN
R4056
OPEN
R4059
OPEN
D4051
SMLE12WBC7W1HR
0.1
C4053
Vcc
GND
V-OUT
231
RS4051
RS-272
CN4051
1GND
2KEY-IN1
5 REMOTE
4 LED1
7 GND
6 KEY-IN1
CN4052
1 AL+3.3V
2 P-ON+5V
3 LIGHT
R4053
15K
R4060
OPEN
R4054
1K
8 SCL(NU)
9 SDA(NU)
2
1
ABC
TO FUNCTION CBA
UNIT CN4001
(REMOTE SENSOR)
POWER
IR SENSOR CBA UNIT
TO DIGITAL MAIN
CBA UNIT CN3105
PL14.12SCIR
IR Sensor Schematic Diagram

Related product manuals