EasyManua.ls Logo

Philips 32PFL3008D/78 - B 715 G5749 SSB

Philips 32PFL3008D/78
71 pages
Print Icon
To Next Page IconTo Next Page
To Next Page IconTo Next Page
To Previous Page IconTo Previous Page
To Previous Page IconTo Previous Page
Loading...
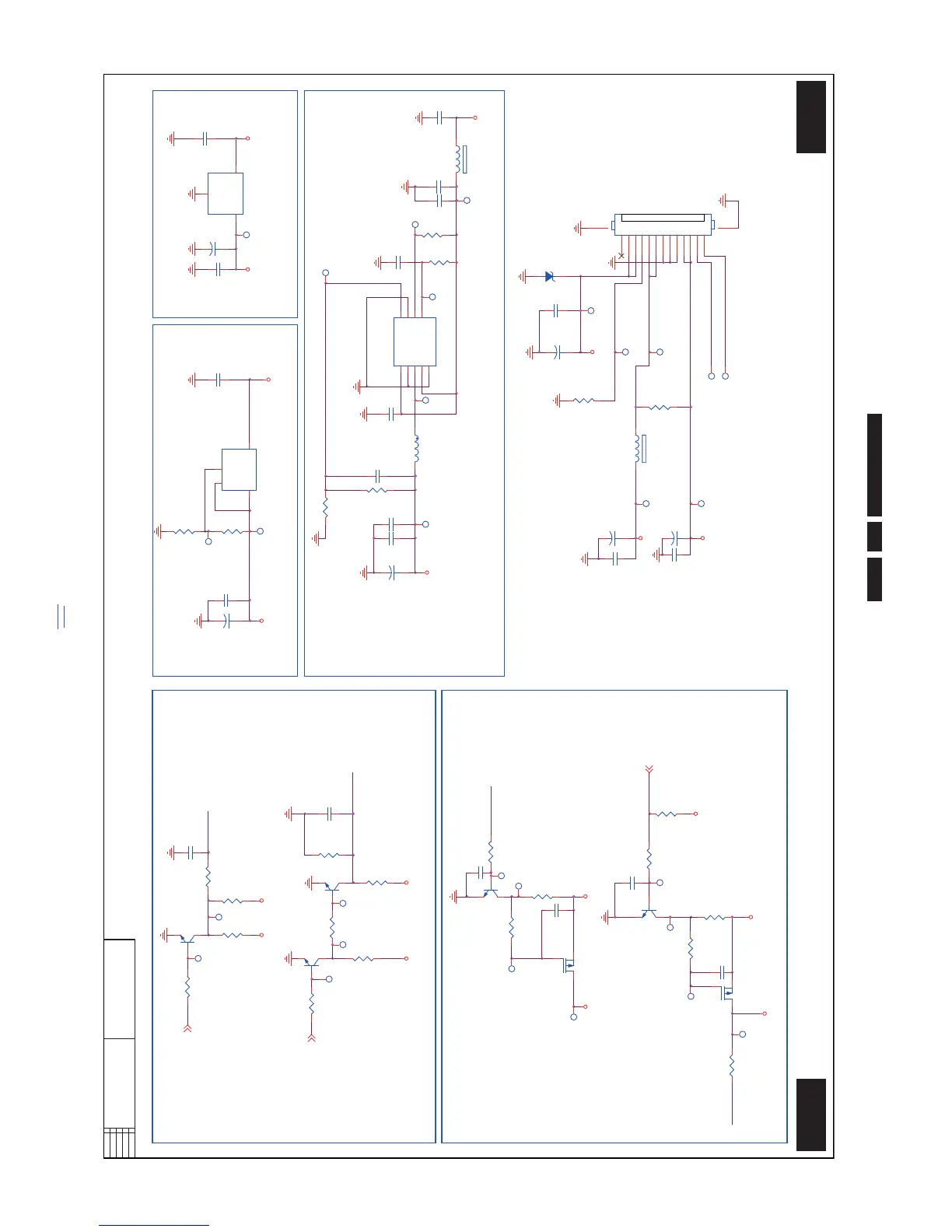
Circuit Diagrams and PWB Layouts
EN 53TPS10.1L LA 10.
2013-Apr-26
back to
div.table
10.4 B 715G5749 SSB
10-4-1 Power
19500_509_130409.eps
130409
Power
B01 B01
2012-12-24
A
715G5749
Power
+
C722
100UF 16V
+1.8V_DDR
R2
SMT
R1
DDR Power
AUD_PVDD
R711
100K
C719
22UF
R722
22K
Q708
AO3401A
Q709
MMBT3904
+3.3V
+3.3V_Standby
R729
4.7K
+
C736
100uF 35V
C720
22UF
C715
22PF 50V
C709
22UF
C724
10UF 10V
PWR_ON
C716
1uF 10V
R720
10K
+3.3V_Standby
U703
AZ1117H-ADJ-E1
VI
3
VO
2
GND
1
4
4
TP1
TP2
TP3
TP4
TP5
TP6
TP7
TP8
TP11 TP12
TP13
TP9
C723
NC/22UF
PS_ON
TP10
TP14
TP15
TP16
TP18
TP20
TP17
R715
11.5K 1%
TP19
TP21
R717 20K
TP23
TP22
C710
10UF 10V
U701
APW7323
VCC
1
POK
2
GND
3
FB
4
EN
5
PGND
6
LX
7
VIN
8
E-Pad
9
+
C717
NC/330UF 6.3V
FB701
300R
1 2
L701
2.2uH
+1.2V_VDDC
+5V_Standby
073G253S 68 H
BL_EN
High active
R714
1K
R706
NC/10K
ZD701
NC/BZT52-C5V6
1 2
+
C713
100UF 16V
NC/4.7UF 10V
C706
R702
1K
R710 4.7K
R708
NC/10K
C739
100N 50V
Q701
AO3401A
Q702
MMBT3904
R704 1K
R709 1K
+
C708
100UF 16V
U702
AZ1117D
VI
3
VO
2
GND
1
R707
1K
Q703
MMBT3904
C702
NC/10N 50V
Q706
MMBT3904
R703
10K
R723
4.7K
R705 100R
+5V_Standby
+5V_Standby
+5V_Standby
+5V_Normal
+5V_Normal
+3.3V_Standby
+5V_Normal
+3.3V_Standby
BRI_ADJ-PWM0 5
VBL_CTRL 5
PWR_ON5
SMT
12V
5V
24V/16V
Backlight Control
BL_EN
C737
100N 50V
Q707
MMBT3904
C701
100N 16V
C714
100N 16V
R780 47K
TP24 TP25
TP26
TP27
TP28
C707
100N 16V
PWR_ON
TP349
R727 4.7K
R781
330R 1/16W 5%
+3.3V
BL_PWM
Low active
High active
CN701
CONN
1
2
3
4
5
6
7
8
9
10
11
12
13
1415
C712
1uF 10V
System power control
C718
1uF 10V
FB603300R
1 2
P12V
R737
NC 0R051/8W
+5V_Normal
R728
10K
Standby Power
R719
220R 1%
C773
100N 16V
C772
470nF 16V
C774
4.7uF 10V
+
C738
100uF 35V
C775
NC/100N 16V
BL_PWM
PS_ON
R721
100R 1%
R701
2.2R 1%

Related product manuals