EasyManua.ls Logo

Philips 32PFL3406D/78 - Audio; Inputs: HDMI

Philips 32PFL3406D/78
108 pages
Print Icon
To Next Page IconTo Next Page
To Next Page IconTo Next Page
To Previous Page IconTo Previous Page
To Previous Page IconTo Previous Page
Loading...
Circuit Descriptions
EN 34 L11M1.1L LA7.
2011-Jun-24
back to
div. table
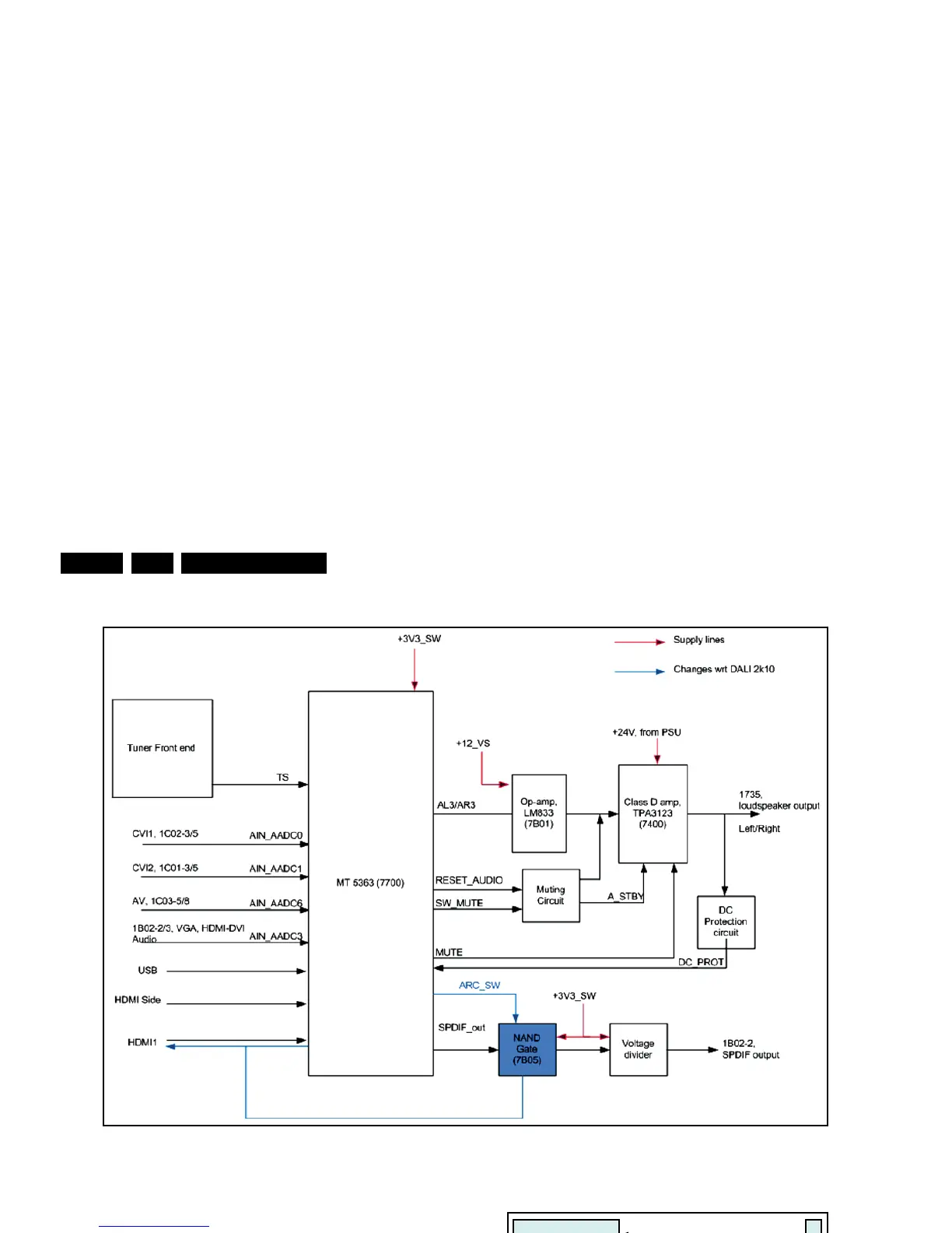
Figure 7-11 Audio signal flow
7.5 Inputs
7.5.1 Inputs: HDMI
In this chassis, the main Mediatek MT5363 SoC has an on-chip
HDMI multiplexer.
Refer to Figure 7-12
for the implementation.
Figure 7-12 HDMI implementation
Signal description:
TMDS: Signals that contain audio and video information.
PWR5V: Signal to detect the presence of any HDMI source
connected to the TV’s HDMI input port.
19130_014_110426.eps
110426
191
30_015_110426.eps
110426
TMDS
PWR5V
SIDE_HDMI_HPD1
SIDE HDMI SCL1
HDMI SCL2
HDMI_HPD2
RX2
OPWR2_5V
ARC eHDMI+
EDID
SIDE_HDMI_SDA1
CEC
EDID
WC
HDMI_CEC
__
_
HDMI_SDA2
GPIO
7
MT5363
TMDS
PWR5V
HDMI HPD2
EDID
EDID
_
WC
GPIO
_
7
HDMI HPD1
RX1
OPWR1_5V
_
HDMI_SDA2
HDMI_SDA1
HDMI_SDA1
HDMI_SCL2
_
EDID
Buffer & Selection
circuit
ASPDIF_OUT
ARC_SW

Table of Contents

Related product manuals