EasyManua.ls Logo

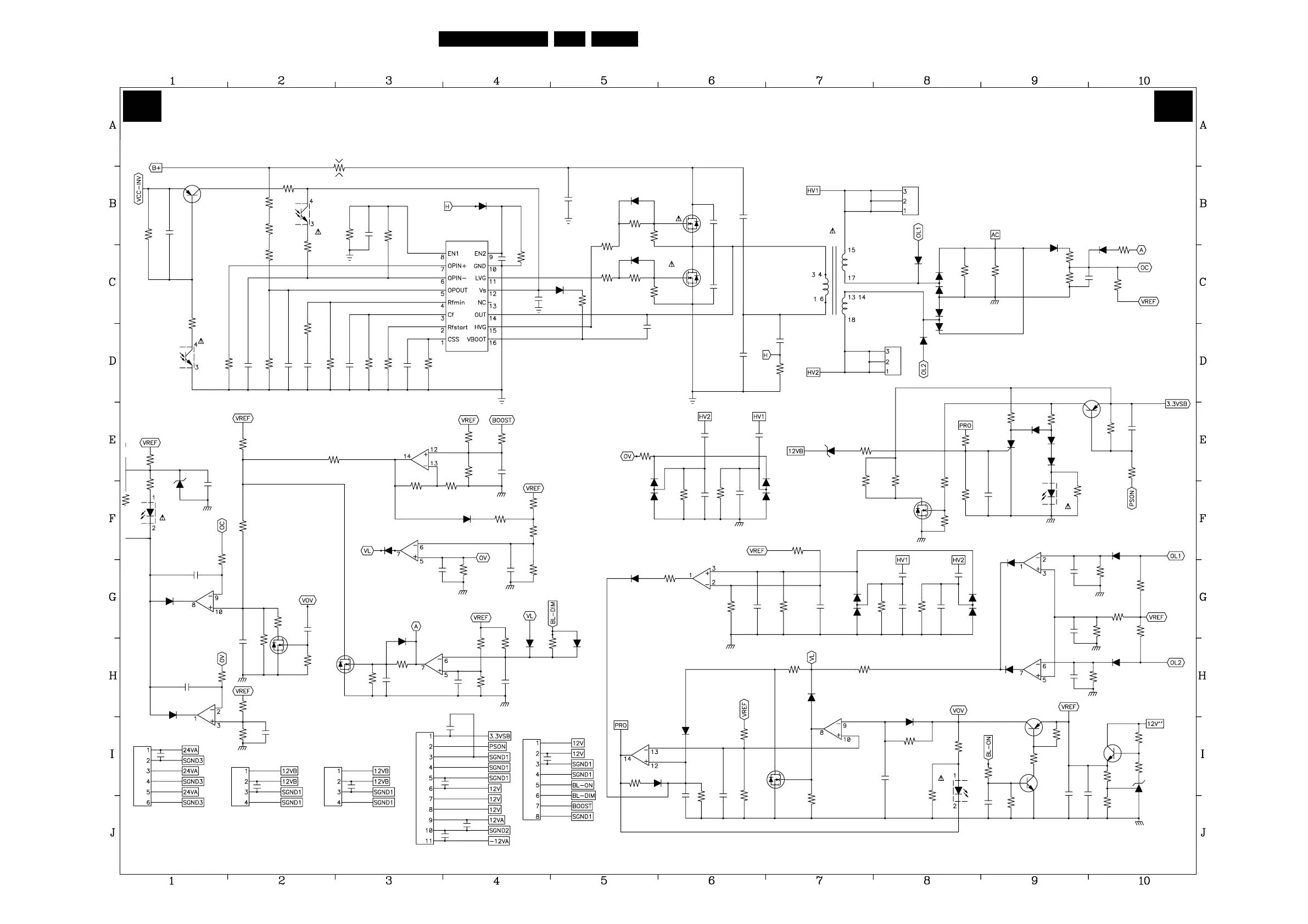
Philips 32PFL7803D/10 - LCD Supply (37 & 42): Part 2

Philips 32PFL7803D/10
152 pages
Print Icon
To Next Page IconTo Next Page
To Next Page IconTo Next Page
To Previous Page IconTo Previous Page
To Previous Page IconTo Previous Page
Loading...
58Q528.2E LB 7.
Circuit Diagrams and PWB Layouts
LCD Supply (37 & 42"): Part 2
R335
2K
IC701
LM324
1/4
D701
BAS316
C706
0.022u
R713
100K
R705
887
C722
0.47u
C724
R716
*
R723
Q708
*
C701
4.7kp
ZD301
5.1A
R306
1K
R768
3.24K
R702
100K
R761
5.11K
C321
1u
PC123
PC301
1/2
R334
750
1/4
R706
10K
1/4
R707
34K
R708
20K
IC701
LM324
IC701
LM324
C727
0.1u
R753
60.4K
C708
1KP
D711
BAS316
BAS316
D712
R712
20K
R717
30.1K
C711
0.01u
R722
10K
Q706
2N7002
C704
0.1u
R718
4.02K
R719
1K
1/2
IC702
LM358
R726
20K
D714
BAS316
*
*
C212
0.1u
C213
0.1u
R714
10K
1/4
D702
BAS316
0.1u
C707
IC701
LM324
R715
6.49K
CN5_2
CN4
C218
0.1u
C214
0.1u
C216
0.1u
C217
0.1u
CN5_1
C215
0.1u
CN6
R317
0.1/FUSE RES
1/2
PC302
PC123
C318
1KP
C307
1KP
C305
1KP
R336
20K
R323
30.1K
R303
10K
R312
8.87K
R337
2K
R301
10
R329
1M/1206
R330
1M/1206
C303
0.1U
R302
10K
4403
Q303
R328
1M/1206
PC301
PC123
C301
1KP
R308
5.11K
R307
1.3K
1/2
D310
BAS316
C306
2.2u
C304
4.7u/0805
R331
19.6K
1M
R311
IC301
DDA001A
5.11K
R310
R709
100K
R309
20K
C309
0.22u
R319
10K
Q302
STP11NM60
Q301
STP11NM60
C302
1u
D309
STTH1R06
R332
2K
R318
10K
R316
100
R315
100
R338
22
R314
22
R313
22
D302
BAS316
D303
BAS316
C308
0.47u/0805
C316
0.1u/630V
C310
330P/1KV
C311
330P/1KV
C312
0.47u/450V
UU35
T301
C317
0.01u/1206
R320
40.2
C315
0.47u/450V
R218
200
D307
BAV99
CN3
D317
BAS316
D212
BAS316
D305
BAV99
CN2
D304
BAS316
D306
BAS316
R327
27/2W
R321
27/2W
R341
1K
C319
0.01u
R344
60.4K
R342D312
*
*
R340
1K
C958
1u
R216
100
R963
100K
4403
Q604
D713
BAS316
D710
BAS316
C717
0.1u
1/4
IC703
LM324
C219
0.1u
CN7
R736
3.01K
R755
100K
R735
2K
D703
BAS316
1Kp
C716
R728
10K
2N7002
Q304
IC703
LM324
1/4
R756
2K/1206
R720
30.1K
R743
51.1K
D709
BAS316
R721 200K
D717
BAS316
D715
BAS316
13K
R766
C709
0.01u
R710
1K
R325
10K
C705
0.1U
R769
17.4K
R333
30.1K
D308
BAV99
R765
4.22K
R741
2K
R326
10K
D311
BAV99
C314
0.015u
C313
0.015u
ZD210
13C
R215
1K
C333
33p/6kV
C327
33p/6kV
R212
100/1206
R737
20K
R739
10K
R742
2K
C713
0.1u
10K
R740
1/2
1Kp
C718
D313
BAV99
IC702
LM358
C326
220p
C325
220p
R343
22
R339
22
C329
22p/6KV
D314
BAV99
1/4
IC703
LM324
LL4148
D707
C330
33p/6KV
R219
10K
SCR210
P0102BL
1/4
IC703
LM324
1u
C957
R214
2K
1
2
PC902
PC123
D705
BAS316
Q707
2N7002
R221
10K
R220
1K
100/1206
R213
LL4148
D704
1/2
R217
1K
BAS316
D210
BAS316
D211
R964
5.11K
D706
LL4148
R729
10K10K
R731
R734
10K
R730
4.7M
C710
0.47u
C714
0.47u
R732
4.7M
C715
0.1u
R733
2.55K
R745
2K
Q703
4401
PC302
PC123
1/2
R738
2K
R746
10K
R304
2K
R744
2K
Q701
4403
D708
BAS316
3M
R711
C725
1u
C723
0.1u
R747
10K
C726
1u
R748
2K
R749
3.01K
C720
1u
R750
1K
R757
511
APL431 2.5V
IC705
Q702
4401/DIP
A2 A2
DISPLAY SUPPLY (37 & 42): PART 2
H_16750_069.eps
110108

Table of Contents

Related product manuals