EasyManua.ls Logo

Philips 32PFL7803D/10 - 7.21 SSB: PNX8541: Analogue AV

Philips 32PFL7803D/10
152 pages
Print Icon
To Next Page IconTo Next Page
To Next Page IconTo Next Page
To Previous Page IconTo Previous Page
To Previous Page IconTo Previous Page
Loading...
82Q528.2E LB 7.
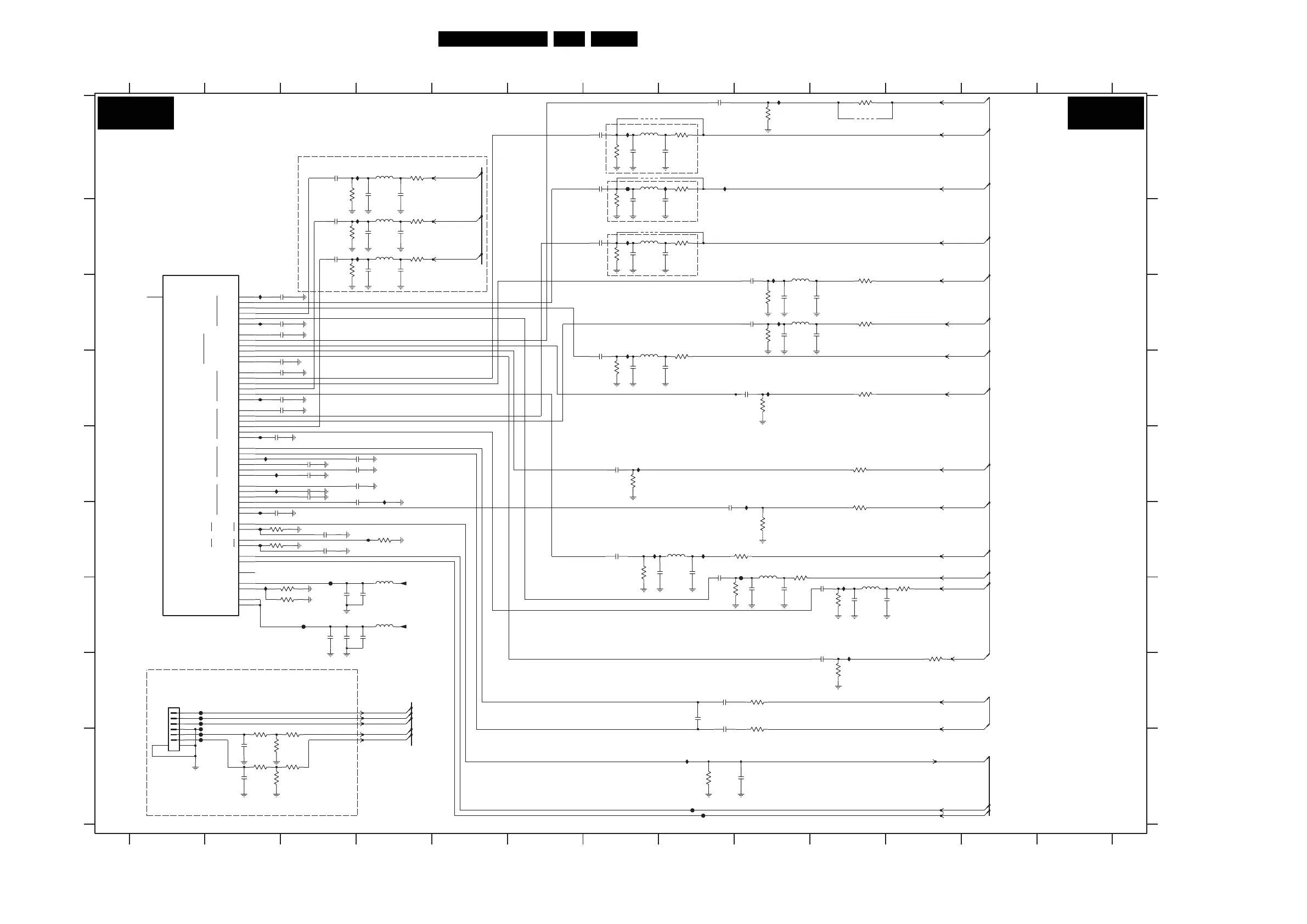
Circuit Diagrams and PWB Layouts
SSB: PNX8541: Analogue AV
ADC2
ADC3
ADC4
ADC4
DAC1
DAC2
CVBS1_Y
CVBS2_C
Pb4_B4
Pb3_B3
Pb2_B2
Pb1_B1
CVBS2_Y2_YC2
SPARE40
REF3
CVBS4
CVBS3_Y3_YC3
Y3_G3
Y4_G4
REF1
SPARE20
Pr1_R1
Pr2_R2
Pr3_R3
Pr4_R4
REF2
SPA RE 30
CVBS1_Y1_YC1
Y2_G2
REF4
IF_N
IF_P
SPARE52
SPA RE 5 3
FM_P
FM_N
SPARE60
C4
C1|YC1
C2|YC2
C3|YC3
REF6
P
N
P
N
HSYNC_IN
VSYNC_IN
AGC
3V3_VIDEO_DAC
VDAC_BIAS
3V3_TEST_DAC
3V3_VIDEO_REF
VSYNC_OUT SPARE10
Y1_G1
ADC1
ADC2
100p
2HTD
IHPF
I
2HUB H10
2HU8 B3
3
B
10 11
MHP
32
B
2HA3 C3
C
D
2HSE C9
2HSF D9
2HSN F7
2HSM D7
2HS8 B7
2HS9 B7
3HS6 F3
2HTC G9
2
A
2HUP E3
3HRP B7
5HR3 C9
5HR2 A7
5HR0 B7
3HU6 B4
PNX 8541: ANALOGUE AV
3HS1 D8
2HT7 D2
3HRY C9
2HT8 E7
3HS0 D9
3HRR B8
3HRS A10
2HT0 G3
2HSZ G3
1HA1 H1
2HSJ D7
2HSK D7
RESERVED FOR ITV
3HTA I2
3HTB I3
IHRA B4
IHRB E4
2HT2 G3
2HT1 G4
5HRC A7
3HS2 D7
3HRV B7
5HRG C9
3HRW C10
IHS4 A4
3HRZ D10
MHP
3HU1 B3
3HU3 B3
2HSR H8
2HSS H8
2HUK F3
2HUN E3
9HS3 B7
9HS4 A10
FHR1 A7
3HS9 E10
8 9
2HTD G9
NON MHP
E
RESERVED FOR ITV
1
3HS8 E7
A
NON MHP
C
D
2HKL F3
IHSA C2
IHSB F2
IHSC D2
IHSD E2
IHSE F2
5HU0 A4
2HSC C9
2HU0 F8
2HS2 B7
2HU2 A4
2HTZ F7
2HSD C9
IHR8 G10
3HSB F9
3HSD G10
FHR6 I8
FHR7 H2
FHR8 H2
3HSA G8
2HA4 D3
2HA5 D3
2HTG G10
2HTH C2
2HTK E3
2HTL I9
IHS3 F4
5HR5 D7
3HSV F9
5HR6 G4
5HR7 G4
5HR9 F92HS3 B7
2HS4 A8
2HS7 A7
5HU1 B4
5HU2 B4
7H00-9 B1
FHR4 G3
FHR5 I8
IHSS A8
IHST A8
IHR5 D7
IHR6 E7
2HU4 B4
IHSG G2
IHSH F2
IHSK E2
IHSL E3
FHR2 F9
3HST F10
IHR0 B7
IHR1 A9
IHR3 C9
IHR4 D9
3HT4 H11
3HSJ A7
2HTP A7
2HTR A8
2HTU C9
2HTV C10
3HSU F7
IHRF F9
IHS2 I8
761
2HT5 D2
3HTD I2
3HTE I3
IHSM E3
IHSN C2
IHSP F8
3HSW F4
3HT3 H10
2HU3 B4
2HST E3
2HSV E3
2HSW E3
2HSY F2
11 12
FHR3 G3
2HTE G10
3HT9 G3
3HU4 A4
3HU5 B4
IHRE F7
H H
2HSA C9
2HSB E3
G
I
G
3HS7 F3
10
12
FHRA H2
FHRB I2
FHRC I2
IHPF A7
2HRZ A7
2HS0 E3
2HS1 B7
3HS4 H9
3HS5 G3
9HS1 A7
IHS5 B4
IHS6 H10
3HS3 H9
5HRL F8
5HRA G10
IHRC C9
2HU1 A4
9HS2 A7
FHR9 H2
3HSM C10
3HSN C9
3HSR F9
3HRT A9
3HRU A8
2HU5 A3
2HU6 B4
3HTC I2
2HT4 G4
2HT3 B3
2HT6 E2
F
PC VGA
2HA2 C2
NON MHP
F
E
3HTF I2
3HU0 A3
2HUC I2
2HUD I2
45
2HU7 B4
RES FOR MHP
13
NON MHP
54
13
2HTB F8
2HTF G10
3HSE G11
3HSF I8
3HSH A8
2HSP F8
2HSQ H8
MHP
MHP
678 9
27R
3HSM
IHRA
100p
2HSK
22n
2HSA
22n
2HA3
2HTB
22n
330n
5HRA
2HUP
22n
47R
3HRY
FHR9
100n
2HTR
100p
2HS7
22n
2HSN
330n
5HR0
IHSS
47R
3HSV
330n
5HU1
IHR4
2HTC
100p
FHR2
100p
2HSE
IHSL
3HU6
27R
2HT7 22n
47R
3HSN
3HRP
47R
2
3
4
5
6
7 8
BM06B-SRSS-TBT
1HA1
1
3HRR
27R
47R
3HRT
IHST
IHRB
22n
2HSJ
2HU4
100p
27R
3HRS
IHR1
22n
2HA2
3HS2
47R
22n
IHR5
2HS0
IHR8
IHR0
2HSZ
100n
2HSR
100n
22n
2HUN
2HU6
100p
IHSP
100p
2HU3
22n
2HT5
75R
3HSF
22n
2HS9
100p
2HRZ
100n
2HT2
2HSB22n
3HSJ
47R
22n
2HTK
27R
3HST
330n
5HRC
2HS3
100p
2HST
100n
2HS8
100p
3HRZ
27R
5HU0
330n
3HS6
IHS4
75R
5HR6
30R
75R
3HSW
IHSA
12p
2HSQ
IHSC
2HT4
10u
IHS5
47R
3HSA
47R
3HSD
IHS3
10u
2HT1
IHSM
2HTH
IHSN
22n
100p
2HU1
120R
3HTD
FHRC
27R
3HS1
FHR6
22n
2HSV
RES
FHR8
IHR6
3HU3
47R
22n
2HTG
100p
2HSP
100n
2HSS
4K7
3HT9
IHSD
2HTZ
100p
3HRW
27R
2HSC
22n
5HR3
330n
330n
5HRL
22n
2HT6
270p
2HUK
27R
3HS9
100p
2HTV
IHRF
22n
2HA5
2HSW22n
2HU5 22n
100p
2HUC
390R
3HS3
2HS1
22n
2HUB
22n
27R
3HU5
100p
2HTF
IHR3
IHSG
3HRV
47R
2HKL
270p
27R
3HSB
100p
2HSM
5HU2
330n
330n
5HR2
3HTB
220R120R
3HTA
9HS1
IHS6
IHSE
2HTP
100p
FHR7
22n
2HT8
2K2
3HTF
27R
3HRU
FHR3
2HSF
22n
3HS0
47R
IHSH
FHR5
22n
2HT0
FHRB
22n
2HS4
5HR9
F2
G1
G2
G3
330n
K1
P4
M3
M4
N2
C3
T4
R5
L1
G4
J4
L2
R4
P3
F1
H1
M2
P5
R1
R2
R3
K2
K3
K4
A2
J1
J2
J3
N1
M5
F3
M1
N4
P1
P2
N3
H2
B3
A3
B2
VIDEO ANALOGUE
L4
D4
K5
A1
7H00-9
PNX8535
100p
2HU2
47R
3HT3
IHS2
3HTC
2K2
9HS4
9HS3
9HS2
22n
2HA4
FHR1
27R
3HSE
2HUD
100p
3HS4
390R
FHR4
3HSR
27R
220R
3HTE
IHSK
5HR5
330n
IHRC
3HS5
4K7
IHRE
47R
3HS8
3HSH
27R
IHSB
47R
3HU0
2HSY
22n
100p
2HU7
5HRG
330n
FHRA
3HSU
47R
3HS7
75R
27R
3HU4
3HT4
27R
5HR7
30R
2HS2
100p
47R
3HU1
2HT3
100p
2HSD
22n
2HU0
100p
2HTE
22n
100p
2HTU
22n2HU8
270p
2HTL
AV1- Y
AV1-PB
AV1-Y_CVBS
H-SYNC-VGA
IF-N
HD-PR_PC-R
HD-Y_PC-G
HD-PB_PC-B
H-SYNC-VGA
V-SYNC-VGA
AV1-PR
AV3-PR
HD-Y_PC-G
HD-PR_PC-R
HD-PB_PC-B
+3V3-PER
Y_CVBS-MON-OUT
AV4-PR
FRONT- C
IF-P
CVBS4
V-SYNC-VGA
AV3-Y
AV3-PB
AV2-Y_CVBS
+3V3-PER
FRONT-Y_CVBS
AV4- Y
AV4-PB
B04K B04K
I_17960_032.eps
220508
3139 123 6341.2

Table of Contents

Related product manuals