EasyManua.ls Logo

Philips 32PHD5813/55 - AD87072-LG48 NRY (IC U601-Audio)

Philips 32PHD5813/55
59 pages
Print Icon
To Next Page IconTo Next Page
To Next Page IconTo Next Page
To Previous Page IconTo Previous Page
To Previous Page IconTo Previous Page
Loading...
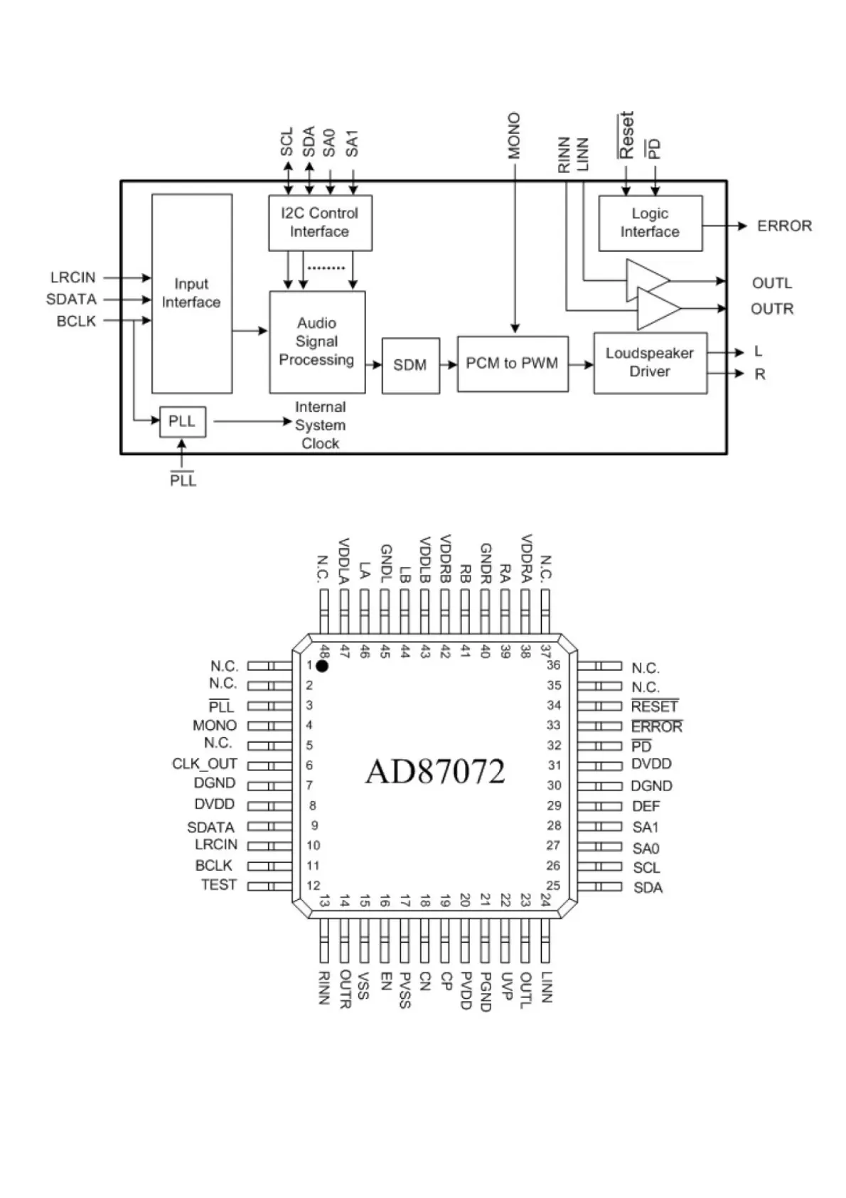
8.2 AD87072-LG48NRY (IC U601--Audio)

Table of Contents

Related product manuals