EasyManua.ls Logo

Philips 32PHD5813/55 - 9.3-4 Audio Interface

Philips 32PHD5813/55
59 pages
Print Icon
To Next Page IconTo Next Page
To Next Page IconTo Next Page
To Previous Page IconTo Previous Page
To Previous Page IconTo Previous Page
Loading...
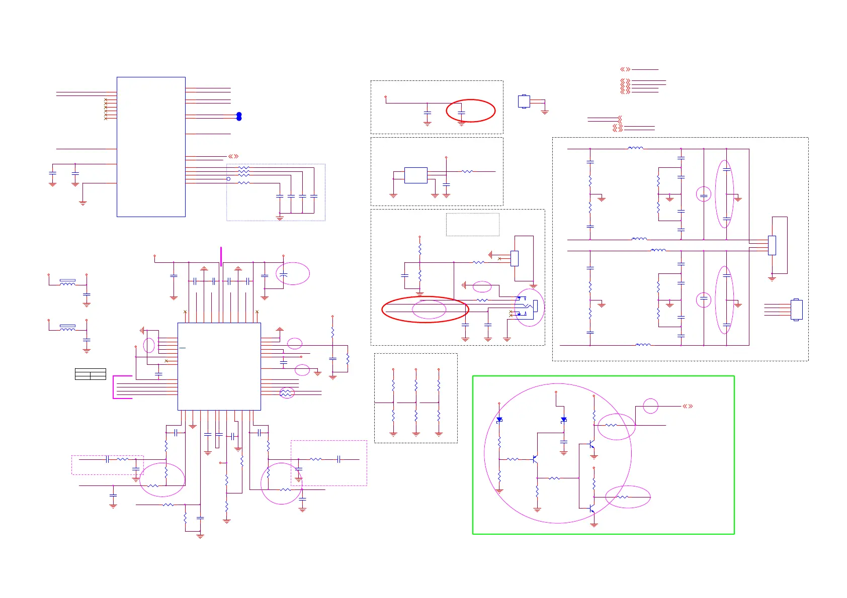
9-3-4 Audio Interface
AMP_SA0 AMP_DEFAMP_SA1
HPOUTL HPOUTL_ISO
HPOUTR HPOUTR_ISO
Reverse R6062+ Net HPOUTR &
R6060+ Net HPOUTL_0304
AMP_RESET
M odify PO P schemat ic_2016-0307
C634
220N 50V
R6025
22R 1/ 16W 5%
R6024
16K 1%
R6061 NC /0R05 1/16W
L604
15uH
R6003 22R 1/16W 5%
C6001
100NF 16V
C6036 1uF 10V
C6048
1uF 10V
C6026
0.1uF 25V
C6035 1uF 10V
R6028
NC/1MOHM 1/16W +/-5%
C6031
10UF 16V
R6005
33R 1/ 16W 5%
L602
15uH
C6034
330NF 50V
D601
NC/FB340M
12
FB602
120R 3A
1 2
C6047
1uF 10V
R645
NC/10K
C6025
1uF 10V
R623
10 OHM
C6032
68PF 50V
C6007
10PF 50V
R6011
43K 1/16W
R622
10 OHM
R636
NC/100K 1/16W 5%
R659
NC /0R05 1/16W
R6030
NC /10K 1/16W 5%
C6015
0.1uF 25V
TP3 TP
C6038
0.1uF
C6041
330PF 50V
C6005
10PF 50V
TP402
DDR_DEBUG_PAD
1
R6031
10R 1/16W 5%
R632
NC /1K 1/16W 5%
U401-3
MT5800WU EJ
AIN_R0
C22
AIN_L0
C24
AIN_R1
B23
AIN_L1
E23
AIN_R2
D23
AIN_L2
A22
AIN_R3
B22
AIN_L3
C23
AVDD33_AADC
E21
VMID_AADC
D22
AVSS33_CLN
K19
AR0_ADAC
A25
AL0_ADAC
C25
AR1_ADAC
B26
AL1_ADAC
A27
AR2_ADAC
B25
AL2_ADAC
A26
AVDD33_ADAC
F21
ASPDIFI
AG27
ASPDIF O0
AH28
AOBCK
AF27
AOLRCK
AD26
AOMCLK
AG28
AOSDATA1
AE27
AOSDATA0
AF28
C6012
4.7UF 10% 10V
C6045
1uF 10V
R639
NC /0R05 1/16W
R6037
10K 1/16W 5%
R627
10 OHM
R644
NC /0R05 1/16W
R6032
NC /10K 1/16W 5%
C623
470pF 50V
FB601
120R 3A
1 2
Q603
NC /LMBT3906LT1G
1
23
C642
470pF 50V
R6033
NC /10K 1/16W 5%
C6010
NC /100NF 16V
R6027
1K 1/16W 5%
C6028
0.1uF
C6040
68PF 50V
C6014
0.1uF 25V
C6006
10PF 50V
R6039
16K 1%
Q601
NC/MMBT3904
C643
NC/100N 50V
L603
15uH
+
C6055
470uF 16V
C629
NC/100N 50V
C6004
1UF 16V
C6008
10PF 50V
C618
220N 50V
R6029
43K 1/16W
C621
220N 50V
R6040
16K 1%
L601
15uH
CN601
CONNNECTOR
GND
1
VCC
2
VIN
3
GND
4
GND
5
R6002 22R 1/16W 5%
R6064
10R 1/16W 5%
HS601
HEAT SINK
1
2
R628
10 OHM
TP403
DDR_DEBUG_PAD
1
C601
NC/10UF
R613
10 OHM
R6063
16K 1%
C624
NC/100N 50V
C6003
100NF 16V
C6011
4.7UF 10% 10V
R6034
10K 1/16W 5%
C6009
100NF 16V
C6027
0.1uF 25V
C6002
10UF 6.3V 20%
R6001 22R 1/16W 5%
R6008
NC /4K7 1/16W 5%
R6068 NC/0R 05 1/16W
C6022
0.1uF
C640
220N 50V
C6016
100NF 16V
R6036
10K 1/16W 5%
C6039
1uF 10V
R6038
30K OHM
CN602
NC/CONN
1
2
3
45
U601
AD87072-LG48N RY
NC
1
NC
2
PLL
3
MON O
4
NC
5
CLK_OUT
6
DGND
7
DVDD
8
SDATA0
9
LRCIN
10
BCLK
11
TEST
12
RINN
13
OUT R
14
VSS
15
EN
16
PVSS
17
CN
18
CP
19
PVDD
20
PGND
21
UVP
22
OUT L
23
LIN N
24
SDA
25
SCL
26
SA0
27
SA1
28
DEF
29
DGND
30
DVDD
31
PD#
32
ERROR#
33
RESET#
34
NC
35
NC
36
NC
37
VDDRA
38
RA
39
GNDR
40
RB
41
VDDRB
42
VDDLB
43
LB
44
GNDL
45
LA
46
VDDLA
47
NC
48
THERMALPAD
49
CN605
CONN
1
2
3
4
56
C6049
1uF 10V
R6026
1K5 1/16W 5%
C616
470pF 50V
C6023
10UF 16V
C630
470pF 50V
R638
NC/10K
R6035
10K 1/16W 5%
C6013
100NF 16V
R611
10 OHM
R6004
22R 1/16W 5%
R6043
10K 1/16W 5%
C6046
1uF 10V
AMP_PWR DN
Q602
NC/MMBT3904
C6029
1uF 10V
C615
NC/100N 50V
C6033
0.1uF
R6006
NC /4K7 1/16W 5%
C6021
330NF 50V
R640
NC/10K
C6024
1uF 10V
R614
10 OHM
R612
10 OHM
C6042
330PF 50V
R635
NC/10K
PVDD
DVDD3V3
AUD_V33
AUD_V33
PVDD
AUD_V33HP
CN604
NC CONN(1.2MM)
1
2
3
4
Verti cal_201 7-1130
Dual Lay with CN605
DVDD3V3
DVDD3V3
AUD_V33
AUD_V33
AUD_V33HP
AVDD3V3
+5V_SW
R-
L-
R+
L+
3V3SB
AUD_V33 AUD_V33AUD_V33
3V3SB
DVDD3V3
+12V
AL1_ADAC
17
AR1_ADAC
17
AIN_R0
7
PWRDN-HP
16
AIN_L0
7
OSCL0
5
OSDA0
5
ARC
14
OPCTRL9
13
PWRDN
16
AMP_RESET
13
AMP_RESET
R6042
0R05 OHM
OSDA0
OSCL0
R6041
0R05 OHM
PWRDN
AIN_L0
AIN_R0
I2C Address =0x60 default mode mute
Close to main chi p
AR2_ADAC
AL2_ADAC
AVDD33_AADC
AR1_ADAC
AL1_ADAC
VMID_AADC
HP isolution
Headphone for H TV
AOSDATA1
HPDET#
Low: normal
High: HP detect
Option Anti- pop
PWRDN-HP
Anal og Pow e r
PWRDN-HP
LB
Close to M T5800
AMP_SA1
AMP_SA0
Close to M T5800
PWRDN-HP
SDI
RB
CN603
PHONE JAC K
1
2
3
4
5
6
7
RA
LRCLKI
Close to U601
BICKI
AVDD33_ADAC
Close to U601
LA
AL0_ADAC
MCLK
D602
NC /FB340M
12
Independet
Gnd shielding
AMP_PWRDN
AMP_DEF
ASPDIFO0
AOMCLK
AOLRCK
AOBCK
LA
RA
AR0_ADAC
AOSDATA0
Spearate
VCC trace
HPOUTL
R+
L-
RB
L+
R
L
R-
CFG1
HL
CFG0
Srereo
AL0_ADAC
AR0_ADAC
AR1_ADAC
AL1_ADAC
LB
Stereo m ode:
FB607, FB610,
C628: NC
AIN_R0
O PTICAL SPDIF O UT
ASPDIF O0
OSCL0
OSDA0
ARC
AIN _L0
SDI
MCLK
BICKI
LRCLKI
Modify by 11/26
AVDD33_AADC
HPOUTR
L+
R+
L-
AVDD33_ADAC
R-
Cost down by 11/30
AVSS33_CLN
HPDET#
HPDET#

Table of Contents

Related product manuals