EasyManua.ls Logo

Philips 36PW9618 - 6.2 Block Diagrams

Philips 36PW9618
172 pages
Print Icon
To Next Page IconTo Next Page
To Next Page IconTo Next Page
To Previous Page IconTo Previous Page
To Previous Page IconTo Previous Page
Loading...
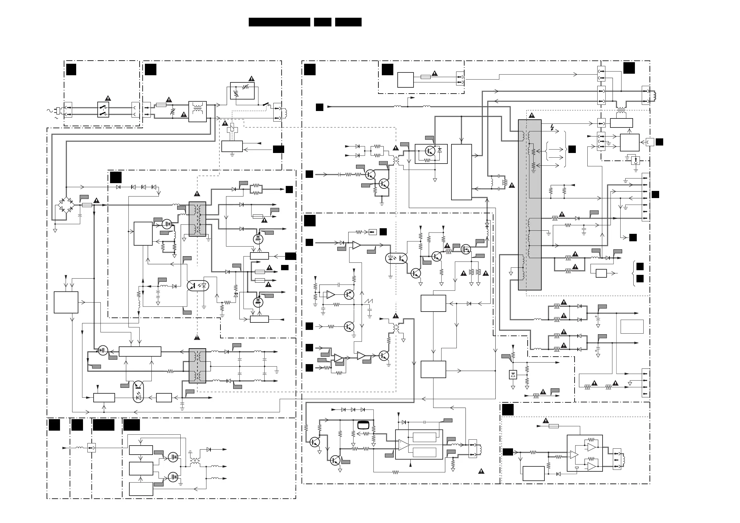
36EM6E 6.
Wiring Diagram, Block Diagrams and Overviews
Block Diagram Supply and Deflection
CL 36532008_004.eps
060503
LINE DEFLECTION
A3
DC-SHIFT
(OPTIONAL)
G
DAF
LOT
I
MAIN SUPPLY
A1
MAINS SWITCH
PANEL
(PARTLY)
E
FRAME DEFLECTION
E/W DRIVE
A4
STAND-BY SUPPLY
DC/DC CONVERTER
MAIN SUPPLY
A2
A2 A8 B14A B12
ROTATING CIRCUITRY
A5
B4
A1
B5A
F1
220V
A28
A15
A10
A1
A11
A13
A16
A2
A8
A45
A43
A44
A46
A47
A29
A25
A26
A24
A22
A31
A12
A3
A23
A20
A42
3431
2430
2431
6408
6080
6620
+11D
+5.2V
+5.2V_MP
DEGAUSSING
6407
6110
3115
3116
+8V6-SWITCH
7130
OTC
STANDBY
7131
7140
7141
CONTROL
6113
1969
6111
2.5A
3415
94
5410
7421
BU2520DX
+141V
LINE
OUTPUT
CIRCUIT
+
EW
CORR.
5421
EW
61
3416
7408
SUP-ENABLE
COLD HOT
3404
7409
341434062492
+
LINEDRIVE 1
EW-DRIVE
HOP
VTUN
5
7
1
2
5
+8V-S +141V
7482
3492
3484
3493
3488
7487
3483
EW
PROTECTION
CIRCUIT
3481
5467
6480
7480
STP3NB60
7486
E/W - DRIVE
FRAME DEFLECTION
4
7450-B
3654
6456
6
+VBATT
EHT
FOCUS B
DYNAMIC FOCUS
FILAMENT
HFB_X-RAY-PROT.
200V
SIM
VG2
10
8
11
9
3
4
6
12
3450 3451
1491
+11D
+11D
EHT-INFO
EHT-INFO
VIDEO
SUPPLY
+11D
PORPOR
7445
FILAMENT
TO
CRT
F1
A6
TO
1424
CRT
A4
TO
E/W
DRIVE
5
5430
HOT COLD
COLD
AUDIO
B4
A8
HOP
HOT
COLD
HOT
1
5400
HOT
COLD
HOP
FROM
HOT
OTC
COLD
HOT
HOT COLD
COLD
HOT
HOT
COLD
COLD
6
5
5621
7614
3641
10
1
2
1
1417
1418
1497
5800
1492
2
1
1
2
1
317
2
1
1419
1
2
2
1
4
1550
7501
7528
3
DEG.
COIL
1502
1
2
0201
1
2
1505
1
2
2
1
4
3
0202
2
1
VERT.
DEFL.
COIL
1625
3
1
5
8
6
2
ROTATION
DEFLECTION
COIL
1620
2
3
4
5
6
7
1
7611
1424
B4
A8
B5A
DAF
TO 1693
I
A8
3
1
7450-A
2
7
3
2622
5
4
-15V-LOT
62
OP. AMP
1
5
7
3455
3457
2403
7441
3459
7455
+8Vb
+13V-LOT
ARC-PROT
+8Vb
+8Vb
85
5101
7103 OR
7104
9
10
11
12
3
6107
3113
6122
+11V_STBY
+11V
+5.2V
+5.2V_MP1
+5V
+5.2V_MP
+8V6
+11V_STBY
6103
6109
6119 6118 6117
5102
2102
2163
3120
-20V
5132
2
1
3456
3404
3419
7440-B
CURRENT
SOURCE
6
2
1
3
HFB_X-RAY-PROT
B4
B4
FRAMEDRIVE +
HOP
HOP
HOP
FRAMEDRIVE -
B4
FOCUS A
2
3
4
1
1495
3479
6499
EW
7442, 7654
7653
3660 3640
3631
+8V-S
6627 6626 6625
3642
3643
TV
3630
3632
3623
3620
5620
3634
FLYBACK
GENERATOR
3638
7620
TDA8177
7612
7641
7443
7652
TILT
OTC
3480
STARTUP
STARTUP
V-START
1503
2.5A
2516
+375V
GND-STB
5107
3509
1501
RP
RS +to
3
21
3550
F4AH
MAINS
SWITCH
V
MAINS
FILTER
ACTIVATING
CIRCUIT
5501
5502
5503
5504
5511
5516
3400
3460
3461
3462
3463
6462
6463
2462
+13V - LOT
+13V LOT
TO
PANEL
ON
CRT
NECK
(OPTIONAL)
-12V8
5463
6400
3447
2443
6400
5461
A32
2464
A37
A36
A40
A39
A33
A35
3
1
7440-A
3658
2
B5A
3657
3464
34993498
3686
3684
+Vp
+11V_ROT
1601
125mA
7680
TDA7052
3685
7681
7682
3465
3449
6464
6465
-15V - LOT
FRAME
DEFLECTION
SUPPLY
5465
3
2
4
1
7507
TCET1103
5
3108 3118
5113
4
1
2
PROTECTION
CIRCUIT
SWITCH OFF
CIRCUIT
IN STAND-BY
D
S
G
THERMAL
PROTECTION
1051
D
G
S
A21
+5V-SWITCH
CONTROL
3114
3124
-20V
VBATT
A7
65355507
3514
7506
TL431
5514
2512
+
+
2511
+
2515
+VBATT
GND-AUD
SUP-ENABLE
SUP-ENABLE
7529
+375V
-20V
6
5506 OR
5612
7502
7530
STARTUP
7504
STP5NB40
7
9
10
5
4
3
1
+16V+19V
AUDIO SUPPLY
-16V-19V
AUDIO SUPPLY
5509 6536 5513
2542
+
+
2543
D
G
S
CONTROL
CIRCUIT
QUICK
SWITCH
OFF
MAIN SUPPLY
ACTIVATING
CIRCUIT
VOLTAGE
BOOSTER
7U04
6U02
+3V3_ILINK
+3V3_SIM
7U03
5U01
5U05
+3V3_DCDC FBX
5U06
PWM
GENERATOR
AND DRIVERS
VOLTAGE
CONTROL
FEEDBACK
VBATT
ADJ.
CONTROL
CIRCUIT
D
7102
7100
7101
7105
7120
G
S
D
G
S
6525
GBU4J
2
1
3
+
+
-
4
1930
1968
2A
1A
ON
DC-
SHIFT
CIRCUIT
A4
SUP-ENABLE
SUP-ENABLE
COLD
HOR. DAF
CIRCUIT
VER. DAF
CIRCUIT
HOT
LINE
DEFLECTION
COIL
A18
A19
A17
A30
A48
A34
A49
A38
A6
IU06
IU05
2457
SUPPLY DEFLECTION
5401
1430
400 mA
1
3
1
2
A50
+13V-LOT
3635
3636
+11D +8Vb
1
2
3
7613
TL431
3637
+8V-S
1693
5104
4
+11V
1147
5903
1I70
7505
7508
7503

Related product manuals