EasyManua.ls Logo

Philips 36PW9618 - Mains Switch Panel

Philips 36PW9618
172 pages
Print Icon
To Next Page IconTo Next Page
To Next Page IconTo Next Page
To Previous Page IconTo Previous Page
To Previous Page IconTo Previous Page
Loading...
94EM6E 7.
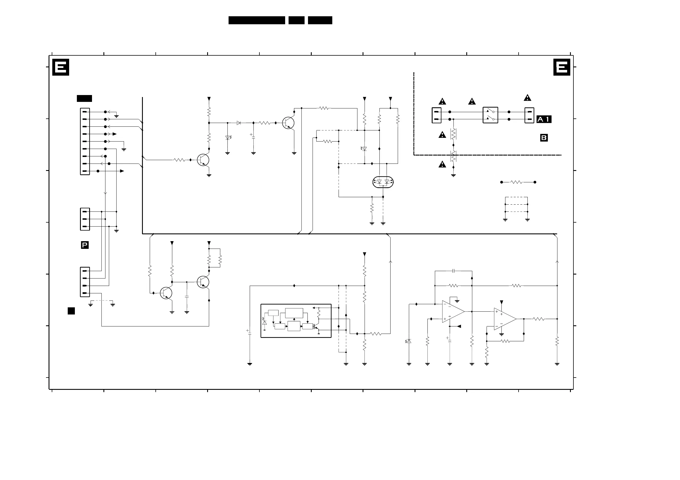
Circuit Diagrams and PWB Layouts
Mains Switch Panel
PASS
CTRL
CIRCUIT
AGC
INP
PIN
DEM
BAND
GND KEYBOARD
BLUE
KEYBOARD
GND KEYBOARD
GND KEYBOARD
+8V6
3V3
1040 E5
D
E
1051 A9
*
*
*
*
*
*
*
*
**
*
*
*
*
#
#
##
##
3066 B8
3070 F8
ON/OFF LED
5V-STANDBY
RC5
RC5-RECEIVER
##
1505 OF
COLD
IR-LED
LIGHT SENSOR
KEYBOARD
GND KEYBOARD
F
A
B
C
D
E
F
0201 B8
0202 A10
0241 A1
0245 C1
0248 D1
3081 D3
3082 D3
107V
FROM/TO
TO 1946
GND KEYBOARD
BLUE LED FUNCTION
2040 F4
HOT MAINS SWITCH
SENSOR
MAINS
1V9
0V
0V
50Hz/60Hz
LIGHT
9054 B6
9055 B6
KEYBOARD
10
10987654321
987654321
A
B
C
9098 C9
9099 C9
0V
0V
0V
0V
0345 OF
MAINS SWITCH PANEL
*
#
3998 C9
2060 B4
2070 D8
2071 F8
2080 E3
3040 D6
3041 F6
3042 E6
3043 F7
3050 C7
3051 B7
3052 B7
3053 B6
3054 B6
3057 B8
3060 B3
3061 A3
3062 B3
3063 B5
3064 A6
F015 C10
I001 E2
0V
TO LSP
0V
4V8
3V
5V3
0V5
Top supply
0V2
IN
3071 E8
3072 F9
3073 F9
3074 E9
3075 E10
3078 F10
3079 F9
3080 D2
I022 B7
I023 E6
3V
0V2
4V8
107V
3083 D4
6050 B6
6051 C7
6060 B4
6061 B4
6070 F7
7060 B4
7061 A5
7070-A E8
7070-B E9
7080 E3
7081 E3
9040 F6
9041 E6
9042 F6
9043 E6
9050 C7
9051 C6
9052 B6
9053 B6
BACKLIGHT TC
107V
OR
FROM/TO
3V5
3V3
Line deflection
0V
MG
I002 B8
0V
9096 E1
9097 C9
I024 E6
I025 E3
107V
REDGREEN
AC
F001 A2
F002 A2
F003 B2
F004 B2
F005 B2
F006 B2
F007 B2
F008 B1
F009 B2
F010 A8
F011 A8
F012 A9
F013 A9
F014 C9
*
I003 B8
I004 E3
I005 D3
TOP CONTROL
I006 C7
I007 E5
I008 F6
I009 B3
I010 B3
I011 B3
I012 B7
I013 B4
I014 B5
I015 E9
I016 E8
I017 E8
I018 F9
I019 F10
I020 B6
I021 A5
ROHM RECEIVER
9050
6070
BPW46
3071
4M7
I021
I019
1
2
3
0245
EH-S
F014 F015
330R
3040
3998
1K
I001
3
4
5
6
7
8
9
I004
0241
1
2
I009
I007
3074
10K
I016
8V6
I015
3042
6K8
TLDR5400
6060
13
2040 100u
3053
560R
3K3
3079
I022
5V-STANDBY
8V6
9043
F001
F003
I002
F002
6051
TLUV5300
13
2
I018
I024
3081
I023
10K
3080
10K
3GND
4
M1 M2
5
1OUT
2VS
8V6
9042
1
2
1040
0202
3078
3K3
I020
470R
3043
F011
F012
F008
F010
F009
100R
3062
7060
BC847B
3060
10K
2070
470n
I025
9096
I011
I012
I014
3
2
1
8
4
I006
7070-A
LM358N
3051
330R
8V6
6050
TLDR5400
3083
150R
7070-B
LM358N
5
6
7
8
4
1K0
3050
3070
4M7
9055
9052
9054
5V-STANDBY
I013
3052
330R
BC337-25
7080
5V-STANDBY
8V6
3M3
3066
5V-STANDBY
9040
9053
7081
BC847B
0248
EH-S
1
2
3
4
8204 000 6627.1
2080
100n
9097
I010
BC847B
7061
F013
10K
3041
4K7
3075
150R
3082
3M3
3057
F007
F004
F006
F005
9099
9098
0201
1
2
I003
8V6
I008
3064
100R
330R
3061
I017
2071
10u
I005
9041
3063
10K
3073
3K3
6061
1N4148
22u
2060
100R
3054
56
3072
1K
1051
SDDF
13
24
BLUE_LED_KEYB
9051
LIGHT_SENSOR
RC5
ON_OFF_LED
RC5
ON_OFF_LED
BLUE_LED_KEYB
ON_OFF_LED
LIGHT_SENSOR
CL 36532008_061.eps
080503
A10
TO
1245
LCD BOARD
(ONLY FOR SETS
WITH LCD DISPLAY)
L

Related product manuals