EasyManua.ls Logo

Philips 36PW9618 - Page 52

Philips 36PW9618
172 pages
Print Icon
To Next Page IconTo Next Page
To Next Page IconTo Next Page
To Previous Page IconTo Previous Page
To Previous Page IconTo Previous Page
Loading...
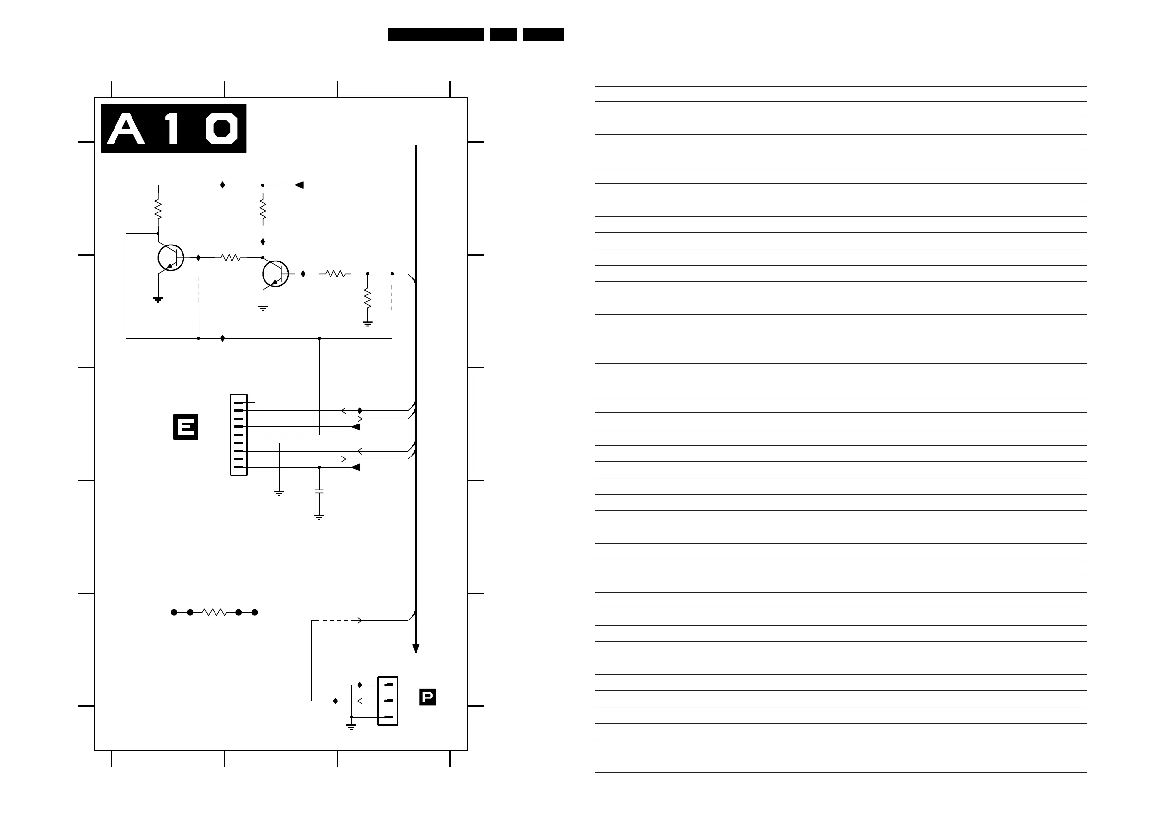
52EM6E 7.
Circuit Diagrams and PWB Layouts
Large Signal Panel: Front
D
E
1945 E3
1946 B2
2459 D2
B
C
D
E
A
B
SWITCH
3201 A1
3205 B3
3998 E1
7213 B2
7214 B1
9905 E2
9927 B3
TO
MAINS
0346
123
123
A
I935 A2
I937 B1
I938 B2
I939 C3
I950 E2
I961 E3
C
0241
TO
PANEL
FRONT
3202 A2
3203 A2
3204 B2
A8
A8
9928 B1
TOP
CONTROL
F900 E1
F901 E1
F902 E2
F903 E2
I933 A1
I934 A1
+5.2V
9928
9927
1K0
3201
3203
1K0
10K
3205
3204
10K
7213
BC847B
BC847B
7214
+5.2V
F903
F901
F900
3202
10K
1
2
3
4
5
6
7
8
9
B9B-EH-A
1946
I961
F902
1945
1
2
3
3998
1K
+8V
I950
9905
2459
1n0
I935
I939
I934
I937
I938
I933
KEYBOARD
RC
ON-OFF-LED
KEYBOARD
ON-OFF-LED
LIGHT-SENSOR
CL 36532008_026.eps
070503
8204 000 8280.3
A8
A8
A8
A8
Personal Notes:

Related product manuals