EasyManua.ls Logo

Philips 39” LCD TV - TV Cable Wiring Diagram

Philips 39” LCD TV
97 pages
Print Icon
To Next Page IconTo Next Page
To Next Page IconTo Next Page
To Previous Page IconTo Previous Page
To Previous Page IconTo Previous Page
Loading...
4-5 PL13.11_DC
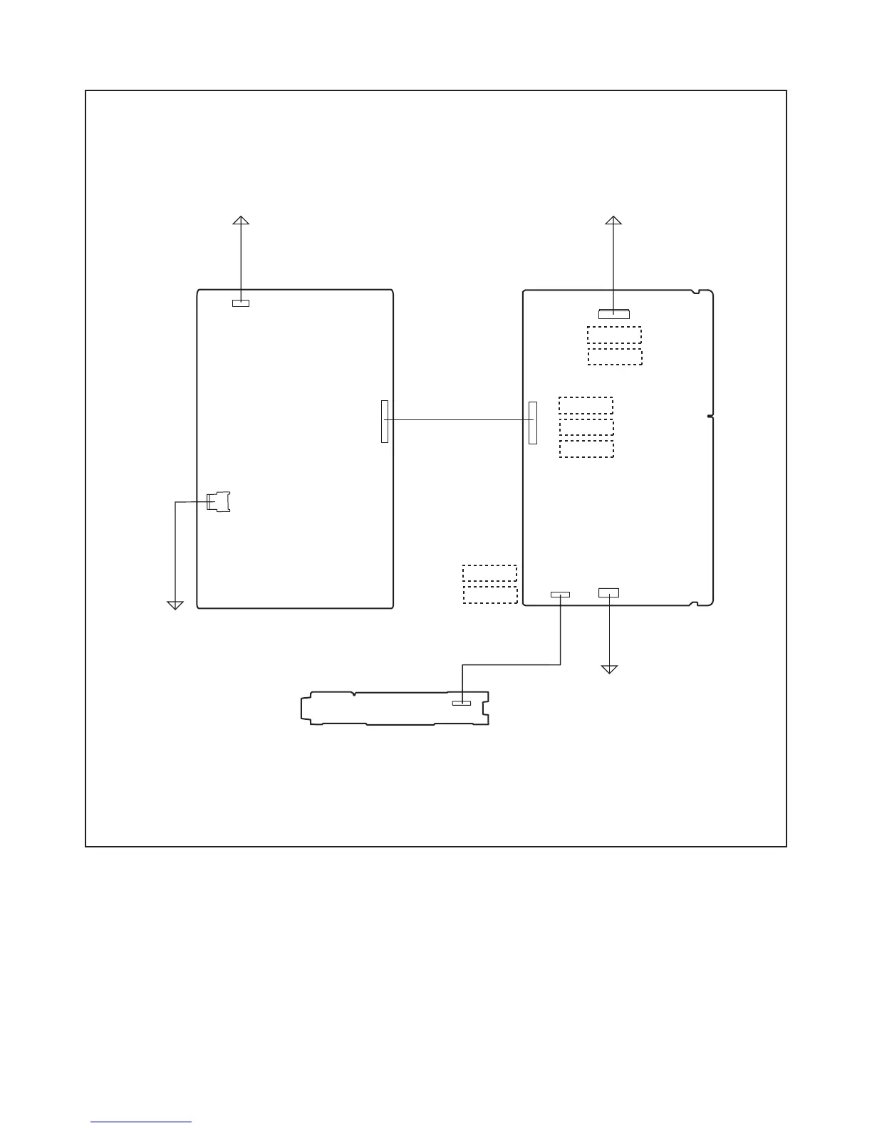
TV Cable Wiring Diagram
Power Supply CBA
Function CBA Unit
To LCD Panel
Assembly
To LCD Panel
Assembly
To AC Cord
To Speaker
Digital Main
CBA Unit
CN3801
CN4052
CN1001
CN601
CN501
CN3906
CN3101
*1
CN3105
CN3701
*1
*2
CN3601
CN3013
*1
*2,*3
*3
CN3602
*2,*3
Fig. D5
*1: TYPE A
*2: TYPE B
*3: TYPE C

Table of Contents

Related product manuals