EasyManua.ls Logo

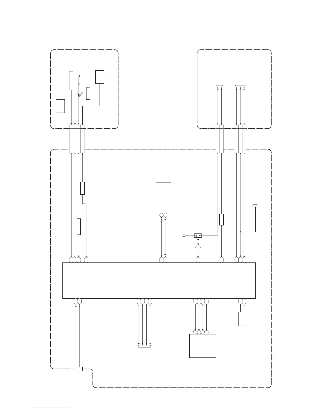
Philips 39” LCD TV - System Control Block Diagram [TYPE B]

Philips 39” LCD TV
97 pages
Print Icon
To Next Page IconTo Next Page
To Next Page IconTo Next Page
To Previous Page IconTo Previous Page
To Previous Page IconTo Previous Page
Loading...
9-6
TO
LED BACKLIGHT DRIVE
BLOCK DIAGRAM
TO
POWER SUPPLY
BLOCK DIAGRAM
RESET
P-ON-H2
CN3701
CN3701
Q3006
Q3005
PROTECT3
BACKLIGHT-SW
BACKLIGHT-ADJ
POWER SUPPLY CBA
CN501
CN501
AL+3.3V
R12
IC3005
(MAIN MICRO CONTROLLER)
DIGITAL MAIN CBA UNIT
XOUT25
XIN25
X3001
25MHz
OSC
H15
H16
PROTECT3
B13
RESET J15
KEY-IN1
A15
BACKLIGHT-SW E2
LED1
D14
P-ON-H2
B16
REMOTE
C14
F3BACKLIGHT-ADJ
IC3006 (MEMORY)
SCK
SI
SO
T11
P11
R11
P12
6
5
2
1
T12
SCL
SDA
CS
SCK
SIN
SOUT
CS
TO VIDEO/AUDIO
BLOCK DIAGRAM
TO
VIDEO/AUDIO
BLOCK DIAGRAM
AUDIO-MUTE
AUDIO-MUTE
C1
COMP-DET
COMP-DET
N12
HP-MUTE
HP-MUTE
G13
HP-DET
HP-DET
K16
SCL
SDA
4
3
TU3901 (TUNER UNIT)
REMOTE
SENSOR
RS4051
P-ON+5V
D4051
POWER
KEY-IN1
REMOTE
LED1
4
4
5 5
6
6
CN3101 CN4052
Q3501, Q3502
LED DRIVE
IC3009
RESET
BACKLIGHT-SW
KEY SWITCH
18 6
4
3
5
7
20
21
19
17
P-ON-H2
RESET
PROTECT3
BACKLIGHT-SW
BACKLIGHT-ADJ
FUNCTION CBA UNIT
LIGHT
A13
LIGHT73
Q3010
BUFFER
LIGHT
SENSOR
IC4051
T10
R10
CN3009
USBDP
USBDN
USBDP
USBDN
USB JACK
PL13.11BBLS
1. System Control Block Diagram
[TYPE B]

Table of Contents

Related product manuals