EasyManua.ls Logo

Philips 40PFK4100/12 - Connections

Philips 40PFK4100/12
150 pages
Print Icon
To Next Page IconTo Next Page
To Next Page IconTo Next Page
To Previous Page IconTo Previous Page
To Previous Page IconTo Previous Page
Loading...
Technical Specs, Diversity, and Connections
EN 4 TPN15.1E LA2.
2015-Oct-30
back to
div. table
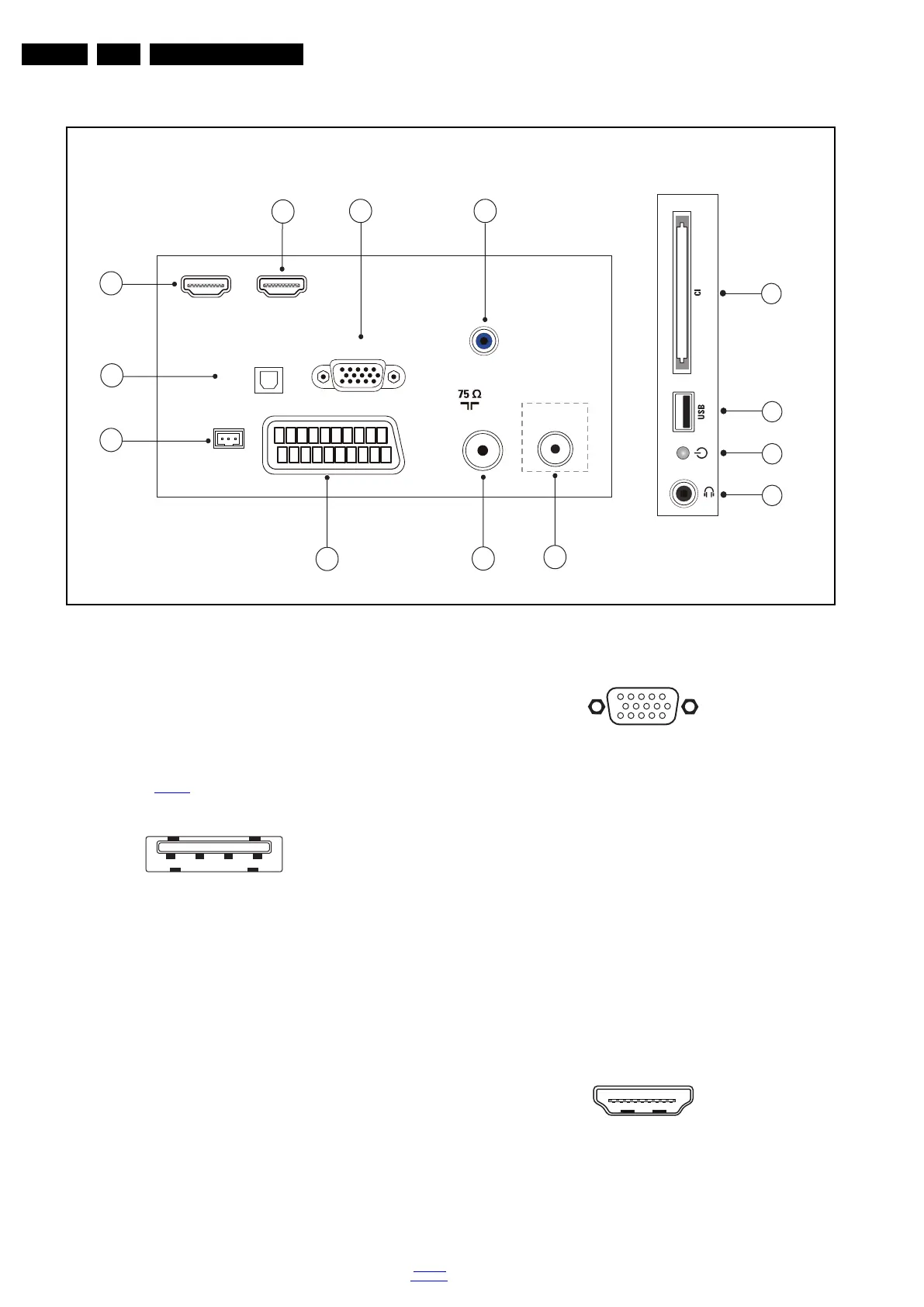
2.3 Connections
Figure 2-1 Connection overview
Note: The following connector colour abbreviations are used
(acc. to DIN/IEC 757): Bk= Black, Bu= Blue, Gn= Green,
Gy= Grey, Rd= Red, Wh= White, Ye= Yellow.
2.3.1 Side Connections
1 - Common Interface
68p- See figure 10-7-6
jk
2 - USB 2.0
Figure 2-2 USB (type A)
1-+5V k
2 - Data (-) jk
3 - Data (+) jk
4 - Ground Gnd H
3 - Power Button
Turn on/off the TV.
4 - Head phone (Output)
Bk - Head phone 80 - 600 / 10 mW
ot
2.3.2 Rear Connections
5 - Audio - In: Left / Right, VGA
Bu - Audio L/R in 0.5 V
RMS
/ 10 kW jq
6 - PC IN:VGA
Figure 2-3 VGA connector
1 - Video Red 0.7 V
PP
/ 75 W j
2 - Video Green 0.7 V
PP
/ 75 W j
3 - Video Blue 0.7 V
PP
/ 75 W j
4-n.c.
5 - Ground Gnd H
6 - Ground Red Gnd H
7 - Ground Green Gnd H
8 - Ground Blue Gnd H
9-+5V
DC
+5 V j
10 - Ground Sync Gnd H
11 - Ground Red Gnd H
12 - DDC_SDA DDC data j
13 - H-sync 0 - 5 V j
14 - V-sync 0 - 5 V j
15 - DDC_SCL DDC clock j
7 - HDMI 2: Digital Video - In, Digital Audio with ARC -
In/Out
Figure 2-4 HDMI (type A) connector
1 - D2+ Data channel j
2 - Shield Gnd H
3 - D2- Data channel j
4 - D1+ Data channel j
TV ANTENNA
VGA / DVI
AUDIO IN
DIGITAL
AUDIO OUT
SCART
(RGB/CVBS)
SE
RV.U
HDMI 1
ARC
HDMI2
VGA
SAT
19790_001.eps
1
2
3
4
56
7
8
9
11
12
13
Side ConnectorsRear Connectors
10
(Optional)
1 2 3 4
10000_022_090121.eps
090121
1
6
10
11
5
15
10000_002_090121.eps
090127
10000_017_090121.eps
090428
19
1
18 2

Table of Contents

Related product manuals